Запчасти Case IH JX1075C (1.27.7/03[01]) - (VAR.275-275/1) HI-LO 32X16 (30KM/H) P. SHUTTLE W/OIL COOLER - FRAME, RADIATOR AND PIPES (03) - TRANSMISSION

Схема запчастей Case IH JX1075C - (1.27.7/03[01]) - (VAR.275-275/1) HI-LO 32X16 (30KM/H) P. SHUTTLE W/OIL COOLER - FRAME, RADIATOR AND PIPES (03) - TRANSMISSION
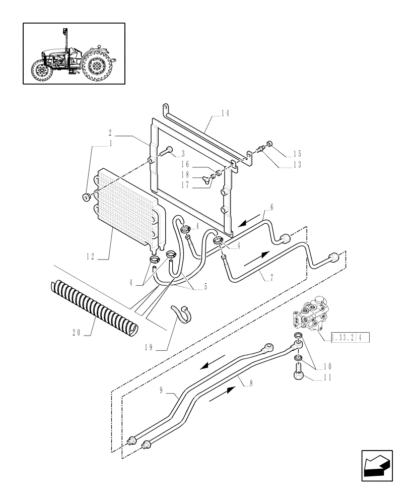
4
3
1.33.2/4
7
9
18
13
2
14
6
11
19
10
8
5
4
16
20
4
1
12
17
15
FIT
1:1
100%

Артикул

Название

Примечание

Количество

1

5175390

PAD

3шт.

2

5176664

FRAME

1шт.

3

14432224

HEX SOC SCREW,M6 x 22mm, Cl 8.8, Full Thd

3шт.

4

13000390

HOSE CLAMP,16mm - 25mm, Worm Gear

D=16-25

4шт.

5

5143837

HYDRAULIC HOSE,13.00 mm ID

L=687

1шт.

6

5185432

RIGID TUBE

Delivery

1шт.

7

5185433

RIGID TUBE

Return

1шт.

8

5177868

RIGID TUBE

Return

1шт.

9

5177864

RIGID TUBE

Delivery

1шт.

10

5167640

SEALING WASHER,14.09mm ID x 26.45mm OD x 1.5mm Thk

18x24

4шт.

11

5184345

BANJO BOLT,M18 x 1.5 x 34mm

M18x34

2шт.

12

83945933

OIL COOLER

1шт.

13

5174191

SCREW

M8

1шт.

14

5176134

GUIDE

2шт.

15

12598374

LOCK WASHER

D=8

1шт.

16

14496504

WASHER,8.4mm ID x 17mm OD x 1.6mm Thk

1шт.

17

11193874

BELLEVILLE WASHER,M8 Bolt Size x 16mm OD x 1.4mm Thk

2шт.

18

10102004

WING NUT

M8

1шт.

19

5112712

COLLAR,M4.8 x 283

1шт.

20

5186848

FLEXIBLE HOSE

2шт.

Выбрано товаров: 20