Запчасти Case IH JX1075C (1.80.1/05) - (VAR.745) DIGITAL INSTRUMENT CLUSTER - ELECTRIC WIRES (07) - HYDRAULIC SYSTEM

Схема запчастей Case IH JX1075C - (1.80.1/05) - (VAR.745) DIGITAL INSTRUMENT CLUSTER - ELECTRIC WIRES (07) - HYDRAULIC SYSTEM
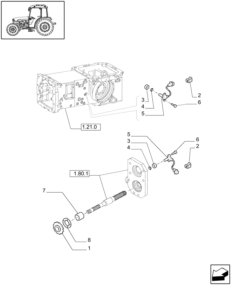
2
4
6
2
1
3
3
7
8
6
5
1.21.0
4
1.80.1
5
FIT
1:1
100%

Артикул

Название

Примечание

Количество

1

5173231

SPLINED RING

, Serial Range: -HJE029578

1шт.

1

87302766

DISC,38.1mm ID x 152mm OD x 1.5mm Thk

, Start Serial: HJE029579

1шт.

2

10450090

CLAMP,8mm, Coat, 9mm Bolt Hole, P Type

2шт.

3

5153070

SPACER,15.3mm ID x 17.4mm OD x 4.5mm L

2шт.

4

14453280

O-RING,0.07" Thk x 0.551" ID, -15, Cl 5, 75 Duro

2шт.

5

5150991

SENSOR

PTO SPEED, Serial Range: -HJE020810

2шт.

5

87564764

SENSOR

PTO SPEED, Start Serial: HJE020811

1шт.

6

10977524

BOLT,Hex, M5 x 10mm, Cl 8.8, Full Thd

4шт.

7

5175203

SPACER,38mm ID x 52mm OD x 46mm L

1шт.

8

87341678

THRUST WASHER,38.1mm ID x 58mm OD x 2.5mm Thk

, Start Serial: HJE029579

1шт.

Выбрано товаров: 10