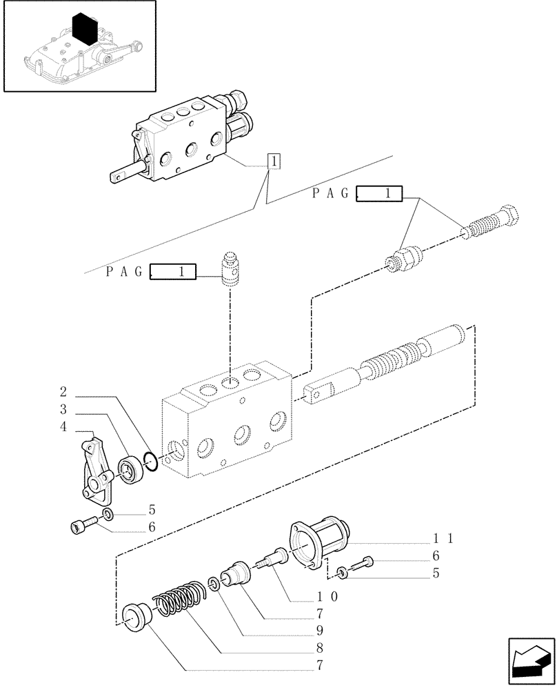
Запчасти Case IH JX1075C (1.82.7/11A[02]) - REMOTE VALVE SECTION - BREAKDOWN - C5484 (07) - HYDRAULIC SYSTEM

Схема запчастей Case IH JX1075C - (1.82.7/11A[02]) - REMOTE VALVE SECTION - BREAKDOWN - C5484 (07) - HYDRAULIC SYSTEM
pag. 1
5
pag. 1
6
1
8
7
6
10
7
2
9
11
3
4
5
FIT
1:1
100%

Артикул

Название

Примечание

Количество

1

5171282

CONTROL VALVE

ASSY

1шт.

SIMPLE DOUBLE EFFECT DISTRIBUTOR

1шт.

2

5135734

O-RING,0.07" Thk x 0.614" ID, -16, Cl 5, 75 Duro

2шт.

3

5116889

SCRAPER RING,15.6mm ID x 25.4mm OD x 4.8mm Thk

1шт.

4

5172326

SUPPORT

1шт.

5

11197774

BELLEVILLE WASHER,M6 Bolt Size x 12mm OD x 1.2mm Thk

4шт.

6

5124338

HEX SOC SCREW,6.35mm OD x 19mm L

4шт.

7

5116891

CUP,10.4mm ID x 27mm OD x 10mm Thk

2шт.

8

5116893

SPRING,Compression, 27mm OD x 43mm L

1шт.

9

5116892

SHIM,10.4mm ID x 16mm OD x 1.5mm Thk

1шт.

10

5116894

SCREW,1/4" - 20 x 7/8"

1шт.

11

5116895

COVER

1шт.

Выбрано товаров: 12