Запчасти Case IH JX1075C (1.92.85/05A) - (VAR.155) "MT" SEAT WITH BELTS - BREAKDOWN - L/CAB (10) - OPERATORS PLATFORM/CAB

Схема запчастей Case IH JX1075C - (1.92.85/05A) - (VAR.155) "MT" SEAT WITH BELTS - BREAKDOWN - L/CAB (10) - OPERATORS PLATFORM/CAB
4
25
24
21
22
14
11
27
17
18
7
23
15
8
3
10
28
13
6
20
16
26
2
12
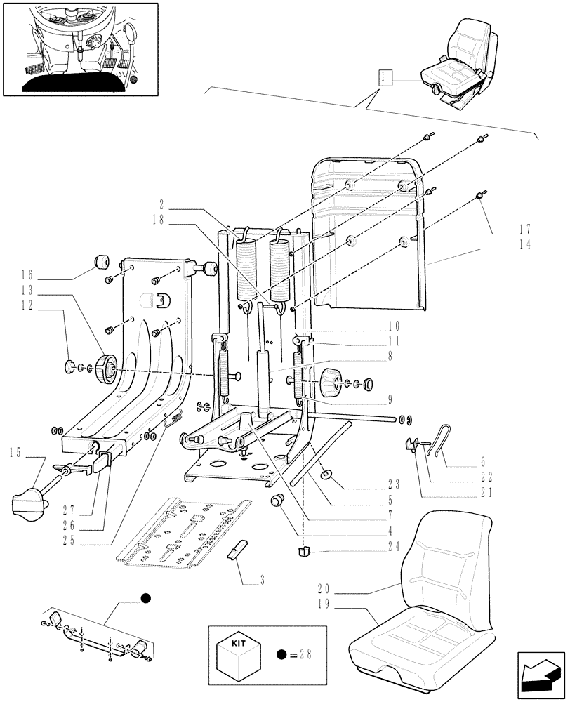
1
9
5
28
19
28
FIT
1:1
100%

Артикул

Название

Примечание

Количество

1

47129034

DRIVER SEAT

ASSY, Serial Range: -C5798

1шт.

Wheat Leather

1шт.

1

87730615

DRIVER SEAT

ASSY, Start Serial: D5798

1шт.

Wheat Leather with Icreased Seat Back and Cushion

1шт.

2

47128242

SPRING

2шт.

3

47128230

SLIDING PAD

4шт.

4

47128235

KNOB

1шт.

5

47128244

LEVER

1шт.

6

47128240

SPRING

1шт.

7

47128233

RUBBER PAD

3шт.

8

47128239

SHOCK ABSORBER

1шт.

9

47128241

SPRING

2шт.

10

47128243

RETAINING WIRE

2шт.

11

47128237

SUPPORT

2шт.

12

47128234

PLUG

2шт.

13

47128246

KNOB

1шт.

14

47128236

COVER

1шт.

15

47128245

KIT

1шт.

16

47136911

CASTER

2шт.

17

47128228

RIVET

4шт.

18

47128229

RIVET

1шт.

19

47131897

SEAT CUSHION

, Serial Range: -C5798

1шт.

19

NSS

NOT SOLD SEPARAT

, Start Serial: D5798

1шт.

20

47131896

SEAT BACK

, Serial Range: -C5798

1шт.

20

NSS

NOT SOLD SEPARAT

, Start Serial: D5798

1шт.

21

87319024

RETAINER COLLAR

1шт.

22

87319021

COTTER PIN

1шт.

23

47136912

PLUG

2шт.

24

47136913

SUPPORT

2шт.

25

47137686

SPRING

1шт.

26

47137685

MASK

1шт.

27

47137683

BAND

1шт.

28

47135573

KIT

1шт.

Выбрано товаров: 33