Запчасти Case IH JX1085C (1.25.0/04[01A]) - (VAR.270) DUAL COMMAND (2 SPS) 32X16 (30KM/H) WITH HEAT EXCHANGER AND ADJ. COLUMN - CLUTCH - D5949 (03) - TRANSMISSION

Схема запчастей Case IH JX1085C - (1.25.0/04[01A]) - (VAR.270) DUAL COMMAND (2 SPS) 32X16 (30KM/H) WITH HEAT EXCHANGER AND ADJ. COLUMN - CLUTCH - D5949 (03) - TRANSMISSION
1.25.0
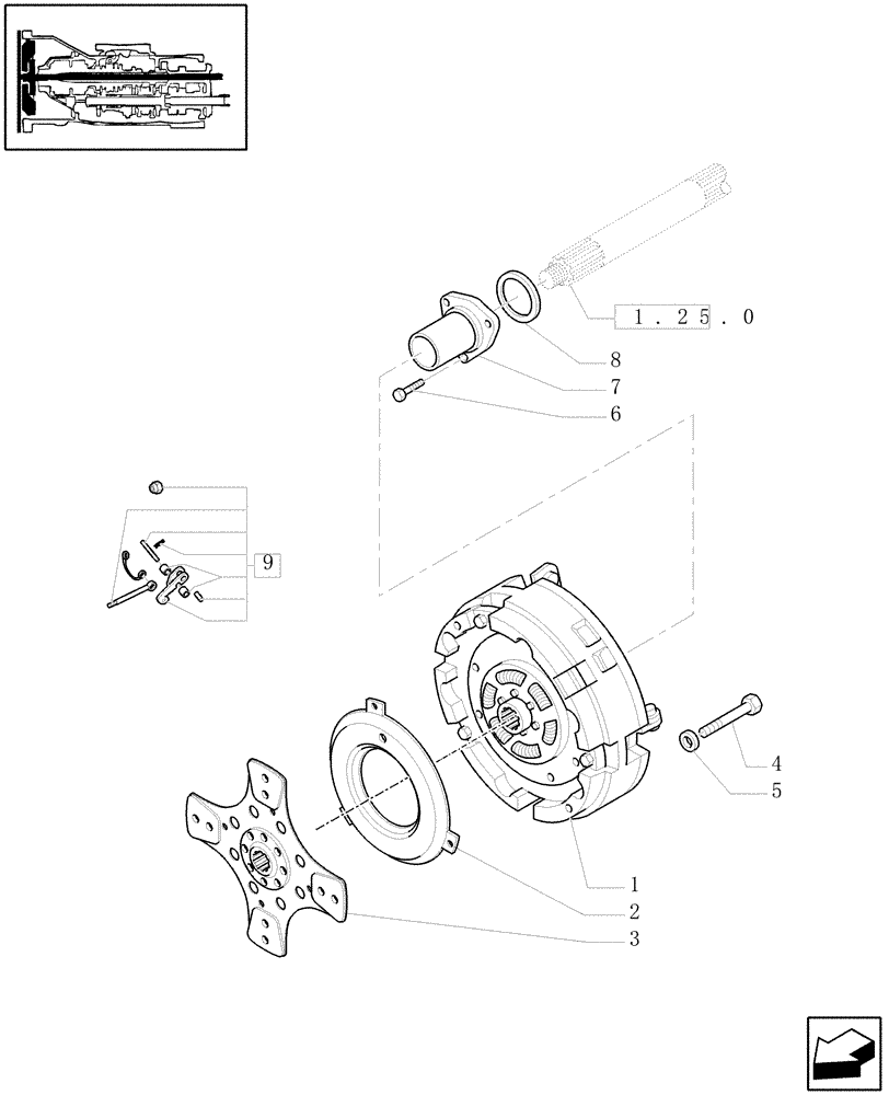
1
2
7
4
9
6
8
5
3
FIT
1:1
100%

Артикул

Название

Примечание

Количество

1

87732490

CLUTCH,327mm OD

ASSY, Incl. 2, 9

1шт.

1

87732490R

REMAN-CLUTCH ASSY

JX1085C (10/05-)

1шт.

1

87732490C

CORE-CLUTCH ASSEMBLY

Return Part Number

1шт.

2

87594144

PRESSURE RING

1шт.

3

47134874

CLUTCH PLATE,280mm OD

1шт.

3

47134874R

REMAN-CLUTCH PLATE

Remanufactured, Clutch Plate

1шт.

3

47134874C

CORE-CLUTCH PLATE

Return Part Number

1шт.

4

16044124

BOLT,Hex, M8 x 1.25 x 45mm, Cl 8.8

6шт.

5

11193874

BELLEVILLE WASHER,M8 Bolt Size x 16mm OD x 1.4mm Thk

6шт.

6

16043624

SCREW,Hex, M8 x 1.25 x 25mm, Cl 8.8, Full Thd

3шт.

7

5177143

COVER

1шт.

8

14461080

O-RING,0.103" Thk x 3.237" ID, -152, Cl 5, 75 Duro

1шт.

9

87741845

KIT

1шт.

10

87732485

CLUTCH

ASSY

1шт.

10

87732490R

REMAN-CLUTCH ASSY

JX1085C (10/05-), Reman for New P/N 87732485

1шт.

10

87732490C

CORE-CLUTCH ASSEMBLY

Return Part Number

1шт.

Выбрано товаров: 16