Запчасти Case IH JX1095C (1.82.7/07[04]) - (VAR.136) 2 REAR REMOTE VALVES FOR EDC- PIPES - C5484 (07) - HYDRAULIC SYSTEM

Схема запчастей Case IH JX1095C - (1.82.7/07[04]) - (VAR.136) 2 REAR REMOTE VALVES FOR EDC- PIPES - C5484 (07) - HYDRAULIC SYSTEM
1.82.7/01
.
3
4
p
1
a
1
g
g
2
.
1.82.7/01
p
a
3
FIT
1:1
100%

Артикул

Название

Примечание

Количество

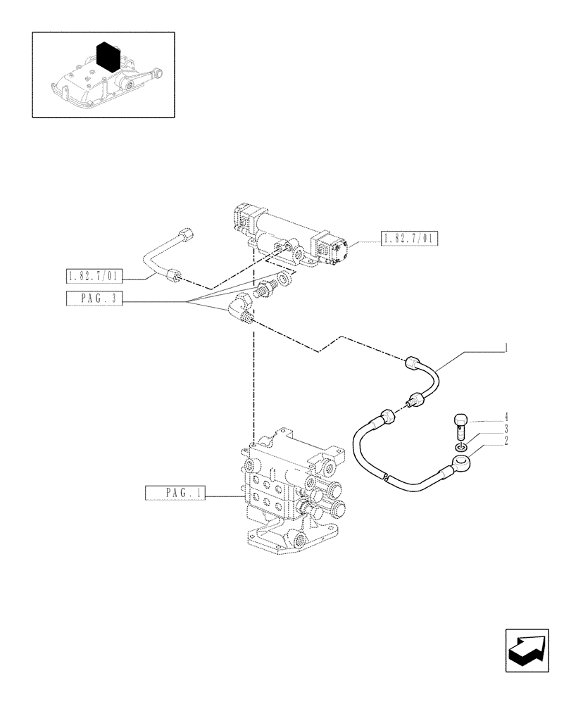
1

47131635

RIGID TUBE

1шт.

2

47133401

FLEXIBLE HOSE,6mm ID x 1110mm L

1110 MM

1шт.

Front Pilot Hose

1шт.

3

2854292

SEALING WASHER,12mm ID x 17mm OD x 1.5mm Thk

12x18x1.5

1шт.

4

10185011

BANJO BOLT,M12 x 1.25 x 23mm

1шт.

Выбрано товаров: 5