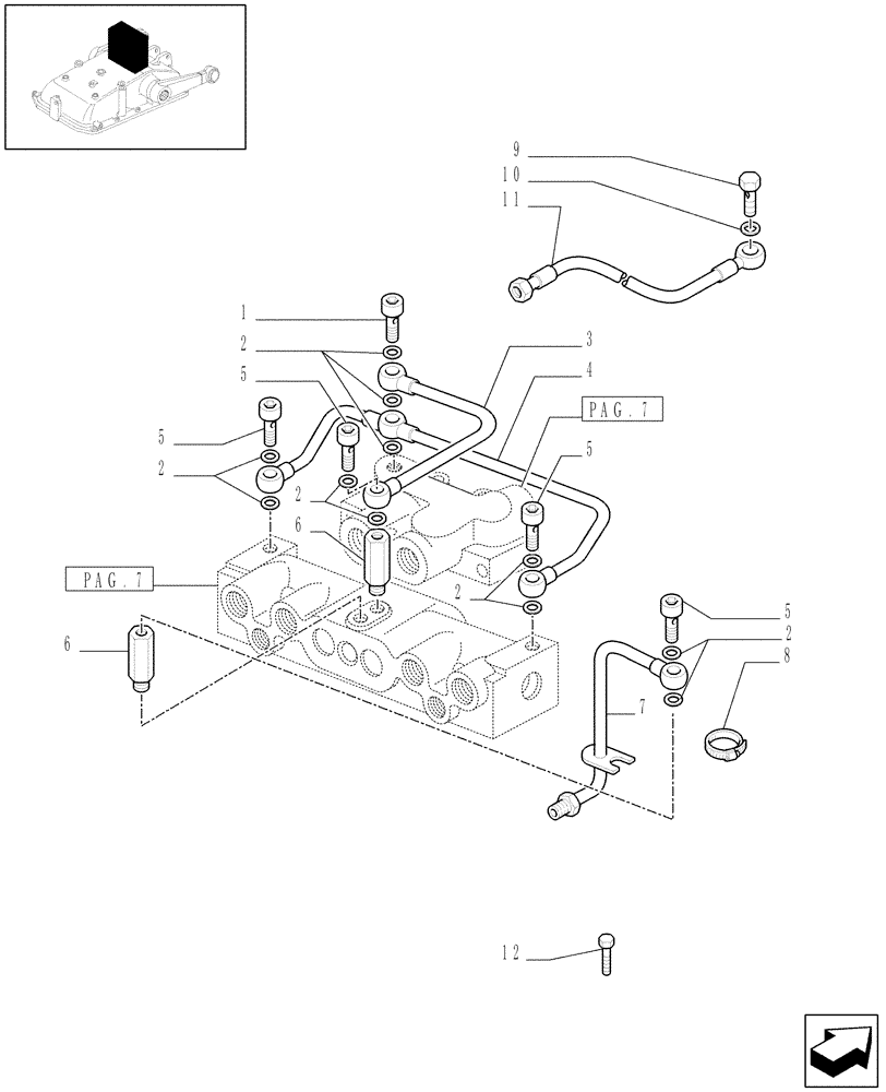
Запчасти Case IH JX1070N (1.82.7/03[08]) - (VAR.390/1-399-498-498/1) 3 REM VALVES W/FLOW-RATE REG. AND HYD. DIVIDER - PIPES - D5484 (07) - HYDRAULIC SYSTEM

Схема запчастей Case IH JX1070N - (1.82.7/03[08]) - (VAR.390/1-399-498-498/1) 3 REM VALVES W/FLOW-RATE REG. AND HYD. DIVIDER - PIPES - D5484 (07) - HYDRAULIC SYSTEM
.
g
2
1
2
.
8
2
5
7
3
g
10
2
6
a
7
5
11
p
12
4
a
2
5
7
5
9
p
6
FIT
1:1
100%

Артикул

Название

Примечание

Количество

1

5179757

BANJO BOLT

1шт.

2

10260060

SEALING WASHER,8.2mm ID x 14mm OD x 1mm Thk

8шт.

3

5179545

RIGID TUBE

1шт.

4

5175115

RIGID TUBE

1шт.

5

5175070

BANJO BOLT,M8 x 1.25 x 24mm

4шт.

6

5179506

PROP,M8 x 1.25

M8

2шт.

7

47131636

RIGID TUBE

Rear Pilot

1шт.

8

13000490

HOSE CLAMP,20mm - 32mm, Worm Gear

DIA=20-30

1шт.

9

10185011

BANJO BOLT,M12 x 1.25 x 23mm

1шт.

10

2854292

SEALING WASHER,12mm ID x 17mm OD x 1.5mm Thk

12x18

1шт.

11

47133401

FLEXIBLE HOSE,6mm ID x 1110mm L

1110 MM

1шт.

Front Pilot Hose

1шт.

12

16043324

BOLT,Hex, M8 x 1.25 x 18mm, Cl 8.8, Full Thd

1шт.

Выбрано товаров: 13