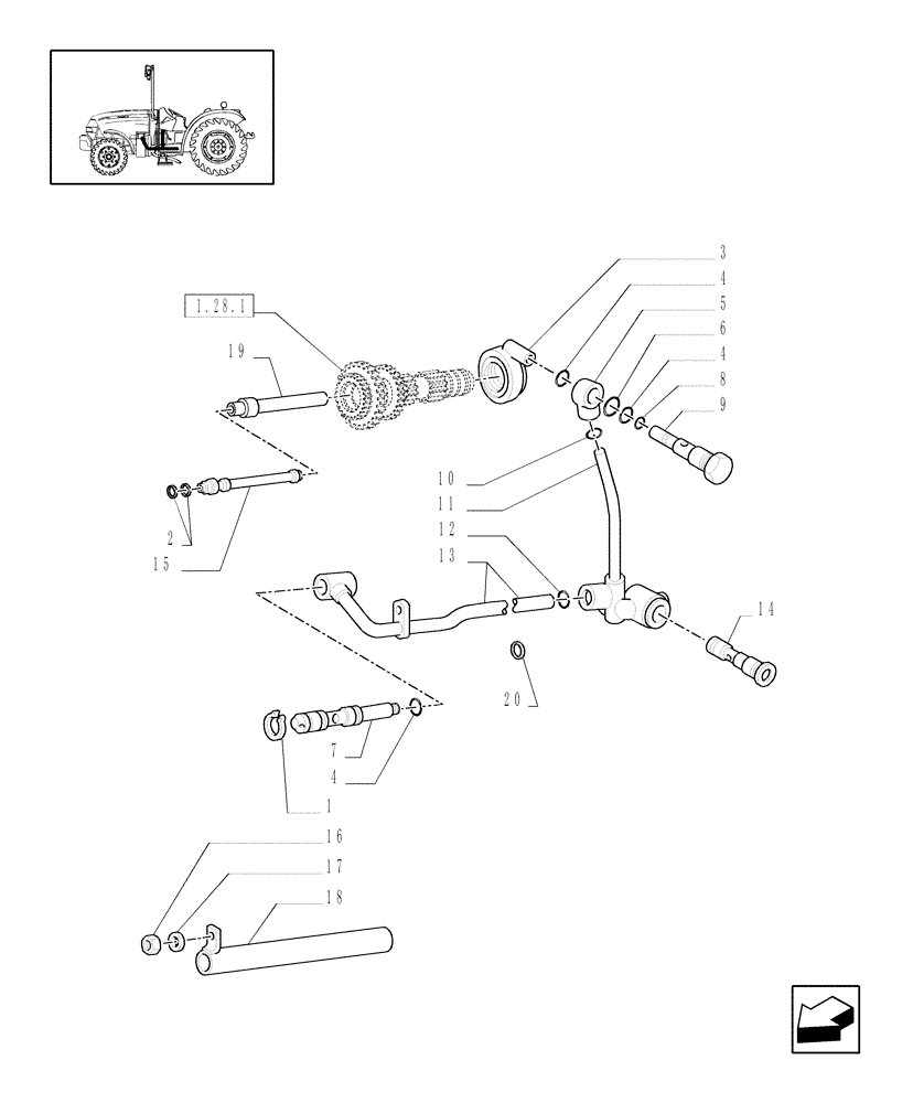
Запчасти Case IH JX1075N (1.28.8/02[02]) - (VAR.297) HI-LO NA - GEAR LUBRICATION SYSTEM, UNIONS AND PIPES (03) - TRANSMISSION

Схема запчастей Case IH JX1075N - (1.28.8/02[02]) - (VAR.297) HI-LO NA - GEAR LUBRICATION SYSTEM, UNIONS AND PIPES (03) - TRANSMISSION
6
18
9
20
1
10
3
16
1.28.1
2
5
19
17
4
11
8
7
4
4
15
14
12
13
FIT
1:1
100%

Артикул

Название

Примечание

Количество

1

84021874

SNAP RING,M18, Ext

1шт.

2

5174041

O-RING,2.62mm Thk x 13.1mm ID, 70 Duro

2.62x13.1

2шт.

3

5183609

MANIFOLD

1шт.

4

14453280

O-RING,0.07" Thk x 0.551" ID, -15, Cl 5, 75 Duro

3шт.

5

5177779

HYD CONNECTOR,23mm ID x 28mm OD x 29mm Thk

Upper

1шт.

6

14453081

O-RING,0.07" Thk x 0.426" ID, -13, Cl 7, 75 Duro

1шт.

7

5173802

HYD CONNECTOR,M10 x 1.25 x 119mm L

1шт.

8

10263460

SEAL,22.3mm ID x 28mm OD x 1.5mm Thk

1шт.

9

5173804

BOLT,Hex, M22 x 1.5 x 113mm L

Rev.

1шт.

10

5135739

O-RING,0.737" ID x 0.943" OD x 0.103"

2шт.

11

5180976

RIGID TUBE

Rev.

1шт.

12

5146468

O-RING,0.103" Thk x 0.549" ID, -113, Cl 5, 75 Duro

1шт.

13

5183732

RIGID TUBE

1шт.

14

5177777

BANJO BOLT,M11 x 54mm

1шт.

15

5173963

RIGID TUBE

1шт.

16

16100811

NUT,Hex, M8, 6.80mm, Cl 8, ZND

1шт.

17

11193874

BELLEVILLE WASHER,M8 Bolt Size x 16mm OD x 1.4mm Thk

1шт.

18

5185303

HYD TUBE

1шт.

19

5186901

RIGID TUBE

1шт.

20

5103230

O-RING,2.62mm Thk x 11.91mm ID

2.62 x 11.91

1шт.

Выбрано товаров: 20