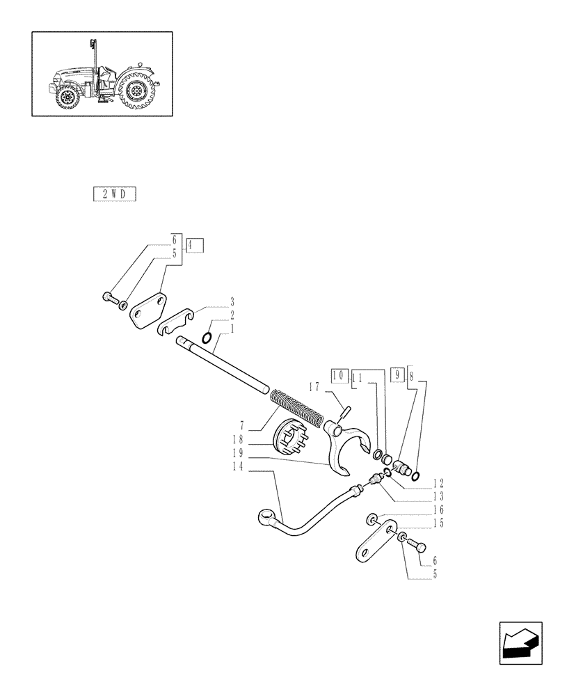
Запчасти Case IH JX1075N (1.32.6/01) - (VAR.271) HI-LO - HYDRAULIC DIFFERENTIAL LOCK CONTROL, ROD AND FORK (03) - TRANSMISSION

Схема запчастей Case IH JX1075N - (1.32.6/01) - (VAR.271) HI-LO - HYDRAULIC DIFFERENTIAL LOCK CONTROL, ROD AND FORK (03) - TRANSMISSION
3
19
6
13
7
4
14
1
12
6
5
2
16
5
17
11
2wd
15
18
8
9
10
FIT
1:1
100%

Артикул

Название

Примечание

Количество

1

5176036

ROD,20mm OD x 295mm L

1шт.

2

14457281

O-RING,0.612" ID x 0.103" Width

1шт.

3

5114582

SHIM,25mm OD x 0.5mm Thk

1шт.

4

5156350

PLATE

1шт.

5

11190574

BELLEVILLE WASHER,M10 Bolt Size x 20mm OD x 2.3mm Thk

4шт.

6

15970724

SCREW,Hex, M10 x 1.25 x 25mm, Cl 8.8, Full Thd

4шт.

7

5162818

SPRING,27.5mm OD x 237mm L

1шт.

8

14457880

O-RING,0.103" Thk x 0.987" ID, -120, Cl 5, 75 Duro

1шт.

9

5162820

ELBOW,M18 x 1.5 x 61mm L

1шт.

10

5162819

PISTON

1шт.

11

5160827

SEAL,22.55mm ID x 30.1mm OD x 3.2mm Thk

1шт.

12

14437985

O-RING,15.3mm ID x 2.4mm

1шт.

13

5158800

HYD CONNECTOR,M18 x 1.5 x 37.5mm L

1шт.

14

5182495

RIGID TUBE

1шт.

15

5168206

PLATE

1шт.

16

5168435

SPACER,10.5mm ID x 25mm OD x 4.5mm L

2шт.

17

13910670

ROLL PIN,M6 x 40mm OAL, Coiled

1шт.

18

5121654

SLEEVE

1шт.

19

5176032

YOKE,20mm Hole Dia

1шт.

Выбрано товаров: 19