Запчасти Case IH JX1075N (1.92.68[02]) - BRAKE PEDALS (10) - OPERATORS PLATFORM/CAB

Схема запчастей Case IH JX1075N - (1.92.68[02]) - BRAKE PEDALS (10) - OPERATORS PLATFORM/CAB
12
1.75.0
9
4
3
11
16
2
13
7
8
17
14
5
10
1
6
15
FIT
1:1
100%

Артикул

Название

Примечание

Количество

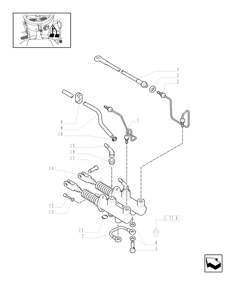
1

5180191

BRAKE LINE

RH

1шт.

2

5180189

BRAKE LINE

LH

1шт.

3

10718114

THIN NUT,Thin, M16, 1.00mm Pitch, Cl 04, DAC

2шт.

4

5155700

HOSE,4.75mm ID x 315.00mm

2шт.

5

5155703

BANJO BOLT,M12 x 1.25 x 22mm

M12 x 1.25 x 22

2шт.

6

2854292

SEALING WASHER,12mm ID x 17mm OD x 1.5mm Thk

4шт.

7

5155701

TUBE

1шт.

8

5172724

INSULATING BLOCK,2x12.5mm ID x 13mm Thk

1шт.

9

19053182

HOSE

7x12

1шт.

10

10186590

CLAMP,11mm - 13mm

6шт.

11

5155381

PIN,9.85mm OD x 28mm L

2шт.

12

14306321

HEX SOC SCREW,M8 x 20mm, Cl 8.8

4шт.

13

11193874

BELLEVILLE WASHER,M8 Bolt Size x 16mm OD x 1.4mm Thk

4шт.

14

5177993

MASTER CYLINDER

Incl. Ref. 15,16,17, Serial Range: -HJC071427

2шт.

14

87354670

MASTER CYLINDER

, Start Serial: HJC071428

2шт.

15

9970260

HYD CONNECTOR

2шт.

16

9966201

GASKET

2шт.

17

2852057

SEALING WASHER,M8 x 12 x 1 Thk

SEAL WASHER

2шт.

Выбрано товаров: 18