Запчасти Case IH JX1075N (1.21.0[03]) - TRANSMISSION ASSY. (03) - TRANSMISSION

Схема запчастей Case IH JX1075N - (1.21.0[03]) - TRANSMISSION ASSY. (03) - TRANSMISSION
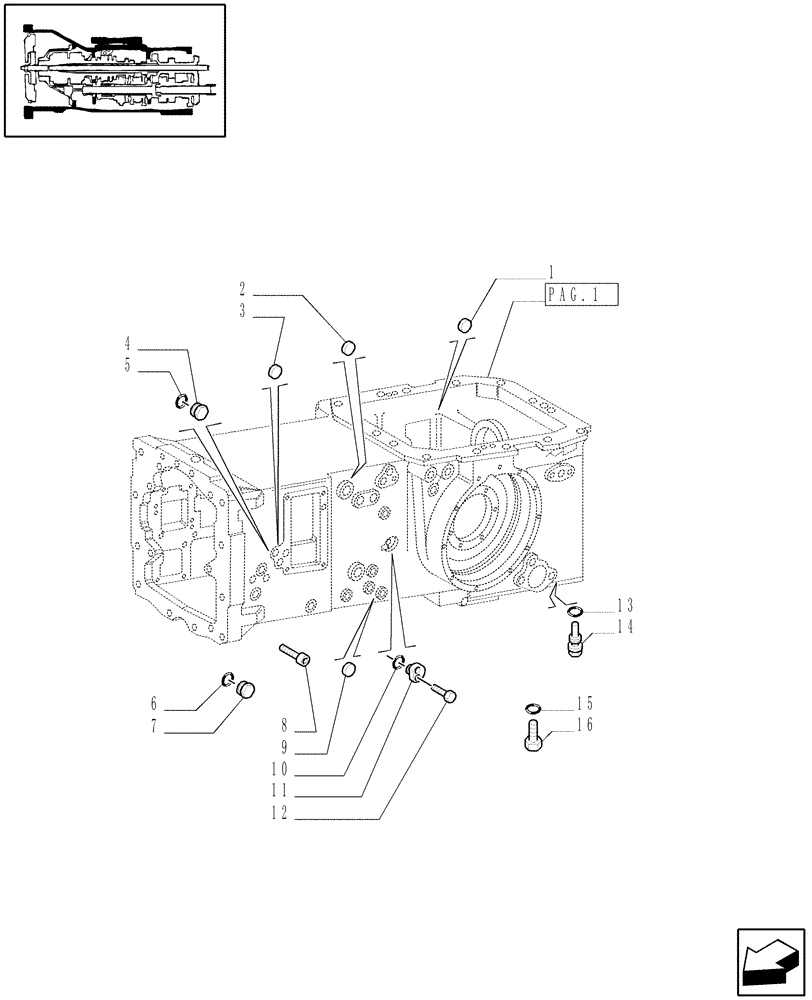
6
2
1
11
8
5
7
4
pag.1
10
13
12
14
3
16
15
9
FIT
1:1
100%

Артикул

Название

Примечание

Количество

1

14329101

PLUG,M30, Tapered

2шт.

2

14328701

PLUG,M20, Tapered

3шт.

3

14328601

PLUG,M18, Tapered

2шт.

4

10300611

PLUG,M14 x 1.5 x 14, Cl5.8

3шт.

5

10261160

SEALING WASHER,M14.2 x 18 x 1.5, Copper

3шт.

6

4858609

WASHER,Brass

16x22

1шт.

6

10259960

SEAL,Rectangular, 18.30mm ID x 24.00mm OD x 1.50mm, Copper

1шт.

7

10300714

PLUG,M16 x 1.5 x 14

1шт.

7

10300811

PLUG,M18 x 1.5 x 14, Cl5.8

1шт.

7

5151213

PLUG,M35 x 1.5

M35

1шт.

8

13788921

SET SCREW,Hex Skt, M8 x 8mm, Cl 8.8, Full Thd, Cup Pt

5шт.

8

5194489

SCREW,M8 x 8mm, Cl 8.8

M8

4шт.

9

14328201

PLUG,M10, Tapered

(2WD)

2шт.

9

14328201

PLUG,M10, Tapered

(4WD)

1шт.

10

89827059

O-RING,1.78mm Thk x 14mm ID, 70 Duro

1шт.

11

5171837

PLUG,17.3mm ID x 42mm OD x 7.5mm Thk

L/CAB

1шт.

12

10977524

BOLT,Hex, M5 x 10mm, Cl 8.8, Full Thd

2шт.

13

10263460

SEAL,22.3mm ID x 28mm OD x 1.5mm Thk

2шт.

14

5118991

PLUG,M22 x 1.5

M22

2шт.

15

14437985

O-RING,15.3mm ID x 2.4mm

, Start Serial: D5780

1шт.

16

10119411

PLUG,M18 x 1.5 x 12.00mm

, Start Serial: D5780

1шт.

Выбрано товаров: 21