Запчасти Case IH JX100U (1.82.0/01[02]) - (VAR.250-251) ELECTRONIC LIFTING - CYLINDER PRESSURE LIMITING VALVE (07) - HYDRAULIC SYSTEM

Схема запчастей Case IH JX100U - (1.82.0/01[02]) - (VAR.250-251) ELECTRONIC LIFTING - CYLINDER PRESSURE LIMITING VALVE (07) - HYDRAULIC SYSTEM
10
3
4
11
6
9
12
14
13
pag. 1
pag. 1
2
5
1
8
7
11
FIT
1:1
100%

Артикул

Название

Примечание

Количество

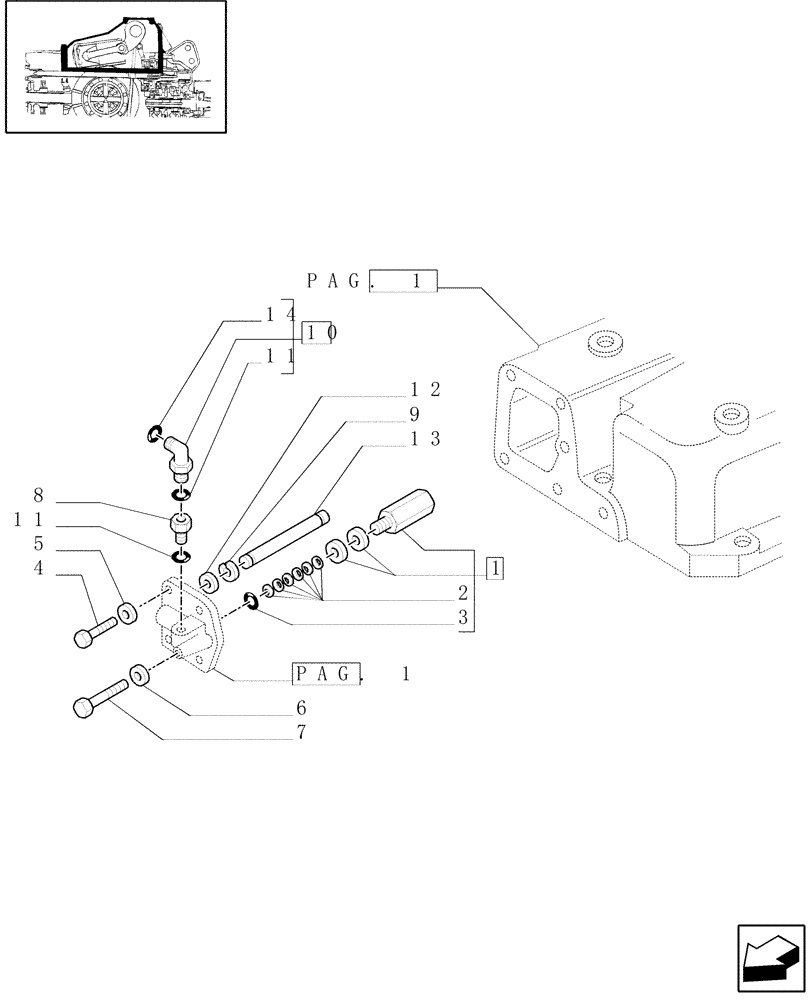
1

5117739

VALVE PRESSURE RELIE,M20 x 1.5

1шт.

2

586761

VALVE SPRING,10.2mm ID x 20mm OD x 1.1mm Thk

22шт.

3

14457381

O-RING,17.12mm ID x 2.62" Width

1шт.

4

16043824

SCREW,Hex, M8 x 1.25 x 30mm, Cl 8.8, Full Thd, DAC

4шт.

5

10516674

LOCK WASHER,M8

D = 10

4шт.

6

10516874

LOCK WASHER,10.2mm ID x 17.7mm OD x 2.5mm Thk

D = 8

1шт.

7

15971521

SCREW,Hex, M10 x 1.25 x 85mm, Cl 8.8

1шт.

8

5181598

PROP

1шт.

9

14457281

O-RING,0.612" ID x 0.103" Width

2шт.

10

47123660

HYD CONNECTOR

M18X1,5 - 1" UNF

1шт.

11

14437985

O-RING,15.3mm ID x 2.4mm

2шт.

12

4958830

BACK-UP RING,16.26mm ID x 20.62mm OD x 1.14mm Thk

2шт.

13

5176630

PIPE,20mm ID x 105mm L

1шт.

14

83901443

O-RING,0.07" Thk x 0.614" ID, -16, Cl 6, 90 Duro

90 Duro

1шт.

Выбрано товаров: 14