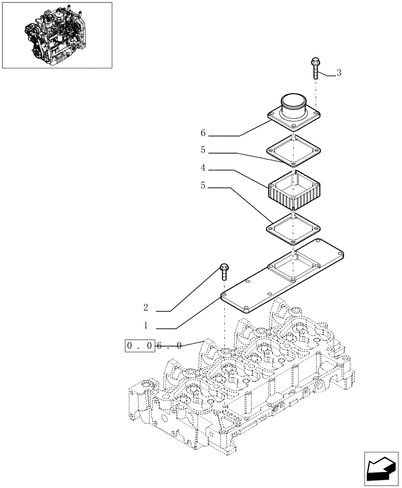
Запчасти Case IH JX1070U (0.07.1) - INTAKE MANIFOLD (01) - ENGINE

Схема запчастей Case IH JX1070U - (0.07.1) - INTAKE MANIFOLD (01) - ENGINE
2
5
3
6
5
1
4
0.06.0
FIT
1:1
100%

Артикул

Название

Примечание

Количество

1

87803119

COVER

1шт.

2

4899039

BOLT,Flng, M8 x 1.25 x 25mm, Cl 10.9

4шт.

3

4895294

BOLT,Flng, M8 x 1.25 x 80mm, Cl 10.9

4шт.

4

4895648

SPACER

1шт.

5

4899921

GASKET,1.2mm Thk

2шт.

6

2853867

AIR INTAKE

1шт.

Выбрано товаров: 6