Запчасти Case IH JX1080U (1.96.3[02]) - P.T.O. CONTROL (10) - OPERATORS PLATFORM/CAB

Схема запчастей Case IH JX1080U - (1.96.3[02]) - P.T.O. CONTROL (10) - OPERATORS PLATFORM/CAB
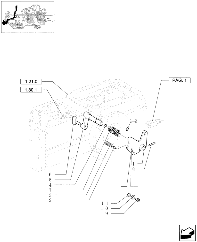
7
6
10
2
12
3
4
1
11
5
9
8
FIT
1:1
100%

Артикул

Название

Примечание

Количество

1

47124613

LEVER

JX1070U, JX1080U, JX1090U

1шт.

1

47124615

LEVER

JX1100U

1шт.

2

5150839

PAWL,8.5mm OD x 15.4mm L

1шт.

3

5128251

SPRING,Compression, 8.5mm OD x 20mm L

1шт.

4

14457281

O-RING,0.612" ID x 0.103" Width

1шт.

5

47124617

LEVER

1шт.

6

4984096

CONTROL LEVER,10mm OD x 40mm L

1шт.

7

580548

SPRING

1шт.

8

13910370

ROLL PIN,6mm OD x 30mm L

1шт.

9

5166308

SPACER,8mm ID x 14mm OD x 16.5mm L

JX1100U

1шт.

10

14496521

WASHER,8.4mm ID x 17mm OD x 1.6mm Thk

JX1100U

1шт.

11

16104111

NUT,Prevailing Torque, M8, 1.25 Pitch, 10.6mm High, Cl 08, ZND

JX1100U

1шт.

12

47124618

CIRCLIP

2.62x15.54

1шт.

Выбрано товаров: 13