Запчасти Case IH JX1100U (1.65.3) - TRANSMISSION BRAKE - PARTS (05) - REAR AXLE

Схема запчастей Case IH JX1100U - (1.65.3) - TRANSMISSION BRAKE - PARTS (05) - REAR AXLE
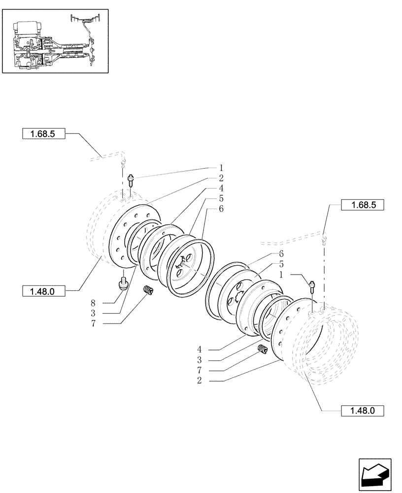
5
3
1
2
6
4
2
7
6
5
8
3
4
1
7
FIT
1:1
100%

Артикул

Название

Примечание

Количество

1

5106843

BLEEDER,Bleeder, M12 x 1.25 x 24mm

M12 x 1.25 x 24

2шт.

2

5191349

DISC

2шт.

3

87388219

SEAL,Square, 3.4mm Thk x 210.8mm ID, 80 Duro

Inside, JX1070U

2шт.

3

87388221

SEAL,Square, 3.4mm Thk x 190.6mm ID, 80 Duro

Inside, JX1080U, JX1090U, JX1100U

2шт.

4

5191350

PISTON

JX1070U

2шт.

4

5191352

PRESSURE RING

JX1080U, JX1090U, JX1100U

2шт.

5

5184313

BRAKE DISC,50mm ID x 261mm OD x 9.6mm Thk

2шт.

6

87388213

SEAL,Square, 3.4mm Thk x 265.3mm ID, 80 Duro

2шт.

7

5120761

SPRING,7.7mm OD x 20.5mm L

6шт.

8

5117615

PLUG,M12 x 1.25

2шт.

Выбрано товаров: 10