Запчасти Case IH JX1100U (1.82.7/02) - (VAR.389) TWO CONTROL VALVES - BOSCH - PIPES (07) - HYDRAULIC SYSTEM

Схема запчастей Case IH JX1100U - (1.82.7/02) - (VAR.389) TWO CONTROL VALVES - BOSCH - PIPES (07) - HYDRAULIC SYSTEM
2
3
6
5
7
8
6
8
8
4
6
6
7
1
6
FIT
1:1
100%

Артикул

Название

Примечание

Количество

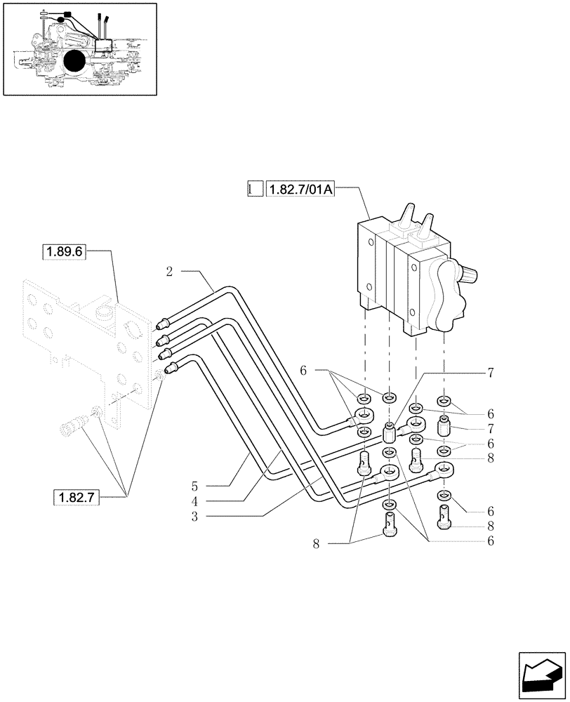
1

47131855

CONTROL VALVE

1шт.

2

47123638

HYD TUBE

502.2mm L.

1шт.

3

47123637

TUBE

570.5mm L.

1шт.

4

47123639

HYD TUBE

539.4mm L.

1шт.

5

47123640

HYD TUBE

459.9mm L.

1шт.

6

5165897

SEALING WASHER,22.7mm ID x 30mm OD x 2mm Thk

22.7 x 30 x 2

12шт.

7

5128338

HYD CONNECTOR,M22 x 1.5 x M22 x 1.5

2шт.

8

5112588

BANJO BOLT,M22 x 1.5 x 40mm

2шт.

Выбрано товаров: 8