Запчасти Case IH JX70U (1.34.2/01) - (VAR.109-110) SYNCHRONIZED MECHANICAL REVERSER UNIT -LEVER, CROSS-PIECE AND PARTS (04) - FRONT AXLE & STEERING

Схема запчастей Case IH JX70U - (1.34.2/01) - (VAR.109-110) SYNCHRONIZED MECHANICAL REVERSER UNIT -LEVER, CROSS-PIECE AND PARTS (04) - FRONT AXLE & STEERING
19
16
4
14
11
20
9
4
21
3
1.28.1/1
6
7
17
5
2
1.96.0/1
13
18
10
12
15
8
1
20
21
19
FIT
1:1
100%

Артикул

Название

Примечание

Количество

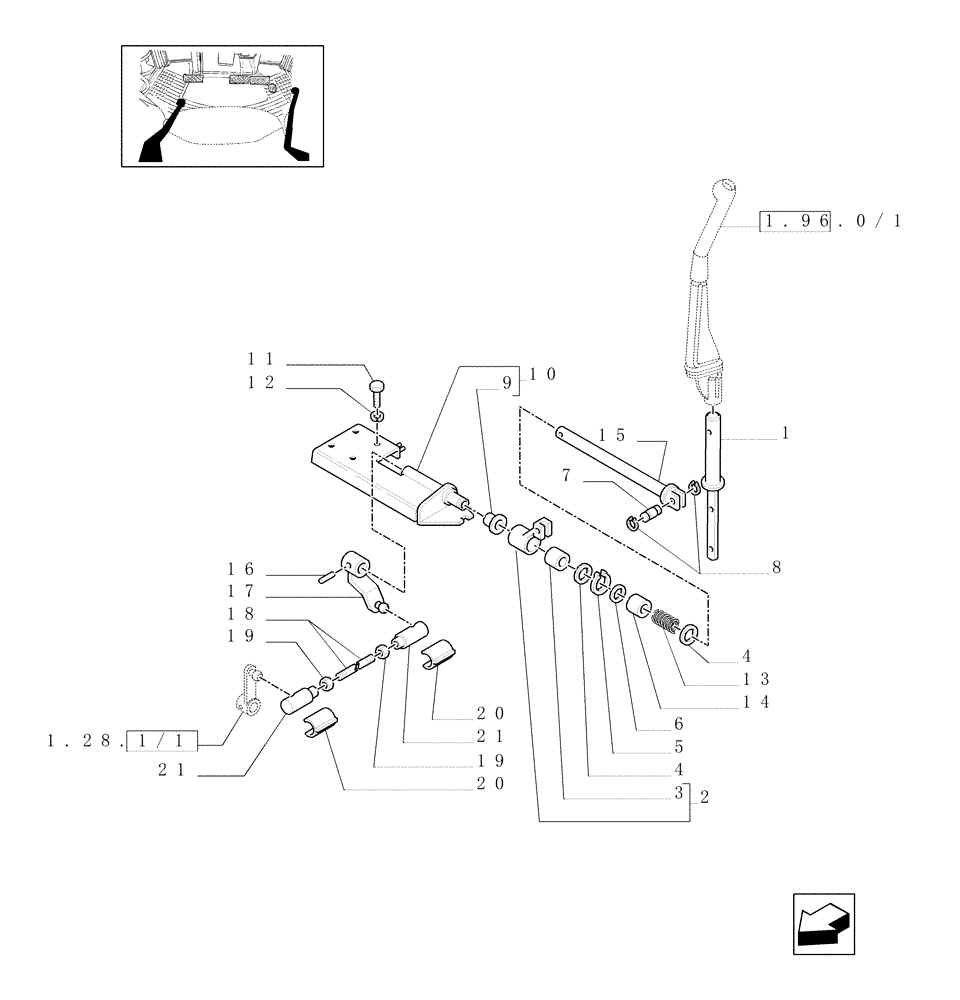
1

5173725

LEVER

1шт.

2

5173579

SUPPORT

1шт.

3

44907939

BUSHING,31.99mm ID x 36mm OD x 30mm L

32X34X30

1шт.

4

5171256

SHIM,22.1mm ID x 38mm OD x 3mm Thk

22X38X3

2шт.

5

11068076

SNAP RING,M32, Ext

1шт.

6

44907953

WASHER, THRUST,32.2mm ID x 44mm OD x 3mm Thk

32X44X3

1шт.

7

5171255

PIN,8mm OD x 34mm L

2шт.

8

11065676

SNAP RING,M8, Ext

4шт.

9

5188075

BUSHING,22mm ID x 26.27mm OD x 26mm L

Clutch Pedal, 22mm x 26mm x 26mm

2шт.

10

5173762

SUPPORT

1шт.

11

16043424

SCREW,Hex, M8 x 1.25 x 20mm, Cl 8.8, Full Thd

4шт.

12

11193874

BELLEVILLE WASHER,M8 Bolt Size x 16mm OD x 1.4mm Thk

4шт.

13

585488

SPRING

1шт.

14

5171257

SPACER,22.1mm ID x 27mm OD x 22mm L

22X27X22

1шт.

15

5173727

SHAFT

1шт.

16

14601670

LOCK PIN,M5 x 40, Slotted

1шт.

16

14607270

LOCK PIN,M8 x 40, Slotted

1шт.

17

5174555

LEVER

1шт.

18

5166698

TIE-ROD

1шт.

19

10791024

THIN NUT,Thin, M10 x 1.25, Cl 05

2шт.

20

10125674

CLAMP,15mm

2шт.

21

10124611

BALL JOINT HEAD

2шт.

Выбрано товаров: 22