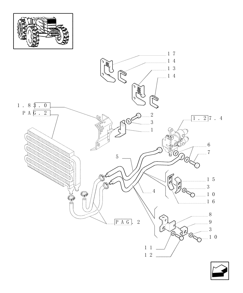
Запчасти Case IH JX80U (1.27.7[01]) - (VAR.271-272-274-276-296) (HI-LO) AND SYNCHRONIZED REVERSING GEAR - 30-40 KM/H - HEAT EXCHANGER (03) - TRANSMISSION

Схема запчастей Case IH JX80U - (1.27.7[01]) - (VAR.271-272-274-276-296) (HI-LO) AND SYNCHRONIZED REVERSING GEAR - 30-40 KM/H - HEAT EXCHANGER (03) - TRANSMISSION
6
pag.2
17
15
8
14
10
4
9
3
13
16
2
7
5
14
12
1.83.0
1
10
pag.2
11
3
1.27.4
3
FIT
1:1
100%

Артикул

Название

Примечание

Количество

1

5171382

GRILLE

W/CAB, JX80U, JX90U

1шт.

2

10902124

SCREW,Hex, M6 x 14mm, Cl 8.8

L/Cab

2шт.

3

10516474

LOCK WASHER

M6

5шт.

4

5174087

RIGID TUBE

1шт.

5

5174089

RIGID TUBE

1шт.

6

4858609

WASHER,Brass

16X22

2шт.

7

10184417

BANJO BOLT,M16 x 1.5 x 31mm

1шт.

8

5174189

BRACKET

1шт.

9

5170599

BRACKET

1шт.

10

10902624

SCREW,Hex, M6 x 25mm, Cl 8.8, Full Thd

3шт.

11

10517274

LOCK WASHER,16.2mm ID x 27.7mm OD x 4mm Thk

M16

1шт.

12

15980524

BOLT,Hex, M16 x 1.5 x 30mm, Cl 8.8, Full Thd

1шт.

13

5171372

GRILLE

1шт.

14

5124593

GASKET

L = 90

1шт.

15

5174104

BRACKET

1шт.

16

5174105

BRACKET

1шт.

17

5171381

GRILLE

W/CAB, JX9OU

1шт.

Выбрано товаров: 17