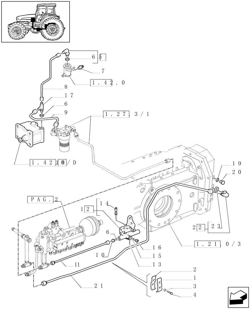
Запчасти Case IH JX80U (1.33.2/08[01]) - (VAR.275-279) POWER SHUTTLE - HI-LO - 30-40 KMH - HYDR. PTO - PIPES & VALVE SUPPORT (04) - FRONT AXLE & STEERING

Схема запчастей Case IH JX80U - (1.33.2/08[01]) - (VAR.275-279) POWER SHUTTLE - HI-LO - 30-40 KMH - HYDR. PTO - PIPES & VALVE SUPPORT (04) - FRONT AXLE & STEERING
6
21
3
6
1.42.0/d
1.27.3/1
16
8
13
20
1
1
4
2
1.21.0/3
19
22
18
15
6
23
1.42.0
14
1
7
5
pag.2
12
9
10
17
FIT
1:1
100%

Артикул

Название

Примечание

Количество

1

5174104

BRACKET

2 WD

1шт.

2

5174105

BRACKET

2 WD

1шт.

3

10516474

LOCK WASHER

M6

2шт.

4

10902624

SCREW,Hex, M6 x 25mm, Cl 8.8, Full Thd

2шт.

5

5157557

ELBOW,M18 x 1.5

1шт.

6

14437985

O-RING,15.3mm ID x 2.4mm

3шт.

7

5115055

SWITCH ASSY

Trans. Oil

1шт.

8

5185369

HYD TUBE

1шт.

9

5185206

HYD TUBE

1шт.

10

5158800

HYD CONNECTOR,M18 x 1.5 x 37.5mm L

3/4"/M18

2шт.

11

5182903

HYD TUBE

Solo 2 WD

1шт.

12

5174903

SUPPORT

NASO Only

1шт.

12

5174904

VALVE

1шт.

13

14326004

PLUG,Hex Socket, M10 x 1.25 x 11.00mm, STL, DAC

M10 x 1.25

7шт.

14

11903114

PLUG,M10 x 1.25 x 11

1шт.

15

5174927

PLUG

1шт.

16

14438185

O-RING,24mm ID x 3mm

1шт.

17

5169665

TEE

1шт.

18

5180275

HYDRAULIC PUMP,246.67 CC

Assy A31XRP2

1шт.

5180275R

REMAN-HYD PUMP

JX70U, JX80U, JX90U, JX100U all (5/02-)

1шт.

5180275C

CORE-HYDRAULIC PUMP

Return Number

1шт.

19

10263160

SEALING WASHER,M18.3 x 24 x 1

1шт.

20

10300811

PLUG,M18 x 1.5 x 14, Cl5.8

1шт.

21

5196724

HYD TUBE

1шт.

22

5155452

ELBOW

7/8"-14-M18X1.5

1шт.

23

14437985

O-RING,15.3mm ID x 2.4mm

1шт.

Выбрано товаров: 26