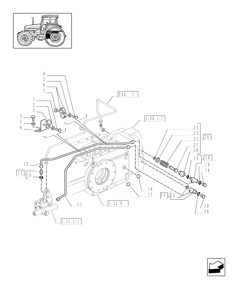
Запчасти Case IH JX80U (1.80.6/01[02]) - (VAR.007) NASO - POWER TAKEOFF - PIPES, UNIONS & VALVE (07) - HYDRAULIC SYSTEM

Схема запчастей Case IH JX80U - (1.80.6/01[02]) - (VAR.007) NASO - POWER TAKEOFF - PIPES, UNIONS & VALVE (07) - HYDRAULIC SYSTEM
13
6
23
20
1.80.1/1
14
21
1.21.0
2
15
5
3
10
11
16
1
24
18
12
pag. 1
4
15
15
18
22
17
19
2
25
19
1.33.2/1
8
9
7
FIT
1:1
100%

Артикул

Название

Примечание

Количество

1

10902124

SCREW,Hex, M6 x 14mm, Cl 8.8

1шт.

2

10516474

LOCK WASHER

D= 6

2шт.

3

5178447

BRACKET

1шт.

4

15980524

BOLT,Hex, M16 x 1.5 x 30mm, Cl 8.8, Full Thd

1шт.

5

11194274

BELLEVILLE WASHER,M16 Bolt Size x 32mm OD x 3.4mm Thk

1шт.

6

5174100

BRACKET

1шт.

7

15896221

NUT,Hex, M6, 5.20mm High, Cl 10

1шт.

8

5156399

CLAMP

2шт.

9

10902624

SCREW,Hex, M6 x 25mm, Cl 8.8, Full Thd

1шт.

10

47125351

ELBOW

7/8-14-M18X1.5

1шт.

11

5168829

HYD TUBE

1шт.

12

5168825

HYD TUBE

1шт.

13

5158800

HYD CONNECTOR,M18 x 1.5 x 37.5mm L

3/4"/M18

1шт.

14

5174050

TEE

1шт.

15

14437985

O-RING,15.3mm ID x 2.4mm

3шт.

16

14328501

PLUG,M16, Tapered

1шт.

17

5171614

PLUG,27mm OD

D = 27

1шт.

18

4858606

SEAL,10.2mm ID x 16mm OD x 1mm Thk

8X12X1.5

2шт.

19

11903040

PLUG,M10 x 1 x 11, Brass

2шт.

20

5165488

HYD CONNECTOR,M18 x 1.5, 9 mm L

1шт.

21

5165484

VALVE

1шт.

22

5105968

SPRING

1шт.

23

5165438

SHIM,9.1mm ID x 13.5mm OD x 2.5mm Thk

1шт.

24

5165486

CIRCLIP,9mm

1шт.

25

5170391

VALVE

1шт.

Выбрано товаров: 25