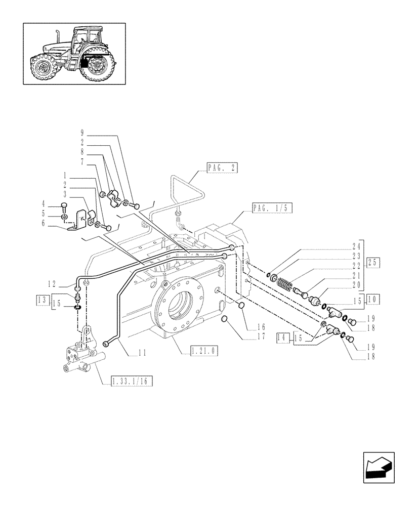
Запчасти Case IH JX80U (1.80.6/03[01]) - (VAR.727) SYNCHRO MESH GEARED POWER TAKE -OFF 540 RPM - BRACKETS - PIPES (07) - HYDRAULIC SYSTEM

Схема запчастей Case IH JX80U - (1.80.6/03[01]) - (VAR.727) SYNCHRO MESH GEARED POWER TAKE -OFF 540 RPM - BRACKETS - PIPES (07) - HYDRAULIC SYSTEM
19
6
1
21
17
pag. 1/5
7
18
16
2
pag. 2
9
11
15
14
10
15
22
24
3
1.33.1/16
13
4
12
19
20
8
25
5
18
23
1.21.0
2
15
FIT
1:1
100%

Артикул

Название

Примечание

Количество

1

10902124

SCREW,Hex, M6 x 14mm, Cl 8.8

1шт.

2

10516474

LOCK WASHER

M6

2шт.

3

5178447

BRACKET

1шт.

4

15980524

BOLT,Hex, M16 x 1.5 x 30mm, Cl 8.8, Full Thd

1шт.

5

11194274

BELLEVILLE WASHER,M16 Bolt Size x 32mm OD x 3.4mm Thk

1шт.

6

5174100

BRACKET

1шт.

7

15896221

NUT,Hex, M6, 5.20mm High, Cl 10

1шт.

8

5156399

CLAMP

2шт.

9

10902624

SCREW,Hex, M6 x 25mm, Cl 8.8, Full Thd

1шт.

10

47125351

ELBOW

1шт.

11

5168829

HYD TUBE

1шт.

12

5168825

HYD TUBE

1шт.

13

5158800

HYD CONNECTOR,M18 x 1.5 x 37.5mm L

1шт.

14

5174050

TEE

3/4" - 16UNF - M18X1,5

1шт.

15

14437985

O-RING,15.3mm ID x 2.4mm

3шт.

16

14328501

PLUG,M16, Tapered

1шт.

17

5171614

PLUG,27mm OD

D = 27

1шт.

18

4858606

SEAL,10.2mm ID x 16mm OD x 1mm Thk

2шт.

19

11903040

PLUG,M10 x 1 x 11, Brass

2шт.

20

5165488

HYD CONNECTOR,M18 x 1.5, 9 mm L

1шт.

21

5165484

VALVE

1шт.

22

5105968

SPRING

1шт.

23

5165438

SHIM,9.1mm ID x 13.5mm OD x 2.5mm Thk

1шт.

24

5165486

CIRCLIP,9mm

1шт.

25

5170391

VALVE

1шт.

Выбрано товаров: 25