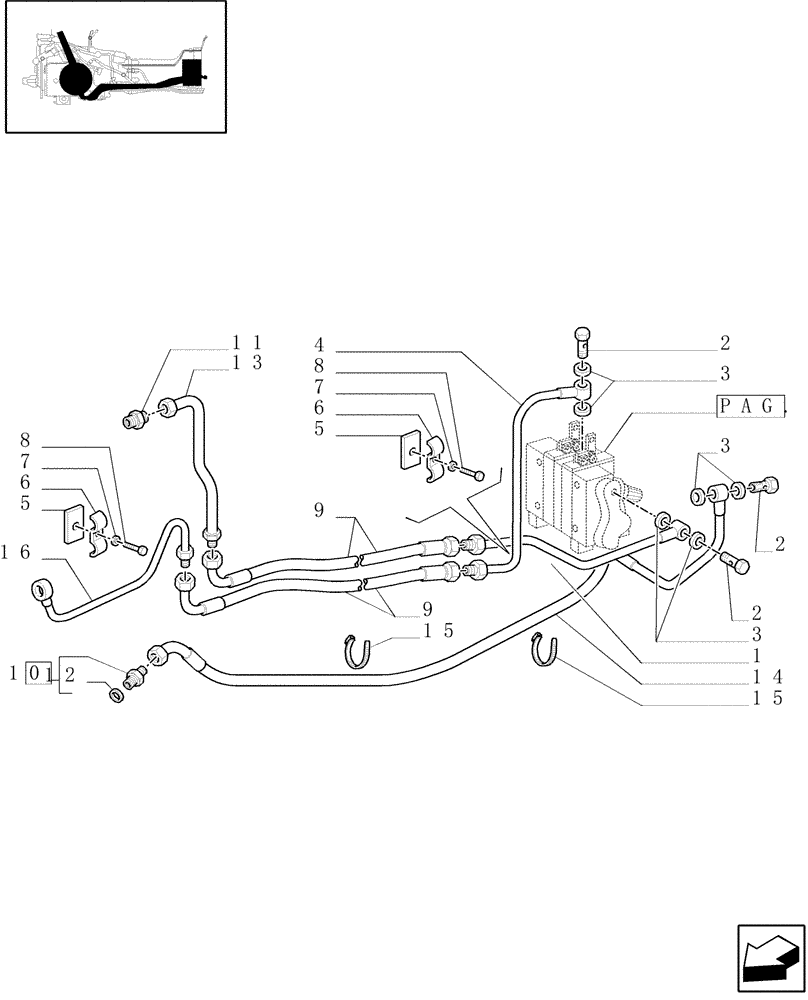
Запчасти Case IH JX90U (1.82.7/11[02]) - (VAR.386-389) TWO FRONT CONTROL VALVES - PIPES (07) - HYDRAULIC SYSTEM

Схема запчастей Case IH JX90U - (1.82.7/11[02]) - (VAR.386-389) TWO FRONT CONTROL VALVES - PIPES (07) - HYDRAULIC SYSTEM
2
3
9
13
6
5
8
pag. 1
3
6
8
5
7
7
3
16
4
15
2
12
15
10
9
2
11
1
14
FIT
1:1
100%

Артикул

Название

Примечание

Количество

1

5179390

HYD TUBE

1шт.

2

5112588

BANJO BOLT,M22 x 1.5 x 40mm

3шт.

3

5165897

SEALING WASHER,22.7mm ID x 30mm OD x 2mm Thk

22.7 x 30 x 2

6шт.

4

5179388

HYD TUBE

1шт.

5

5179404

SUPPORT

2шт.

6

5179395

CLAMP

2шт.

7

11197774

BELLEVILLE WASHER,M6 Bolt Size x 12mm OD x 1.2mm Thk

2шт.

8

10902224

SCREW,Hex, M6 x 16mm, Cl 8.8, Full Thd

2шт.

9

5179386

FLEXIBLE HOSE,16mm ID x 890mm L, SAE 100R2

2шт.

10

47123789

HYD CONNECTOR

M27X2 - 1'1/16-12

1шт.

11

5158802

HYD CONNECTOR,1-1/16" - 12 JIC x M22 x 1.5 ORB

1/16-22, (VAR.389)

1шт.

12

14438185

O-RING,24mm ID x 3mm

1шт.

13

47124962

HYD TUBE

(VAR.386), W/ELECTRONIC LIFT

1шт.

14

5179387

FLEXIBLE HOSE

1шт.

15

5112712

COLLAR,M4.8 x 283

2шт.

16

47123790

HYD TUBE

1шт.

Выбрано товаров: 16