Запчасти Case IH 200 (263) - HYDRAULIC SYSTEM, HYDRA-TOUCH SYSTEM (07) - HYDRAULIC SYSTEM

Схема запчастей Case IH 200 - (263) - HYDRAULIC SYSTEM, HYDRA-TOUCH SYSTEM (07) - HYDRAULIC SYSTEM
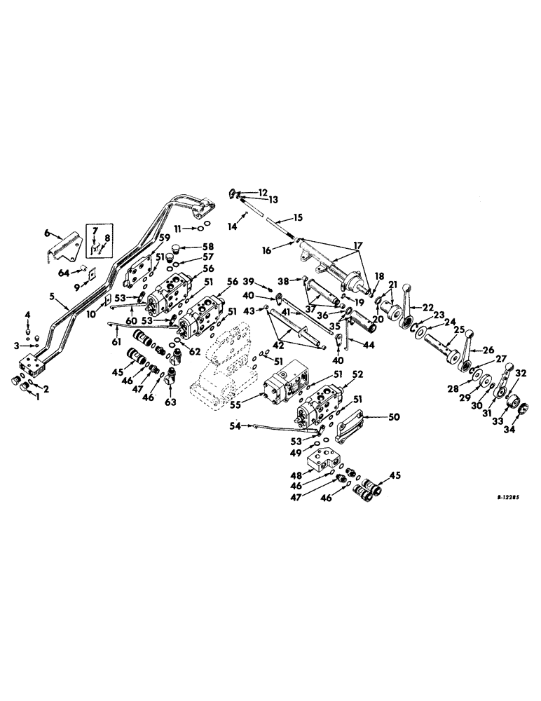
58
41
57
16
44
4
40
51
47
51
33
64
56
63
36
3
62
53
15
48
53
28
20
31
51
59
26
51
49
24
51
40
46
42
55
53
27
56
45
25
17
22
6
43
34
46
19
9
12
8
61
13
29
18
5
30
39
46
54
47
14
32
21
46
37
51
2
10
23
45
38
11
35
1
7
60
52
50
FIT
1:1
100%

Артикул

Название

Примечание

Количество

1

9410360

PLUG

junction block (A, B, C only)

2шт.

2

364885R1

O-RING,0.097" Thk x 0.755" ID, -910, Cl 6, 90 Duro

RING, seal, juction block plug (A, B, C only)

2шт.

3

369751R1

O-RING,0.072" Thk x 0.351" ID, -904, Cl 6, 90 Duro

4-1, 90 Duro, .351" ID x .072" Thk, 1/4 OD tube, Seal, Rear manifold junction block plug (A, B, C only)

2шт.

4

9410356

PLUG

rear manifold junction block (A, B, C only)

2шт.

5

369746R91

TUBES, hydraulic manifold, rear, w/block and flange (A, B, C only)

1шт.

NLS

NO LONGER SERVICED

(A, B, C only) Hex, 3/8"-16 x 1", G5

3шт.

179846

LEVER

hex-hd., 3/8-16NC x 1-7/8" (A, B, C only)

2шт.

6

374960R1

BRACKET, rear manifold (will work for 369757R1) (also order spacer, 618631R1 for service on 369757R1) (A, B, C only)

1шт.

NLS

NO LONGER SERVICED

SCREW, cap, hex-hd., 1/4-20NC x 1-5/8" (A, B, C only)

1шт.

179840

BOLT,Hex, 3/8" - 16 x 1 1/8", Gr 5

SCREW, cap, hex-hd., 3/8-16NC x 1-1/8" (A, B, C only)

2шт.

359768R1

SPACER REAR MANIFOLD CLAMP, short (for tractors without fast- hitch) (used only with 369757R1) (note A) (A, B, C only)

1шт.

7

371612R1

SUPPORT VALVE ACTUATING ROD (tractors equipped with fast-hitch having cable-type tel-a-depth system) (note A) (A, B, C only)

1шт.

8

6541H

SPACER, rear manifold clamp, long (used only with 371612R1) (note A) (A, B, C only)

1шт.

9

369758R1

CLAMP

manifold tubes, rear (A, B, C only)

1шт.

10

369758R11

CLAMP ASSEMBLY, rear manifold (A, B, C only)

1шт.

11

355965R1

O-RING,0.139" Thk x 0.921" ID, -213, Cl 5, 75 Duro

RING, sela, rear manifold control valve flange (A, B, C only)

2шт.

12

369779R11

LEVER, rear valve control handle (A, B, C only)

1шт.

13

369780R1

SPACER, rear valve control handle lever (A, B, C only)

1шт.

14

106749

KEY

Woodruff, no. 3 (A, B, C only)

1шт.

15

369776R1

SHAFT, rear valve control handle (A, B, C only)

1шт.

25-147

JAM NUT,Jam, 7/16"-14, G5

hex., jam, 7/16-14NC (A, B, C only)

2шт.

16

363767R1

BUSHING, control shaft carrier, left (A, B, C, D, H, J only)

1шт.

17

369752R11

BRACKET, hydraulic control, assembly (A, B, C, D, H, J only)

1шт.

179841

BOLT,Hex, 3/8" - 16 x 1 1/4", Gr 5

cap, hex-hd., 3/8-16NC x 1-1/4" (A, B, C, D, H, J only)

4шт.

103321

LOCK WASHER,3/8"

WASHER, LOCK, (A, B, C, D, H, J only) 3/8"

1шт.

18

363766R1

BUSHING

control shaft carrier, right (A, B, C, D, H, J only)

1шт.

19

273354

SHEAVE

FITTING, lubrication, straight drive type, 3/16" (optional with 443566) (A, B, C, D, H, J only)

1шт.

19

80722

LUBE NIPPLE,3/16" x .55" lg, Drive

FITTING, lubrication, straight drive type, 3/16" (optional with 273354) (A, B, C, D, H, J only)

1шт.

20

362517R91

SEAL

OIL SEAL, left control spacer (A, H, J only)

1шт.

21

369759R91

SPACER, left control, assembly (A, F, H, J only)

1шт.

22

369815R11

HANDLE, left control valve (B, C, D, E, F only)

1шт.

23

369820R1

RETAINER, left control valve handle shaft (B, C, D, E, F only)

1шт.

24

369769R1

WASHER, left control valve (A, B, C, D, E, H, J only)

1шт.

25

369770R11

SPACER, right control valve (A, B only)

1шт.

26

369827R11

HANDLE, right control valve (C, D, F, G, H, J only)

1шт.

27

369832R1

RETAINER, right control valve handle shaft (C, D, F, G, H, J only)

1шт.

28

369772R1

WASHER, right control (A, B, C, D, H, J only)

1шт.

29

369773R1

SPACER, quadrant (A, B, C only)

1шт.

30

372880R1

RETAINER, hydraulic control lever (E, H, J only)

1шт.

31

371474R91

HANDLE

rear control, w/plug (A, B, C only)

1шт.

32

369777R1

RING

snap, rear control handle shaft (A, B, C only)

1шт.

33

371615R1

SPACER, hydraulic control outer (E, H only)

1шт.

34

369778R1

PRODUCT GRAPHIC

EMBLEM, hydra-touch handle (A, B, C, J only)

1шт.

35

369819R91

LEVER, left control valve handle, assembly (B, C, D, E, F only)

1шт.

36

362517R91

SEAL

OIL SEAL, left control valve handle (B, C, D, E, F only)

1шт.

37

369829R91

LEVER, right control valve handle, assembly (C, D, F, G, H, J only)

1шт.

38

363768R1

BUSHING

right control valve lever (C, D, F, G, H, J only)

2шт.

39

111296

FITTING, lubrication, straight, 1/8-27 P.F.T. (optional with 127800) (B, C, D, E, F only)

1шт.

39

127800

FITTING

lubrication, straight, 1/8-27 P.F.T. (optional with 111296) (B, C, D, E, F only)

1шт.

40

369822R11

LEVER, bell crank (B, C, D, E, F only)

2шт.

443139

PIN, groove, 5/132 x 3/4" (B, C, D, E, F only)

2шт.

41

369825R1

SHAFT, ball crank lever control (B, C, D, E, F only)

1шт.

42

369823R11

HOUSING, bell crank, assembly (B, C, D, E, F only)

1шт.

179791

BOLT,Hex, 1/4" - 20 x 1/2", Gr 5

(B, C, D, E, F only) Hex, 1/4"-20 x 1/2", G5, Full Thd

1шт.

43

363767R1

BUSHING, bell crank housing (B, C, D, E, F only)

2шт.

44

369821R1

LINKAGE, bell crank upper (B, C, D, E, F only)

1шт.

107762

WASHER,3/32" x 5/8"

PIN, SPLIT, (COTTER), (B, C, D, E, F only) 3/32" x 5/8"

2шт.

16558R1

WASHER

plain, 17/64" ID x 5/8" OD x no. 16 ga. (B, C, D, E, F only)

2шт.

45

374780R91

COUPLING

self sealing female, assembly (B, E, G, H, J only)

2шт.

NSS

NOT SOLD SEPARAT

(C, D, F only)

4шт.

46

364885R1

O-RING,0.097" Thk x 0.755" ID, -910, Cl 6, 90 Duro

RING, seal, self sealing coupling connector (B, E, G, H, J only)

4шт.

NSS

NOT SOLD SEPARAT

(C, D, F only)

8шт.

47

9410204

HYD CONNECTOR,7/8"-14, 37 Degree x 7/8"-14, O-Ring

CONNECTOR, self sealing coupling (B, E, G, H, J only)

2шт.

NSS

NOT SOLD SEPARAT

(C, D, F only)

4шт.

48

371577R1

BLOCK, junction, RH valve (C, D, F, G, H, J only)

1шт.

179847

BOLT,Hex, 3/8" - 16 x 2", Gr 5

(C, D, F, G, H, J only) Hex, 3/8"-16 x 2", G5

3шт.

49

355965R1

O-RING,0.139" Thk x 0.921" ID, -213, Cl 5, 75 Duro

RING, seal, hydra-touch valve body (C, D, F, G, H, J only)

2шт.

50

366583R1

COVER, RH valve (A, B, C, J only)

1шт.

51

350667R1

O-RING,0.103" Thk x 0.674" ID, -115, Cl 5, 75 Duro

RING, seal, valve (E, G, H only)

3шт.

NSS

NOT SOLD SEPARAT

(D, F only)

6шт.

NSS

NOT SOLD SEPARAT

(A, J only)

13шт.

NSS

NOT SOLD SEPARAT

(B only)

16шт.

NSS

NOT SOLD SEPARAT

(C only)

19шт.

52

371062R92

VALVE, hydra-touch, assembly (for components see list of parts under details of "hydra-touch control valve") (C, D, F, G, J only)

1шт.

425-107

NUT,7/16"-14, G5

hex., 7/16-14NC (C, D, F, G, J only)

4шт.

19259R1

SCREW, cap, hex-hd., 7/16-14NC x 8-1/8" (J only)

4шт.

19383R1

SCREW, cap, hex-hd., 7/16-14NC x 13" (C, D, F, G, J only)

4шт.

103322

LOCK WASHER,7/16"

WASHER, LOCK, (C, D, F, G, J only) 7/16"

4шт.

53

361650R11

LEVER

hydra-touch valve actuating, assembly (A, E, G, H, J only)

1шт.

NSS

NOT SOLD SEPARAT

(B, D, F only)

2шт.

NSS

NOT SOLD SEPARAT

(C only)

3шт.

54

369833R11

LINKAGE, right control valve (C, D, F, G, H, J only)

1шт.

107762

WASHER,3/32" x 5/8"

PIN, SPLIT, (COTTER), (C, D, F, G, H, J only) 3/32" x 5/8"

2шт.

16558R1

WASHER

plain, 16/64" ID x 5/8" OD x no. 16 ga. (C, D, F, G, H, J only)

1шт.

55

360621R93

VALVE

regulator and safety, assembly (for components see list of parts under details of "regulator and safety valve") (tractors without power steering) (A, B, C, J only)

1шт.

55

370760R91

VALVE, regulator, safety and flow control, assembly (for components see list of parts under detail of "regulator, safety and flow control valve") (note A) (tractors with power steering) (A, B, C only)

1шт.

56

371061R92

VALVE, hydra-touch, assembly (for components see list of parts under details of "hydra-touch control valve") (A, D, E, F, H only)

1шт.

NSS

NOT SOLD SEPARAT

(B, C only)

2шт.

NLS

NO LONGER SERVICED

hex., 7/16-14NC (A, B, E, H only)

4шт.

19259R1

SCREW, cap, hex-hd., 7/16-14NC x 8-1/8" (A only)

4шт.

19260R1

SCREW, cap, hex-hd., 7/16-14NC x 10-1/2" (B, E, H only)

4шт.

103322

LOCK WASHER,7/16"

WASHER, LOCK, (A, B, E, H only) 7/16"

4шт.

57

364885R1

O-RING,0.097" Thk x 0.755" ID, -910, Cl 6, 90 Duro

RING, seal, hydra-touch valve plug (A, E, G, H, J only)

2шт.

NSS

NOT SOLD SEPARAT

(B, D, F only)

4шт.

NSS

NOT SOLD SEPARAT

(C only)

6шт.

58

9410360

PLUG

hydra-touch valve (A, E, G, H, J only)

2шт.

NSS

NOT SOLD SEPARAT

(B, D, F, only)

4шт.

NSS

NOT SOLD SEPARAT

(C only)

6шт.

59

361456R1

COVER, LH valve (A, B, C, J only)

1шт.

60

369826R11

LINKAGE, bell crank lower (B, C, D, E, F only)

1шт.

107762

WASHER,3/32" x 5/8"

PIN, SPLIT, (COTTER), (B, C, D, E, F only) 3/32" x 5/8"

2шт.

16558R1

WASHER

17/64" ID x 5/8" OD x no. 16 ga. (B, C, D, E, F only)

1шт.

61

369781R11

LINKAGE, rear control valve, assembly (A, B, C only)

1шт.

107762

WASHER,3/32" x 5/8"

PIN, cotter, 11/32 x 5/8" (A, B, C only)

2шт.

16558R1

WASHER

17/64" ID x 5/8" OD x no. 18 ga. (A, B, C only)

1шт.

62

364885R1

O-RING,0.097" Thk x 0.755" ID, -910, Cl 6, 90 Duro

RING, seal, valve body elbow (B, C, D, E, F only)

2шт.

63

371357R91

ELBOW

valve to coupling, 90 deg. (B, C, D, E, F only)

2шт.

64

618631R1

SPACER

rear manifold bracket (used only with bracket, 374964R1) (A, B, C only)

1шт.

373220R1

PLUG

CAP, dust self-sealing coupling (illustrated with remote control) (B, E, G, H, J only)

2шт.

NSS

NOT SOLD SEPARAT

(C, D, F only)

4шт.

370182R1

PLATE, hydraulic controls closure (illustrated with "radiator grille and hood") (A, B, C, D, H, J only)

1шт.

373193R1

SCREW, cutting, rd-hd., cr-rec., no. 10-24 x 3/8" (A, B, C, D, H, J only)

2шт.

372703R1

FLUID, "hy-tran" (quart can) (A, B, C only)

1шт.

372704R1

TRANSMISSION OIL

FLUID, "hy-tran" (gallon can) (A, B, C only)

1шт.

372705R1

FLUID

"hy-tran" (five gallon can) (A, B, C only)

1шт.

Выбрано товаров: 115