Запчасти Case IH 230 (018) - ENGINE, CRANKCASE, FRONT COVER, CAMSHAFT AND RELATED PARTS, C-123, 65001 UP (01) - ENGINE

Схема запчастей Case IH 230 - (018) - ENGINE, CRANKCASE, FRONT COVER, CAMSHAFT AND RELATED PARTS, C-123, 65001 UP (01) - ENGINE
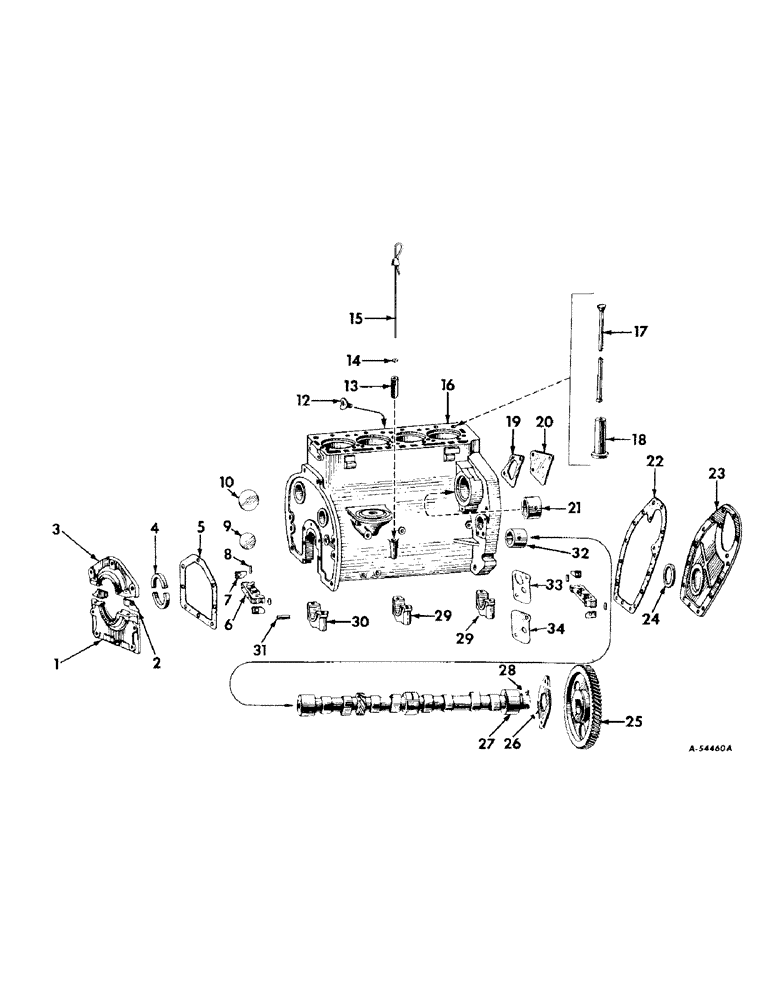
10
9
19
4
6
29
16
12
28
32
18
2
31
20
14
33
3
25
29
30
1
5
17
4
22
27
24
26
21
15
23
13
8
34
FIT
1:1
100%

Артикул

Название

Примечание

Количество

1

6102D

RETAINER

crankshaft rear oil seal, lower

1шт.

1

179817

BOLT,Hex, 5/16" - 18 x 7/8", Gr 5, Full Thd

5шт.

NLS

NO LONGER SERVICED

SCREW, cap, hex-hd., 1/4-20NC x 7/8"

2шт.

103320

LOCK WASHER,5/16"

WASHER, LOCK, 5/16"

5шт.

103319

LOCK WASHER,1/4"

WASHER, LOCK, 1/4"

2шт.

2

43447D

GASKET

crankshaft rear oil seal retainer, center

2шт.

3

6101D

RETAINER

crankshaft rear oil seal, upper

1шт.

179817

BOLT,Hex, 5/16" - 18 x 7/8", Gr 5, Full Thd

3шт.

103320

LOCK WASHER,5/16"

WASHER, LOCK, 5/16"

3шт.

4

24425D

OIL SEAL,24.61mm ID x 50.01mm OD x 4.76mm Thk

OIL SEAL, felt, crankshaft, rear

2шт.

5

43448D

GASKET

crankshaft rear oil seal retainer

1шт.

6

6100D

PLATE, crankshaft oil seal retainer, front and rear

2шт.

7

43446D

GASKET

crankshaft oil seal retainer plate

4шт.

8

43445D

PLUG, felt, crankshaft oil seal retainer plate

4шт.

9

172576

PLUG,Exp, 1 5/8"

expansion, 1-5/8"

1шт.

10

63556R1

PLUG

expansion, 1-5/8"

1шт.

12

45314DC

PLUG

water drain

1шт.

13

365936R1

SLEEVE, oil level gage

1шт.

14

34259H

WASHER, felt, oil level gage

1шт.

15

362611R11

GAUGE

GAGE, bayonet type, engine oil level, w/shield & washer,34259H

1шт.

16

367825R21

CRANKCASE ASSY (composed of (6) bolt 17091R1, (1) plug 45314DC, (1) bushing 43439DBR, (1) plug 103866, (1) bushing 373102R1, (2) plug 143997, (2) cap 367828R1 (nss), (1) plug 172576, (1) cap 367828R1 (nss) (1) plug 172592, (1) crankcase 367825R2 (nss)

1шт.

143997

PLUG

pipe, sq-socket, stl., 1/4"

2шт.

9617020

PLUG,1/4" - 18 x 0.48"

pipe, sq-hd., C.I., 1/4" (optional with 103878)

1шт.

103878

PLUG

pipe, sq-hd., stl., 1/4" (optional with 103866)

1шт.

365101R1

PLUG

crankcase oil header, 1/8"

3шт.

17

47386D

ROD

push, valve (optional with 357548R1 and 360213R91)

8шт.

17

357548R1

ROD

push, valve (optional with 47386D and 360213R91)

8шт.

17

360213R91

ROD

push, valve (optional with 47386D and 357548R1)

8шт.

18

47384D

TAPPET

valve (optional with 356979R1)

8шт.

18

356979R1

TAPPET

valve (optional with 47384D)

8шт.

19

46871D

GASKET

water passage cover

1шт.

20

367733R1

COVER, water passage (optional with 367735R1)

1шт.

20

367735R1

COVER, assembly, water passage (optional with 367733R1)

1шт.

179839

BOLT,Hex, 3/8" - 16 x 1", Gr 5

2шт.

103321

LOCK WASHER,3/8"

WASHER, LOCK, 3/8"

2шт.

21

43439DBR

BUSHING,50.77mm ID x 54.15mm OD x 33.34mm L

magneto and governor pinion

1шт.

22

46179DB

GASKET, crankcase, front cover

1шт.

23

46122DCX

COVER

crankcase, front, w/oil seal, 49177D and pointer

1шт.

179837

BOLT,Hex, 3/8" - 16 x 3/4", Gr 5

1шт.

179814

SPACER

11шт.

103320

LOCK WASHER,5/16"

WASHER, LOCK, 5/16"

11шт.

95-11034

WASHER,1/4"

plain, 11/32" I.D. x 11/16" O.D. x no. 16 ga

1шт.

95-11041

WASHER,3/8"

(13/32" ID x 13/16" OD x no. 16 ga) 3/8"

1шт.

103321

LOCK WASHER,3/8"

WASHER, LOCK, 3/8"

1шт.

24

49177D

SEAL

OIL SEAL, crankshaft, front

1шт.

25

6779DB

GEAR

camshaft (66 teeth)

1шт.

26

43249D

PLATE

thrust, camshaft (optional with 374704R1)

1шт.

26

374704R1

PLATE ASSY.

PLATE, thrust, camshaft (optional with 43249D)

1шт.

179837

BOLT,Hex, 3/8" - 16 x 3/4", Gr 5

2шт.

103321

LOCK WASHER,3/8"

WASHER, LOCK, 3/8"

2шт.

27

353609R2

PACKAGE

CAMSHAFT

1шт.

28

126-117

WOODRUFF KEY,#91, 1/4" x 3/4", HT

KEY, woodruff no. 91

1шт.

29

CAP, crankshaft, front & center bearing (not serviced separately order crankcase assembly)

2шт.

17091R1

BOLT, hex-hd., self-locking, 1/2-13NC x 3"

4шт.

58516H

WASHER,17/32" x 1 1/16" x .095", HDN

crankshaft bearing cap bolt

4шт.

30

CAP, crankshaft, rear bearing (not serviced saparately order crankcase assembly)

2шт.

17091R1

BOLT, hex-hd., self-locking, 1/2-13NC x 3"

2шт.

58516H

WASHER,17/32" x 1 1/16" x .095", HDN

crankshaft bearing cap bolt

2шт.

31

15945D

DOWEL, clutch housing

1шт.

32

373102R1

BUSHING

camshaft, front (used only with 367825R2 crankcase NSS)

1шт.

33

251067R1

COVER

hydraulic pump pad (tractors without hydra-touch supply)

1шт.

179837

BOLT,Hex, 3/8" - 16 x 3/4", Gr 5

2шт.

103321

LOCK WASHER,3/8"

WASHER, LOCK, 3/8"

2шт.

34

350708R1

GASKET

hydraulic pump pad cover (tractors without hydra-touch power supply)

1шт.

Выбрано товаров: 64