Запчасти Case IH 300 (110) - ELECTRICAL SYSTEM, CARBURETED ENGINE, BATTERY BOX (06) - ELECTRICAL SYSTEMS

Схема запчастей Case IH 300 - (110) - ELECTRICAL SYSTEM, CARBURETED ENGINE, BATTERY BOX (06) - ELECTRICAL SYSTEMS
2
5
8
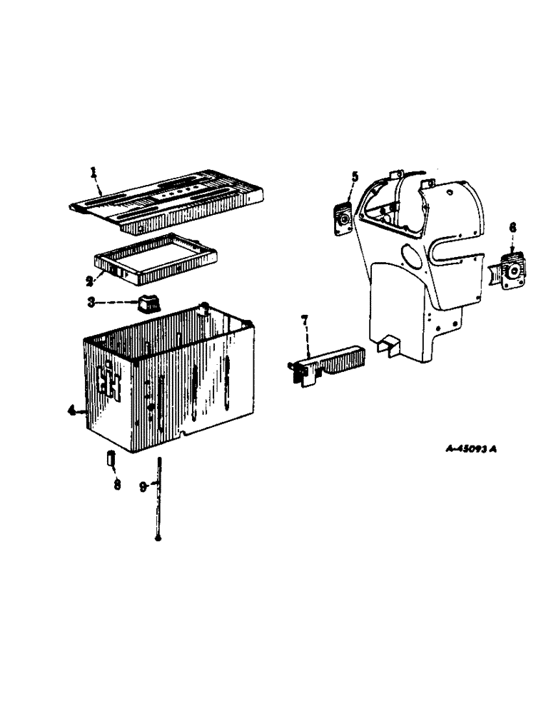
4
1
9
6
7
3
FIT
1:1
100%

Артикул

Название

Примечание

Количество

1

358275R11

COVER, battery box

1шт.

13252R1

SCREW,1/2" - 13 x 7/8"

BOLT, machine, sq-hd., 1/2-13NC x 7/8"

2шт.

102637

NUT,1/2"-13, G5

2шт.

179879

BOLT,Hex, 1/2" - 13 x 3/4", Gr 5

2шт.

103323

LOCK WASHER,1/2"

WASHER, LOCK, 1/2"

4шт.

2

359502R31

CLAMP, battery hold-down (note C) (for gasoline distillate and kerosene burning engine tractors) (w/6 volt Electrical System)

1шт.

For tractors equipped with starting and lighting system

1шт.

2

368882R91

CLAMP, battery hold-down (for gasoline, distillate and kerosene burning engine tractors) (12 volt) (note C)

1шт.

For tractors equipped with starting and lighting system

1шт.

2

358551R11

CLAMP, battery hold-down (note C) (for liquefied petroleum gas burning engine tractors), Farmall 300 series, Farmall 350 series, Serial Range: 501-4169

1шт.

For tractors equipped with starting and lighting system

1шт.

2

358279R11

CLAMP, battery hold-down (for liquefied petroleum gas burning engine tractors), Farmall 350 series, 4170 up

1шт.

3

358281R1

RUBBER, corner, battery hold-down (note C) (no longer supplied for service)

4шт.

For tractors equipped with starting and lighting system

1шт.

4

362059R92

BOX

battery

1шт.

179881

BOLT,1/2" - 13 x 1", Gr 5

2шт.

271556

WHEEL CYLINDER,Hex, 5/8" - 11 x 1 1/4", Gr 5

SCREW, cap, hex-hd., 5/8-11NC x 1-1/4"

2шт.

103323

LOCK WASHER,1/2"

WASHER, LOCK, 1/2"

2шт.

103325

LOCK WASHER,5/8"

WASHER, LOCK, 5/8"

2шт.

5

361989R91

BRACKET, headlight support, L H

1шт.

362593R91

CAPTIVE WASHER SCREW,Truss HD, 5/16" x 5/8"

SCREW, headlight support bracket, w/washer (note A)

4шт.

For tractors equipped with fine thread attaching parts

1шт.

106623

CORK, no. 8, standard, 7/8 x 1-1/16" long (used to plug hole on tractors without starting and lighting system)

1шт.

362664R91

SCREW,Truss HD, 5/16" - 18 x 5/8"

machine, cross-recess-truss-hd., w/washer (note B)

4шт.

For tractors equipped with coarse thread attaching parts

1шт.

6

361992R91

BRACKET, headlight support, R H

1шт.

362593R91

CAPTIVE WASHER SCREW,Truss HD, 5/16" x 5/8"

SCREW, headlight support bracket, w/washer (note A)

4шт.

For tractors equipped with fine thread attaching parts

1шт.

106623

CORK, no. 8, standard, 7/8 x 1-1/16" long (used to plug hole on tractors without starting and lighting system)

1шт.

7

362135R1

COVER, battery cable (note C)

1шт.

For tractors equipped with starting and lighting system

1шт.

179791

BOLT,Hex, 1/4" - 20 x 1/2", Gr 5

(Note C) Hex, 1/4"-20 x 1/2", G5, Full Thd

2шт.

For tractors equipped with starting and lighting system

1шт.

103319

LOCK WASHER,1/4"

WASHER, LOCK, (Note C) 1/4"

2шт.

For tractors equipped with starting and lighting system

1шт.

8

364410R1

SPACER,1/2" Pipe x 1 3/8"

battery to ground strap (will work for 358285R1)

1шт.

9

358277R2

BOLT,Sq Nk, 5/16" - 18 x 9-1/4"

battery hold-down (note C)

2шт.

For tractors equipped with starting and lighting system

1шт.

129-419

WING NUT,5/16"-18

NUT, wing, 5/16-18NC (note C)

2шт.

For tractors equipped with starting and lighting system

1шт.

28950D

WASHER

plain, 21/64" I.D. X 5/8" O.D. x no. 16 ga (note C)

2шт.

For tractors equipped with starting and lighting system

1шт.

Выбрано товаров: 42