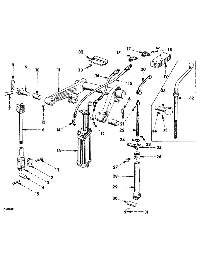
Запчасти Case IH 300 (333) - ATTACHMENTS, ROCKSHAFT, LIFT & LEVELING LINK, HYDRAULIC CYLINDER & CONNECTIONS Attachments

Схема запчастей Case IH 300 - (333) - ATTACHMENTS, ROCKSHAFT, LIFT & LEVELING LINK, HYDRAULIC CYLINDER & CONNECTIONS Attachments
7
28
32
30
1
24
8
32
8
13
25
22
33
34
18
15
20
9
19
11
29
33
12
16
23
14
17
17
35
27
21
5
26
4
31
10
6
14
12
3
2
FIT
1:1
100%

Артикул

Название

Примечание

Количество

1

522855R1

PIN,12.7mm OD x 66.67mm L

vertical float lock-out housing

1шт.

520175R1

CLIP

PIN, quick-attachable

1шт.

2

523085R1

BLOCK

lift link float

1шт.

3

522818R1

YOKE

HOUSING, lift link float

1шт.

4

522849R1

PIN

lift link pivot

1шт.

5

522856R1

PIN,12.7mm OD x 63.5mm L

lift link float, Serial Range: housing-pivot

1шт.

13068R1

PIN,3/16" x 1"

Split (Cotter), 3/16" x 1"

1шт.

6

522997R11

ROD

LINK, lift, LH

1шт.

7

523113R1

CLEVIS PIN,19.05mm OD x 60.33mm L

PIN, lift link clevis

1шт.

8

520175R1

CLIP

PIN, quick-attachable

2шт.

9

523090R1

PIN

EYE-BOLT, rockshaft arm, LH

1шт.

13139R1

PIN, cotter, 1/4 x 1-3/4"

1шт.

Q3482

WASHER

plain, 1-5/32" ID x 1-3/4" OD x 11 ga.

1шт.

10

523092R1

BUSHING,28.63mm ID x 33.45mm OD x 63.5mm L

rockshaft arm

2шт.

11

523095R93

ROCKSHAFT, assembly

1шт.

12

80710

LUBE NIPPLE,1/8” – 27 Dryseal PTF

NIPPLE, LUBE, 1/8"-27 x .66 lg

2шт.

13

366275R91

CYLINDER, hydraulic (3-1/2 x 8"), assembly (For components see list of parts under detail of "Hydraulic Cylinders")

1шт.

14

444496

ELBOW, street, automotive pipe, 45 degrees, brs., 1/2"

2шт.

15

366831R91

HOSE

check valve to cylinder (1/2" ID x 33" long) (Column A)

1шт.

15

355543R91

HOSE

check valve to cylinder (1/2" ID x 37-1/2" long) (Column B)

1шт.

365240R1

PLUG, pipe, sq-socket, stl., 1/2" (In rear junction block upper hole)

1шт.

16

366831R91

HOSE

check valve to cylinder (1/2" ID x 33" long) (Column A)

1шт.

16

355543R91

HOSE

check valve to cylinder (1/2" ID x 37-1/2" long) (Column B)

1шт.

17

364148R1

ELBOW

street, 1/2" x 90 degrees

2шт.

18

253070R1

O-RING,0.139" Thk x 0.859" ID, -212, Cl 5, 75 Duro

RING, seal, check valve

2шт.

19

363452R91

VALVE

check, assembly (For components see list of parts under details of "Check Valve")

1шт.

179847

BOLT,Hex, 3/8" - 16 x 2", Gr 5

3шт.

20

523861R1

GRIP

HANDLE, leveling screw

1шт.

576483R1

LOCK PIN,5/16" x 1 1/2", Slotted

Pin, 5/16" x 1 1/2", Slotted

1шт.

21

86636814

LUBE NIPPLE,1/4"-28 x .52" lg

FITTING, lubrication, straight, 1/4-28NF

1шт.

22

523864R11

ADJUSTMENT SCREW

SCREW, leveling, w/collar

1шт.

23

441012R1

LOCK PIN,1/4" x 7/8", Slotted

Pin, (In leveling screw) 1/4" x 7/8", Slotted

1шт.

24

522850R1

WASHER

WASHER, pivot (On leveling screw)

1шт.

25

523863R1

PIVOT

EYE-BOLT, leveling screw pivot

1шт.

Q3482

WASHER

plain, 15/32" ID x 1-3/4" OD x No. 11 ga.

1шт.

26

522816R1

COLLAR

vertical float lock-out

1шт.

27

113020

SET SCREW,Sq Hd, 5/8"-11 x 1"

SCREW, set, sq-hd., cone point, 5/8 x 1"

1шт.

28

86636814

LUBE NIPPLE,1/4"-28 x .52" lg

FITTING, lubrication, straight, 1/4-28NF

1шт.

29

522819R1

HOUSING

leveling screw

1шт.

30

522849R1

PIN

leveling screw housing pivot

1шт.

31

522856R1

PIN,12.7mm OD x 63.5mm L

leveling screw, Serial Range: housing-pivot

1шт.

13068R1

PIN,3/16" x 1"

Split (Cotter), 3/16" x 1"

1шт.

32

366347R1

BRACKET, hose support

1шт.

179890

LATCH

SCREW, cap, hex-hd., 1/2-13NC x 2-1/4"

1шт.

33

27469H

SPACER, hose support bracket

1шт.

34

522822R11

CRANK, leveling screw (Order eye-bolt, 523863R1, handle, 523861R1 pin, 576483R1, screw, 523864R11) (Column A)

1шт.

35

523120R1

EYE-BOLT, leveling screw pivot (Used only with crank, 522822R11) (Column A)

1шт.

36

523522R1

SPRING, leveling screw pivot eye-bolt (Used only with eye-bolt, 523120R1) (Column A)

1шт.

Выбрано товаров: 48