Запчасти Case IH 300-SERIES (152) - HYDRAULIC CONTROLS AND LEVER, FOR EAGLE HITCH OR REMOTE CONTROL (08) - HYDRAULICS

Схема запчастей Case IH 300-SERIES - (152) - HYDRAULIC CONTROLS AND LEVER, FOR EAGLE HITCH OR REMOTE CONTROL (08) - HYDRAULICS
FIT
1:1
100%

Артикул

Название

Примечание

Количество

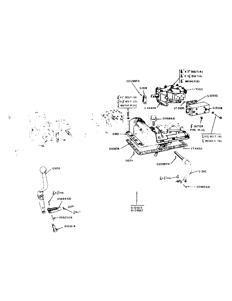
G1103

LEVER

- hydraulic hand control

1шт.

G1108

ARM ASSY.

BELLCRANK - control valve crank

1шт.

G1110

HOUSING - hydraulic pump and adapter

1шт.

3/8" X 1" HEX. HD. BOLT UNC

9шт.

3/8" X 1-3/4" HEX. HD. BOLT, UNC

2шт.

3/8" LOCKWASHER

11шт.

G10711

PIN

- dowel (1/2" x 3/4") (Rear)

1шт.

G10876

GASKET

- adapter housing to torque tube

1шт.

G10914

BOLT - control lelver pivot (1/2" x 2-1/2")

1шт.

G10917

ROD - control (32-3/16" long) (301, 311 gen. purpose)

1шт.

3/8" HEX. NUT UNF

1шт.

G10930

GASKET

- interlock to control valve

1шт.

G10967

ROD - control (29-3/16" long) (300, 310 utility)

1шт.

3/8" HEX. NUT, UNF

1шт.

G13106

HYDRAULIC INTERLOCK

1шт.

5/16" X 2-1/2" HEX. HD. BOLT, UNC w/lockwasher

4шт.

3/8" P.T. PIPE PLUG CTSK. HEAD

1шт.

G131110

CRANK - valve control

1шт.

G13983

HYDRAULIC CONTROL VALVE (Includes Vt4913 ball and VT2006 spring)

1шт.

5/16" X 3-1/4" HED. HD. BOLT, UNC

4шт.

5/16" X 3" HEX. HD. BOLT, UNC

4шт.

5/16" LOCKWASHER

8шт.

G46838

GASKET

- valve to adapter housing

1шт.

O5894AB

YOKE

CLEVIS - control rod

1шт.

O5925AB

X

PIN - clevis

2шт.

3/32" X 3/4" COTTER PIN

2шт.

O7166AB

X

BREATHER - adalter housing

1шт.

O2098FH

X

ROLL PIN - (1/4" X 1) bellcrank

2шт.

VT4453

X

PIN DOWEL, 3/8" x 3/4" (Front)

1шт.

Выбрано товаров: 29