Запчасти Case IH 300-SERIES (096) - SHUTTLE GEAR HOUSINGS AND LOW RANGE GEAR HOUSINGS (06) - POWER TRAIN

Схема запчастей Case IH 300-SERIES - (096) - SHUTTLE GEAR HOUSINGS AND LOW RANGE GEAR HOUSINGS (06) - POWER TRAIN
FIT
1:1
100%

Артикул

Название

Примечание

Количество

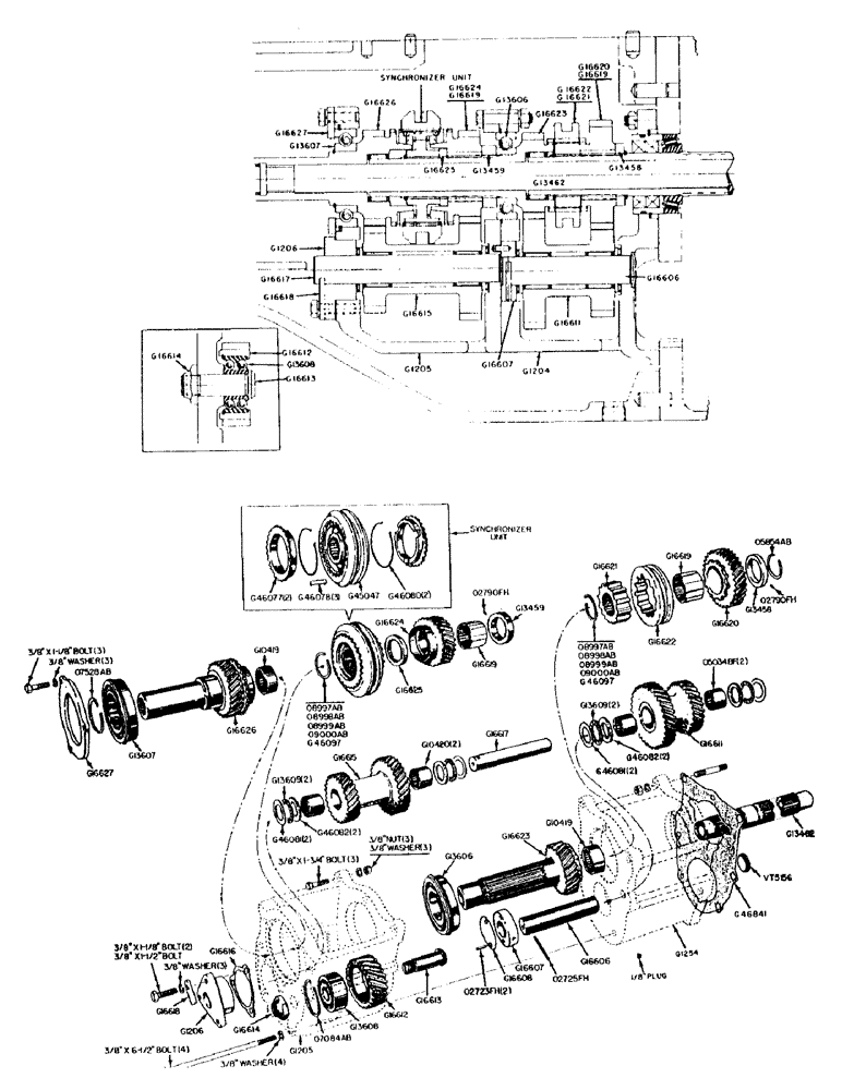
G1205

HOUSING

- reverse shuttle gear

1шт.

3/8" X 1-3/4" NF HEX. HD. BOLT W/HEX. NUT AND LOCKWASHER

3шт.

3/8" X 6-1/2" NC HEX. HD. BOLT W/LOCKWASHER

4шт.

G1206

RING

BUSHING - front, countershaft

1шт.

3/8" X 1-1/8" NC HEX. HD. BOLT W/LOCKWASHER

2шт.

G10419

NEEDLE BEARING

BEARING - needle, shuttle input gear (Torrington #BH2212)

1шт.

G10420

NEEDLE BEARING

BEARING - needle, countershaft cluster gear (Torrington #B1616)

2шт.

G13459

COLLAR

- thrust, shuttle output gear, includes O2790FH roll pin

1шт.

G13607

BALL BEARING

BEARING - ball, w/snap ring, shuttle input gear (N.D. #43210LY1A)

1шт.

G13608

BALL BEARING

BEARING - ball, double, shuttle reverse idler gear (N.D. #5304LY1A)

1шт.

G13609

THRUST BEARING,25.4mm ID x 39.67mm OD x 1.98mm W

BEARING, THRUST, Shuttle countershaft (Torrington #NTA1625)

2шт.

G16612

GEAR

- reverse idler, shuttle (24T)

1шт.

G16613

STUD

- reverse idler gear, shuttle

1шт.

G16614

NUT

- idler gear stud

1шт.

G16615

GEAR

- cluster, shuttle countershaft (25T and 30T)

1шт.

G16616

SHIM,.005" Thk

Cluster gear .005" Thk

1шт.

G16617

SHAFT

COUNTERSHAFT - cluster gear, shuttle

1шт.

G16618

LATCH

LOCK - countershaft

1шт.

3/8" X 1-1/2" NC HEX. HD. BOLT W/LOCKWASHER

1шт.

G16619

SLEEVE

- output gear, shuttle

1шт.

G16624

GEAR

- output, shuttle (27T)

1шт.

G16625

COLLAR

- thrust, shuttle output gear

1шт.

G16626

GEAR

- input, shuttle (28T)

1шт.

G16627

RETAINER

- bearing, input gear

1шт.

3/8" X 1-1/8" NC HEX. HD. BOLT W/LOCKWASHER

3шт.

G45047

HUB AND SLEEVE - synchronizer unit

1шт.

G46077

RING

- blocking, synchronizer unit

2шт.

G46078

PLATE

- shifter, synchronizer unit

3шт.

G46080

X

SPRING - synchronizer unit

2шт.

G46081

BEARING WASHER

WASHER - thrust, outer, shuttle countershaft (.031")

2шт.

G46082

WASHER

- thrust, inner, shuttle countershaft (.125")

2шт.

G46097

RING

SNAP RING - synchronizer unit to G16624 gear (.087")

1шт.

O7084AB

X

SNAP RING - G13608 bearing to reverse idler gear G16612

1шт.

O7528AB

X

SNAP RING - G13607 bearing to shuttle input gear G16626

1шт.

O8997AB

X

SNAP RING - shift collar carrier G16621 and G45049 synchronizer unit to main shaft (.076")

1шт.

O8998AB

X

SNAP RING - shift collar carrier G16621 and G45049 synchronizer unit to main shaft (.080")

1шт.

O8999AB

X

SNAP RING - shift collar carrier G16621 and G45049 synchronizer unit to main shaft (.083")

1шт.

O9000AB

X

SNAP RING - synchronizer unit to G16624 gear (.091")

1шт.

O2790FH

ROLL PIN - thrust collar G13459 (5/64" x 3/8")

1шт.

G1254

HOUSING - low range gear

1шт.

1/8" SQ. HD. PIPE PLUG

1шт.

G10419

NEEDLE BEARING

BEARING - needle, low range input gear (Torrington #BH2212)

1шт.

G13458

COLLAR

- thrust, low range output gear, includes O2790FH roll pin

1шт.

G1204

HOUSING - low range gear

1шт.

G10343

X

GASKET - low range gear, Serial Range: housing-transmission

1шт.

G10419

NEEDLE BEARING

BEARING - needle, low range input gear (Torrington #BH2212)

1шт.

G13458

COLLAR

- thrust, low range output gear, includes O2790FH roll pin

1шт.

G13606

BALL BEARING

BEARING - ball, w/snap ring, low range input gear (N.D. #43208LY1A)

1шт.

G13609

THRUST BEARING,25.4mm ID x 39.67mm OD x 1.98mm W

BEARING, THRUST, Low range countershaft (Torrington #NTA1625)

2шт.

G16606

SHAFT

COUNTERSHAFT - low range

1шт.

G16607

COLLAR

- countershaft, low range

1шт.

G16608

SHIM,.005" Thk

Countershaft .005" Thk

1шт.

G16611

GEAR

- cluster, low range countershaft (34T and 27T)

1шт.

G16619

SLEEVE

- output gear, low range

1шт.

G16620

GEAR

- output, low range (32T)

1шт.

G16621

CARRIER

- shift collar, low range (24T)

1шт.

G16622

X

COLLAR - shift, low range

1шт.

G16623

GEAR

- input, low range (25T)

1шт.

G46081

BEARING WASHER

WASHER - thrust, outer, low range countershaft (.031")

2шт.

G46082

WASHER

- thrust, inner, low range countershaft (.125")

2шт.

G46097

RING

SNAP RING - shift collar G16621 to main shaft (.087")

1шт.

G46841

GASKET

- low range gear, Serial Range: housing-transmission

1шт.

O5854AB

X

SNAP RING - thrust collar to main shaft, low range

1шт.

O8997AB

X

SNAP RING - shift collar G16621 to main shaft (.076")

1шт.

O8998AB

X

SNAP RING - shift collar G16621 to main shaft (.080")

1шт.

O8999AB

X

SNAP RING - shift collar G16621 to main shaft (.083")

1шт.

O9000AB

X

SNAP RING - shift collar G16621 to main shaft (.091")

1шт.

O5034BF

X

BEARING - needle, countershaft cluster gear, low range (Torrington #BH1616OH)

2шт.

O2723FH

X

ROLL PIN - countershaft collar (3/16" x 1/2")

2шт.

O2725FH

X

ROLL PIN - collar to countershaft (3/16" x 2")

1шт.

O2790FH

ROLL PIN - thrust collar G13458 (5/64" x 3/8")

1шт.

VT5156

PLUG - rear, low range gear housing (1-1/2" Welch)

1шт.

Выбрано товаров: 72