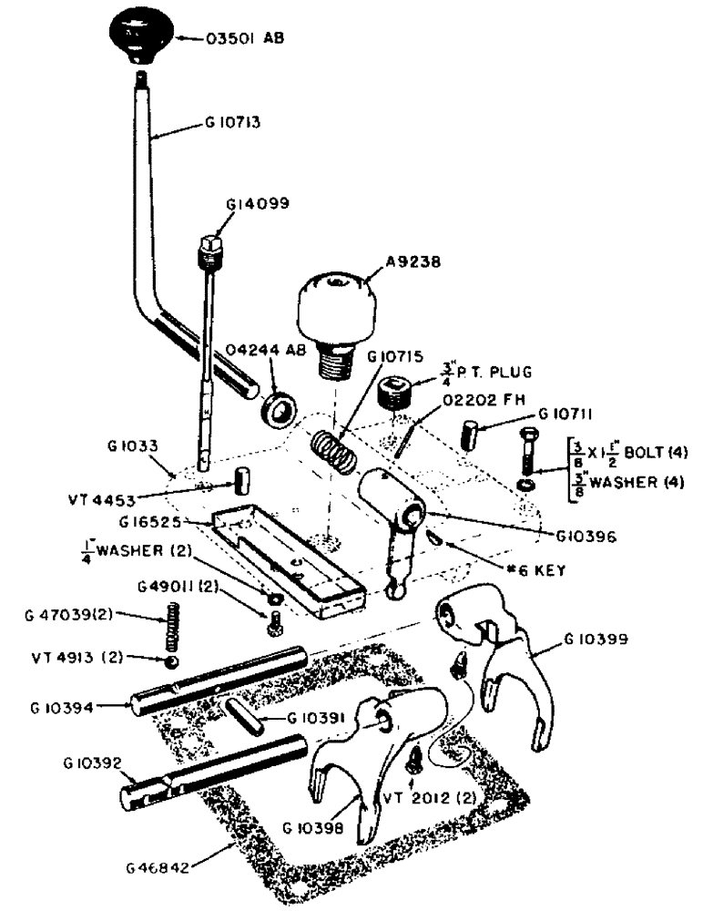
Запчасти Case IH 300-SERIES (100) - TRIPLE RANGE CONTROL COVER (06) - POWER TRAIN

Схема запчастей Case IH 300-SERIES - (100) - TRIPLE RANGE CONTROL COVER (06) - POWER TRAIN
FIT
1:1
100%

Артикул

Название

Примечание

Количество

A9238

BREATHER

- hydraulic oil (Torque tube)

1шт.

A10059

FILTER, ELEMENT

ELEMENT - for A9238 breather

1шт.

G1033

COVER - "Tripl-Range" control

1шт.

3/4" P.T. PIPE PLUG, std., ctsk. head

1шт.

3/8" X 1-1/2" HEX. HD. BOLT UNC FIN. W/LOCKWASHER

4шт.

G10391

PLUG - shift rail interlock (1.700")

1шт.

G10392

RAIL - shift (Direct and high range)

1шт.

G10394

RAIL - shift (Low range)

1шт.

G10396

LEVER - fork shift (Low range)

1шт.

G10398

FORK TEDDER

FORK - shift (Direct and high range)

1шт.

G10399

FORK - shift (Low range)

1шт.

G10711

PIN

- dowel, cover to torque tube (Rear) 1/2" x 3/4"

1шт.

G10713

LEVER

- "Tripl-range" control

1шт.

#6 WOODRUFF KEY

1шт.

G10715

VALVE SPRING

SPRING - control lever selector

1шт.

G14099

TUBE,1.5, 3.562" L

DIPSTICK - hydraulic oil level

1шт.

G16525

DEFLECTOR - oil, under cover

1шт.

G46842

GASKET

- control cover to torque tube

1шт.

G47039

SPRING

- shift rail detent

2шт.

G49011

BOLT - drilled, oil filter

2шт.

1/4" LOCKWASHER

1шт.

O3501AB

X

KNOB - "Tripl-Range" shift

1шт.

O4244AB

OIL SEAL - shift lever

1шт.

O2202FH

X

ROLL PIN - shift lever retaining

1шт.

VT2012

X

SCREW - shift for lock

2шт.

VT4453

X

PIN - dowel (Cover to torque tube) front, 3/8" x 3/4"

1шт.

VT4913

X

BALL - shift rail interlock detent

2шт.

Выбрано товаров: 0