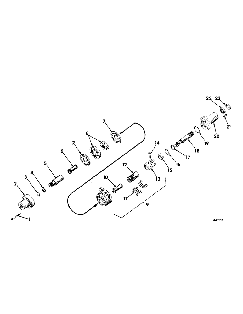
Запчасти Case IH 340 (173) - STEERING MECHANISM, POWER STEERING UNIT, FARMALL 340 SERIES Steering Mechanism

Схема запчастей Case IH 340 - (173) - STEERING MECHANISM, POWER STEERING UNIT, FARMALL 340 SERIES Steering Mechanism
20
12
7
3
15
21
19
2
13
6
5
1
17
16
9
18
14
23
8
7
22
11
10
4
FIT
1:1
100%

Артикул

Название

Примечание

Количество

373069R92

UNIT, hydraulic power steering

1шт.

1

374538R1

SCREW, power cap 1/4 x 2"

7шт.

2

374536R1

HOUSING, power end

1шт.

3

355965R1

O-RING,0.139" Thk x 0.921" ID, -213, Cl 5, 75 Duro

power end (15/16 x 1-3/16 x 1/8")

1шт.

4

374537R1

SPECIAL WASHER

seal ring retainer

1шт.

5

374535R91

SHAFT

ASSEMBLY, power end

1шт.

6

374532R1

DRIVE, power end

1шт.

7

374534R1

PLATE, gerotor

2шт.

8

374533R91

ROTOR

GEROTOR SET

1шт.

9

374523R91

HOUSING ASSEMBLY, sleeve and spool (less reference 10)

1шт.

10

374531R1

DRIVE, control end

1шт.

11

374525R1

SPRING

centering

6шт.

12

SPOOL, (not serviced separately) order 374523R91

1шт.

13

SLEEVE, (not serviced separately) order 374523R91

1шт.

14

374524R1

PIN

control, Serial Range: sleeve-spool

1шт.

15

374529R1

BUSHING

RACE, control shaft thrust bearing (inner)

1шт.

16

16006R1

BALL

control shaft locating

14шт.

17

374528R1

RACE

control cap thrust bearing

1шт.

18

374530R1

SHAFT, control

1шт.

19

364108R1

O-RING,0.103" Thk x 1.799" ID, -133, Cl 5, 75 Duro

control end cap (1-13/16 x 2 x 3/32")

1шт.

20

374898R91

CAP

ASSEMBLY, control end, composed of (1) bearing 371221R91, (1) oil seal 374527R91, (1) seal ring 364108R1

1шт.

21

374540R1

BOLT,1/4" - 20 x 3/4"

SCREW, control end 1/4 x 3/4"

4шт.

22

371221R91

BEARING, NEEDLE,Needle, 22.21mm ID x 28.59mm OD x 9.52mm W

BEARING, control shaft needle

1шт.

23

374527R91

SEAL

OIL SEAL, control end cap

1шт.

374539R1

FLUID

SEALANT, loctite cap screw

1шт.

Выбрано товаров: 25