Запчасти Case IH 340 (201) - HYDRAULIC SYSTEM, ENGINE DRIVEN HYDRA-TOUCH POWER SUPPLY, FARMALL & INTERNATIONAL 340 (07) - HYDRAULIC SYSTEM

Схема запчастей Case IH 340 - (201) - HYDRAULIC SYSTEM, ENGINE DRIVEN HYDRA-TOUCH POWER SUPPLY, FARMALL & INTERNATIONAL 340 (07) - HYDRAULIC SYSTEM
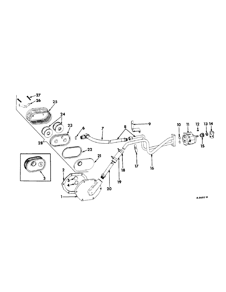
21
28
7
16
11
9
20
23
25
9
13
6
14
22
1
15
18
8
10
12
26
17
3
2
27
24
FIT
1:1
100%

Артикул

Название

Примечание

Количество

370947R93

PART ACCESSORY, hydra-touch power supply (9 GPM pump) (for tractors with Hydra-Touch System)

1шт.

1

370957R1

COVER, oil strainer, Farmall 340 Series, 501 to 7585, International 340 Series, Serial Range: 501-10714

1шт.

1

377874R1

COVER, oil strainer, Farmall 340 Series, 7586 up, International 340 Series, 10715 up (Replaces 378334R1)

1шт.

.

SCREW, 3/8 x 1-1/8" cap

1шт.

.

SCREW, 3/8 x 1-3/8" cap

5шт.

.

WASHER, 3/8" lock

6шт.

2

370801R1

GASKET

oil strainer cover

1шт.

3

370883R92

STRAINER ASSY.

STRAINER ASSEMBLY, oil (order package, 374989R91)

1шт.

4

370944R1

O-RING,0.07" Thk x 1.364" ID, -28, Cl 5, 75 Duro

oil strainer plug (1-3/8 x 1-1/2 x 1/16")

1шт.

5

370959R1

PLUG, oil strainer, Farmall 340, 501 to 3641, International 340, Serial Range: 501-3515

1шт.

5

373695R1

PLUG, oil strainer, Farmall 340, 3642 up, International 340, 3516 up

1шт.

6

297459R1

O-RING,0.116" Thk x 1.048" ID, -914, Cl 6, 90 Duro

hydraulic pump pressure hose (1-3/64 x 1-19/64 x 1/8")

1шт.

7

371386R91

HOSE ASSY.

HOSE, hydraulic pump pressure

1шт.

8

371384R91

MANIFOLD HOSE and TUBE ASSEMBLY, hydraulic pump

1шт.

9

370953R11

BRACKET ASSEMBLY, manifold tube support

1шт.

10

355965R1

O-RING,0.139" Thk x 0.921" ID, -213, Cl 5, 75 Duro

hydraulic pump flange (15/16 x 1-3/16 x 1/8")

2шт.

11

368633R91

PUMP

ASSEMBLY, hydraulic (Thompson) (for components see list of parts under details of "Hydraulic Pump") (optional with 368894R92)

1шт.

11

1949256C1

REMAN-HYD PUMP

Remanufactured Pump

1шт.

11

1949257C1

CORE-HYDRAULIC PUMP

Return Number, Pump

1шт.

.

SCREW, 3/8 x 3-1/4" hex-hd. cap

2шт.

.

WASHER, 3/8" lock

2шт.

11

376993R94

PUMP, HYDRAULIC

PUMP ASSEMBLY, hydraulic (Pesco) (for components see list of parts under details of "Hydraulic Pump") (optional with 368633R91) (Replaces 368894R92)

1шт.

376993R94

PUMP, HYDRAULIC

SCREW, 3/8 x 3-1/2" hex-hd. cap (Replaces DASHPART)

2шт.

.

WASHER, 3/8" lock

2шт.

12

124543

WOODRUFF KEY,#3, 1/8" x 1/2", HT

1шт.

13

351818R1

WASHER

hydraulic pump drive gear

1шт.

14

350708R1

GASKET

hydraulic pump

1шт.

15

350709R1

GEAR

hydraulic pump drive (16 teeth)

1шт.

.

NUT, 3/8NF jam

1шт.

16

371385R91

FLANGE ASSEMBLY, hydraulic pump

1шт.

.

NUT, 3/8NF

2шт.

.

SCREW, 3/8NF x 3-3/4" hex-hd. cap

2шт.

.

WASHER, 3/8" lock

2шт.

17

370955R1

CLAMP, manifold tube

1шт.

.

NUT, 5/16NF

1шт.

.

SCREW, 5/16NF x 1-3/8" hex-hd. cap

1шт.

.

WASHER, 5/16" lock

1шт.

18

39128H

CLAMP

hydraulic pump suction hose

2шт.

19

369428R1

HOSE

hydrualic pump suction

1шт.

20

371387R1

TUBE, hydraulic pump suction

1шт.

21

374995R11

SUPPORT ASSEMBLY, oil filter element

1шт.

22

374994R1

RETAINER, oil filter element

1шт.

23

374996R1

GASKET

oil filter element support

1шт.

24

375085R91

FILTER

PACKAGE, oil filter element (consists of two elements, gasket, 370801R1 and gasket, 374996R1)

1шт.

25

374991R91

SCREEN ASSEMBLY, oil filter

1шт.

26

374997R1

SPRING, oil filter retainer

1шт.

27

375097R1

SCREW, oil filter

2шт.

28

374990R91

NO LONGER SERVICED

FILTER ASSEMBLY, tandem oil (less elements)

1шт.

9410358

PLUG

power steering return port

1шт.

364839R1

O-RING,0.078" Thk x 0.468" ID, -906, Cl 6, 90 Duro

6-1, 90 Duro, .468" ID x .078" Thk, power steering return port plug

1шт.

9410362

PLUG,Hex Hd, 1 3/16"-12 ORB

7/8" OD tubing cd-pltd. (o-ring type)

1шт.

297459R1

O-RING,0.116" Thk x 1.048" ID, -914, Cl 6, 90 Duro

7/8" OD tubing plug (1-2/64 x 1-19/64 x 1/8")

1шт.

374989R91

FILTER

PACKAGE, tandem oil filter service (will work for 370883R92) (consists of filter, 374990R91 and package, 375085R91)

1шт.

374959R1

TROUGH, oil (illustrated with "Rear Frame, Transmission Oil Filter and Suction Tube")

1шт.

370345R2

SCREW, oil trough mounting

1шт.

.

SCREW, 7/16 x 1-1/4" hex-hd. cap

1шт.

.

WASHER, 7/16" lock

1шт.

.

WASHER, 7/16" external-tooth lock

1шт.

Выбрано товаров: 0