Запчасти Case IH 340 (209) - HYDRAULIC SYSTEM, HYDRA-TOUCH SYSTEM, FOR TRACTORS WITH HYDRA-TOUCH POWER SUPPLY (07) - HYDRAULIC SYSTEM
№
Артикул
Название
Примечание
Количество
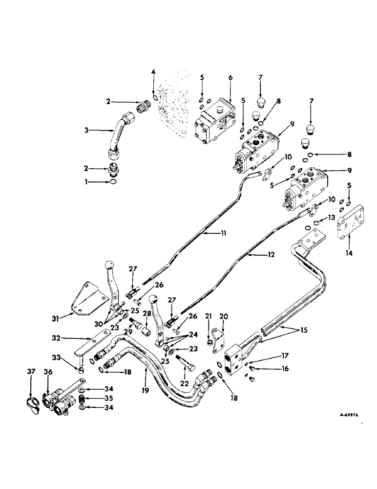
1
296247R1
O-RING,16-1, 90 Duro, 1.171" ID x .116" Thk
return tube connector (1-11/64 x 1-13/32 x 7/64")
1шт.
2
9410207
HYD CONNECTOR,1 5/16"-12, 37 Degree x 1 5/16"-12, O-Ring
CONNECTOR, return
2шт.
3
370582R11
TUBE ASSEMBLY, hydraulic return
1шт.
4
296247R1
O-RING,16-1, 90 Duro, 1.171" ID x .116" Thk
return tube connector (1-11/64 x 1-13/32 x 7/64")
1шт.
5
350667R1
O-RING,0.103" Thk x 0.674" ID, -115, Cl 5, 75 Duro
valve (A only)
9шт.
(B only)
12шт.
6
360621R94
VALVE
ASSEMBLY, regulator and safety
1шт.
7
9410360
PLUG
hydra-touch valve (A only)
2шт.
(B only)
6шт.
8
364885R1
O-RING,0.097" Thk x 0.755" ID, -910, Cl 6, 90 Duro
hydra-touch valve (3/4 x 15/16 x 3/32") (A only)
2шт.
(B only)
6шт.
9
371062R92
VALVE ASSEMBLY, hydra-touch (A only)
1шт.
(B only)
2шт.
SCREW, 7/16 x 6-3/4" cap (A only)
4шт.
SCREW, 7/16" x 9-1/4" cap (B only)
4шт.
WASHER, 7/16" lock
4шт.
10
361650R11
LEVER
ASSEMBLY, hydra-touch valve actuating (A only)
1шт.
(B only)
2шт.
11
377722R11
ROD ASSEMBLY, control handle
1шт.
12
377731R11
ROD ASSEMBLY, control handle (B only)
1шт.
13
355965R1
O-RING,0.139" Thk x 0.921" ID, -213, Cl 5, 75 Duro
rear manifold flange (15/16 x 1-3/16 x 1/8")
2шт.
14
370216R1
COVER, hydra-touch valve
1шт.
15
377723R91
TUBE ASSEMBLY, rear manifold
1шт.
NUT, 3/8"
2шт.
SCREW, 3/8 x 1-1/4" cap
3шт.
SCREW, 3/8 x 2" cap
2шт.
16
9403330
PLUG,7/16"-20, 37 Degree
rear junction block
2шт.
17
369751R1
O-RING,0.072" Thk x 0.351" ID, -904, Cl 6, 90 Duro
4-1, 90 Duro, .351" ID x .072" Thk, Junction block plug
2шт.
18
296247R1
O-RING,16-1, 90 Duro, 1.171" ID x .116" Thk
break-away coupling hose (15/16" x 1-3/16 x 1/8")
4шт.
19
372581R91
HOSE
hydraulic break-away coupling RH (1/2" ID x 14" long)
1шт.
19
378347R91
HOSE, hydraulic break-away coupling LH (1/2" ID x 19" long)
1шт.
20
377726R1
BRACKET, rear manifold junction block
1шт.
21
128644R1
SPACER, control handle bracket
1шт.
22
377330R1
SHAFT, control handle (B only)
1шт.
NUT, 1/2" (B only)
1шт.
23
10367H
WASHER
SPACER, control handle shaft
1шт.
24
363107R11
HANDLE ASSEMBLY, right control (B only)
1шт.
25
363769R1
BUSHING, control handle shaft (A only)
1шт.
(B only)
2шт.
26
327-5094
CLEVIS PIN,5/16" x .940"
PIN, 5/16" rod end (A only)
1шт.
PIN, 3/32 x 1/2" cotter (B only)
2шт.
27
104037
CLEVIS
control handle rod (A only)
1шт.
(B only)
2шт.
NUT, 5/16NF (A only)
1шт.
(B only)
2шт.
28
377729R1
SPACER, control handle (B only)
1шт.
29
377721R1
SHAFT, control handle (A only)
1шт.
NUT, 1/2" (A only)
1шт.
30
362612R21
HANDLE ASSEMBLY, left control
1шт.
31
377720R1
BRACKET, control handle mounting
1шт.
SCREW, 1/2 x 3-3/4" cap
2шт.
32
377728R11
BRACKET ASSEMBLY, break-away coupling
1шт.
SCREW, 1/2 x 1-3/4" cap
2шт.
PIN, 1/8 x 1" cotter
1шт.
33
23111H
SPACER, breakaway coupling bracket
1шт.
34
395-11053
WASHER,0.53" ID x 1.06" OD x 0.1" Thk
breakaway coupling bracket
2шт.
35
353213R2
SPRING
breakaway coupling bracket
1шт.
36
377936R92
COUPLING ASSEMBLY, hydraulic break-away (for components see list of parts under details of "Break-Away and Self Sealing Couplings")
1шт.
37
373220R1
PLUG
CAP, break-away coupling dust
2шт.
Выбрано товаров: 0