Запчасти Case IH 340 (221) - HYDRAULIC SYSTEM, TEL-A-DEPTH VALVE (07) - HYDRAULIC SYSTEM

Схема запчастей Case IH 340 - (221) - HYDRAULIC SYSTEM, TEL-A-DEPTH VALVE (07) - HYDRAULIC SYSTEM
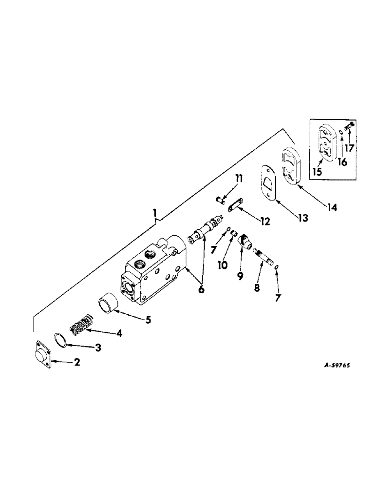
7
8
6
9
1
5
11
15
7
4
10
14
12
17
3
13
2
16
FIT
1:1
100%

Артикул

Название

Примечание

Количество

1

374908R91

VALVE ASSEMBLY, tel-a-depth

1шт.

1

374909R91

VALVE ASSEMBLY, tel-a-depth

1шт.

1

375137R91

VALVE ASSEMBLY, tel-a-depth (tractors with cotton picker)

1шт.

2

360607R1

CAP

tel-a-depth valve

1шт.

SCREW, 1/4 x 1/2" hex-hd. cap

4шт.

3

360610R1

O-RING,1.609" ID x 0.139" Width

valve cap (1-5/8 x 1-7/8 x 1/8")

1шт.

4

370701R2

SPRING, valve spool centering

1шт.

5

371156R1

CUP, centering spring

1шт.

6

BODY, tel-a-depth valve (not serviced separately) order valve assembly

1шт.

7

355967R1

O-RING,0.364" ID x 0.003" Width

valve shaft (3/8 x 1/2 x 1/16")

2шт.

8

374912R1

SHAFT, valve lever

1шт.

9

374911R1

ARM, valve actuating

1шт.

10

360615R1

BUSHING

valve lever shaft

1шт.

17164R1

LOCK PIN,3/32" x 7/16", Slotted

PIN, 3/32" x 7/16", Slotted

1шт.

11

371162R1

PIN

valve spool link yoke

1шт.

148145

WASHER, 5/32 x 5/16 x .035"

1шт.

446120

WASHER,#6

RETAINER, 3/32" spring

1шт.

12

371146R1

BAR

LINK, valve spool

1шт.

--

PIN, 1/8 x 3/8" dowel

1шт.

13

360620R1

GASKET

valve cover

1шт.

14

370702R1

COVER, valve (used with valves, 374908R91 and 374909R91)

1шт.

SCREW, 3/8 x 1-1/8" hex-hd. cap

2шт.

15

374799R1

COVER, valve lockout (see note A)

1шт.

16

252738R1

O-RING,0.103" Thk x 0.362" ID, -110, Cl 5, 75 Duro

valve lockout cover screw (3/8 x 9/16 x 3/32") (see note A)

1шт.

17

374798R1

SCREW, valve lockout cover (see note A)

1шт.

NUT, 3/8NF jam

1шт.

WASHER, 13/32 x 13/16 x 16 ga.

1шт.

Выбрано товаров: 27