Запчасти Case IH 340 (230) - HYDRAULIC SYSTEM, FRONT POWER TAKE-OFF HYDRAULIC PUMP, INTERNATIONAL 330 (07) - HYDRAULIC SYSTEM

Схема запчастей Case IH 340 - (230) - HYDRAULIC SYSTEM, FRONT POWER TAKE-OFF HYDRAULIC PUMP, INTERNATIONAL 330 (07) - HYDRAULIC SYSTEM
7
16
5
21
3
23
2
14
1
9
19
10
14
17
22
11
15
23
4
8
12
18
6
15
FIT
1:1
100%

Артикул

Название

Примечание

Количество

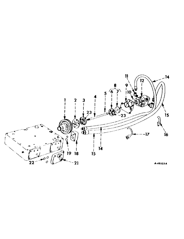
1

PULLEY, front power take-off drive (unit A) (refer to details of the "Crankshaft")

1шт.

2

365929R1

ADAPTER, drive shaft (units A and B)

1шт.

SCREW, 3/8 x 1" hex-hd. cap

4шт.

WASHER, 3/8" lock

4шт.

3

365903R91

COUPLING ASSEMBLY, spline (units A and B)

1шт.

SCREW, 5/16 x 1-1/2" hex-hd. cap

2шт.

WASHER, 5/16" lock

2шт.

4

365930R1

SHAFT, drive (units A and B)

1шт.

5

124549

WOODRUFF KEY,#9, 3/16" x 3/4", HT

(Units A and B) #9, 3/16" x 3/4", HT

1шт.

6

365950R91

COUPLING, keyed (units A and B)

1шт.

NUT, 5/16NF lock

1шт.

SCREW, 5/16NF x 1-5/8" hex-hd. cap

2шт.

7

365951R1

FLANGE, adapter (units A and B)

1шт.

140868

ROLLER BEARING,1.0005" ID x 0.8125"

SCREW, no. 10 x 1/4" cup-pt. hex-soc-hd. set

1шт.

8

365932R91

COUPLING ASSEMBLY, keyed (units A and B)

1шт.

9

365898R91

BRACKET ASSEMBLY, pump (units A and B)

1шт.

SCREW, 1/2 x 1-3/8" hex-hd. cap

4шт.

WASHER, 1/2 " lock

4шт.

10

124549

WOODRUFF KEY,#9, 3/16" x 3/4", HT

(Units A and B) #9, 3/16" x 3/4", HT

1шт.

11

444486

ELBOW, 3/4" x 90deg. automotive pipe street (units A and C)

1шт.

12

368895R91

PUMP ASSEMBLY, hydraulic gear (units A and B) (for components see list of parts under details of "Front Power Take-Off Hydraulic Pump") (optional with 368792R91)

1шт.

NUT, 3/8NF

6шт.

SCREW, 3/8NF x 1-1/4" hex-hd. cap

6шт.

WASHER, 3/8" lock

6шт.

WASHER, 25/32 x 1-1/2" x 16 ga.

1шт.

13

444488

ELBOW, 1" x 90deg. automotive pipe street (units A and C)

1шт.

14

365908R91

HOSE, pump to reservoir pressure (3/4 ID x 96" long) (units A and C)

1шт.

15

365909R91

HOSE, pump to reservoir suction (1" ID x 90" long) (units A and C)

1шт.

16

365910R1

SUPPORT, hose front (units A and C)

1шт.

SCREW, 5/16 x 7/8" hex-hd. cap

1шт.

WASHER, 5/16" lock

1шт.

17

365911R1

SUPPORT, hose rear (units A and C)

1шт.

18

365907R1

FLANGE, suction and pressure hose reservoir (units A and C)

1шт.

SCREW, 3/8 x 2" hex-soc-hd. cap

3шт.

19

350818R1

O-RING,0.984" ID x 0.139" Width

reservoir flange large (1/1-1/4 x 1/8") (unit A)

1шт.

20

350667R1

O-RING,0.103" Thk x 0.674" ID, -115, Cl 5, 75 Duro

reservoir flange small (11/16 x 7/8 x 3/32") (unit A)

1шт.

21

365912R1

PLATE, hydraulic reservoir cover (unit C)

1шт.

362355R3

PLUG

1/4-28 stl. sq. socket pipe

1шт.

SCREW, 7/16 x 1-5/8" hex-hd. cap

4шт.

WASHER, 7/16" external-tooth lock

4шт.

22

350667R1

O-RING,0.103" Thk x 0.674" ID, -115, Cl 5, 75 Duro

hydraulic reservoir cover plate (11/16 x 7/8 x 3/32") (3 for unit C)

1шт.

23

375377R91

BUSHING

BLOCK AND BUSHING ASSEMBLY

4шт.

Выбрано товаров: 42