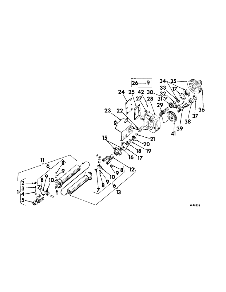
Запчасти Case IH 340 (301) - MISCELLANEOUS EQUIPMENT, ELECTRALL, TRANSMISSION AND DRIVE SHAFT Miscellaneous Equipment
№
Артикул
Название
Примечание
Количество
1
568100R91
SPARE PART
YOKE ASSEMBLY, quick detachable
1шт.
2
661406R1
LOCK WASHER,4.83mm ID x 18.542mm OD x 1.65mm Thk
lock pin retaining
1шт.
3
455347R1
VALVE SPRING
SPRING, lock pin
1шт.
4
455346R1
PIN
yoke lock
1шт.
5
568099R1
YOKE
quick detachable
1шт.
6
569047R91
REPAIR KIT
KIT, center cross and bearings repair
2шт.
7
80711
LUBE NIPPLE,65 Degree, 1/8" NPT x 7/8" lg
FITTING, 1/8 x 67-1/2" lubrication (optional w/271284)
2шт.
7
219-40
LUBE NIPPLE,65 Degree Elbow, 1/8" - 27 NPTF
1/8 x 65deg. lubrication (optional w/109460)
2шт.
8
576420R1
RING
SNAP RING
8шт.
9
569044R91
BEARING ASSY
CUP ASSEMBLY, needle
8шт.
10
569046R1
CROSS
center
2шт.
11
369557R91
SHAFT ASSEMBLY, front half (units A and C)
1шт.
11
369559R91
SHAFT ASSEMBLY, front half (units B and D)
1шт.
12
369561R1
YOKE, input shaft universal joint
1шт.
13
369558R91
SHAFT ASSEMBLY, rear half (units A and C)
1шт.
13
369560R91
SHAFT ASSEMBLY, rear half (units B and D)
1шт.
PIN, 5/16 x 3" extened prong cotter
1шт.
15
369536R11
RETAINER ASSEMBLY, input shaft bearing
1шт.
SCREW, 5/16 x 1" hex-hd. cap
3шт.
WASHER, 5/16" lock
3шт.
16
369520R91
OIL SEAL, input shaft bearing
1шт.
17
369537R1
GASKET, bearing retainer
2шт.
18
127709
NUT
ball bearing lock
1шт.
19
271220
KNOB
WASHER, ball bearing lock nut
1шт.
20
ST246
BALL BEARING,30mm ID x 62mm OD x 16mm W
S, input shaft
1шт.
21
369625R91
BEARING, output shaft needle
1шт.
22
13207H
SPACER, transmission mounting (large)
1шт.
23
369562R11
SHIELD ASSEMBLY, rear power take-off
1шт.
BOLT, 5/16 x 1" hex-hd. mach.
1шт.
NUT, 5/16"
1шт.
SCREW, 5/16 x 5/8" hex-hd. cap
2шт.
24
369530R1
PLATE, transmission cover
1шт.
SCREW, 5/16 x 3/4" hex-hd. cap
6шт.
25
369531R1
GASKET, transmission cover plate
1шт.
26
60836H
BREATHER
transmission housing (order bushing, 112877 and plug, 110891H)
1шт.
27
24769H
SPACER, transmission mounting (small)
2шт.
28
369529R1
HOUSING, transmission
1шт.
17576R1
BOLT,Hex, 1/2"-13 x 2 1/2", G2
1/2 x 2-1/2" hex-hd. mach.
2шт.
17652R1
BOLT, 3/4 x 3-1/4" hex-hd. mach.
1шт.
NUT, 1/2"
2шт.
NUT, 3/4"
1шт.
PLUG, 3/8" C.I. sq-hd. pipe
2шт.
WASHER, 1/2" lock
2шт.
WASHER, 3/4" lock
1шт.
29
369534R1
SHAFT, electrall drive output pinion
1шт.
30
Q26
KEY,1/4" Sq x 1 1/4", Par
1/4 x 1/4 x 1-1/4" sq. parallel
1шт.
31
ST248A
BALL BEARING,35 mm ID x 72 mm OD x 17 mm
output shaft
1шт.
32
359141R1
RING, SNAP
RING, output shaft ball bearing snap
1шт.
33
364472R91
SEAL
OIL SEAL, output shaft bearing
1шт.
34
369535R11
RETAINER ASSEMBLY, output shaft bearing
1шт.
SCREW, 5/16 x 1" hex-hd. cap
3шт.
WASHER, 5/16" lock
3шт.
35
369539R1
PULLEY, electrall drive (large)
1шт.
36
363957R1
WASHER, pulley retainer
1шт.
SCREW, 1/2 x 3/4" hex-hd. cap
1шт.
WASHER, 1/2" lock
1шт.
37
369538R1
PLUG, drive shaft housing
1шт.
38
359950R91
NEEDLE BEARING
BEARING, input shaft needle
1шт.
39
369532R1
SHAFT, electrall drive input
1шт.
40
114735
KEY, no. 16 Woodruff
1шт.
41
369533R1
GEAR, electrall drive (73 teeth)
1шт.
42
110891H
BREATHER,1/8"-27 NPT, Short, w/washer
PLUG, vent
1шт.
112877
ADAPTER,1/4" NPT Male x 1/8" NPT Fem
PIPE BUSHING, 1/4 x 1/8" reducing
1шт.
Выбрано товаров: 63