Запчасти Case IH 340 (203) - HYDRAULIC SYSTEM, TRANSMISSION DRIVEN HYDRA-TOUCH POWER SUPPLY, 340 SERIES (07) - HYDRAULIC SYSTEM

Схема запчастей Case IH 340 - (203) - HYDRAULIC SYSTEM, TRANSMISSION DRIVEN HYDRA-TOUCH POWER SUPPLY, 340 SERIES (07) - HYDRAULIC SYSTEM
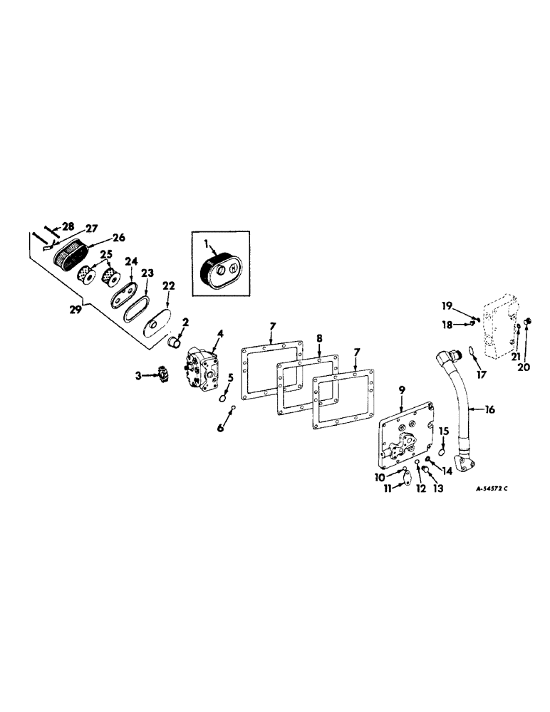
1
13
15
5
29
20
6
2
14
18
19
23
3
7
27
21
9
7
4
11
12
24
17
8
10
25
22
26
16
28
FIT
1:1
100%

Артикул

Название

Примечание

Количество

1

370883R92

STRAINER ASSY.

STRAINER ASSEMBLY, oil (order package, 374989R91)

1шт.

2

370950R93

TUBE

ASSEMBLY, pump suction (units A and B)

1шт.

2

373710R92

TUBE

ASSEMBLY, pump suction (units C and D)

1шт.

3

370949R1

GEAR, pump drive (16 teeth) (units A and B)

1шт.

3

373711R1

PINION

GEAR, pump drive (15 teeth) (units C and D)

1шт.

*

19263R1

LOCK NUT,Hex, 5/8" - 18

NUT, 5/8NF elastic stop

1шт.

4

374483R91

HYDRAULIC PUMP

PUMP ASSEMBLY, hydraulic gear (12 GPM) (Thompson) (for components see list of parts under details of "Transmission Driven Hydraulic Pump") (optional with 373964R91) (units A and C)

1шт.

4

373964R91

HYDRAULIC PUMP

PUMP ASSEMBLY, hydraulic gear (12 GPM) (Cessna) (for components see list of parts under details of "Transmission Driven Hydraulic Pump") (optional with 374483R91) (units A and C)

1шт.

4

370880R91

PUMP

ASSEMBLY, hydraulic gear (17 GPM) (Thompson) (for components see list of part sunder details of "Transmission Driven Hydraulic Pump") (optional with 373966R91) (units B and D)

1шт.

4

1949292C1

REMAN-HYD PUMP

Reman For New PN 370880R91

1шт.

4

1949293C1

CORE-HYDRAULIC PUMP

Return Number

1шт.

4

373966R91

HYDRAULIC PUMP

PUMP ASSEMBLY, hydraulic gear (17 GPM) (Cessna) (for components see list of parts under details of "Transmission Driven Hydraulic Pump") (optional with 370880R91) (units B and D)

1шт.

*

SCREW, 7/16 x 1-5/8" hex-hd. cap

4шт.

5

254691R1

O-RING,-211, 70 Duro, .796" ID x .139" Thk

pump pressure port large (3/16 x 7/16 x 1/8")

1шт.

6

252739R1

O-RING,0.103" Thk x 0.487" ID, -112, Cl 5, 75 Duro

pump pressure port small 91/2 x 11/16 x 3/32")

1шт.

7

370892R2

GASKET

pump mounting flange, light (.011-.019" thick)

1шт.

7

370893R2

GASKET

pump mounting flange, heavy (.016-.024" thick)

2шт.

8

371043R1

SPACER

pump mounting flange

1шт.

9

370890R11

FLANGE ASSEMBLY, pump mounting (units A and B)

1шт.

9

373713R11

FLANGE ASSEMBLY, pump mounting (units C and D)

1шт.

*

SCREW, 3/8 x 1-1/8" hex-hd. cap

3шт.

*

SCREW, 3/8 x 1-3/8" hex-hd. cap

7шт.

*

WASHER, 3/8" lock

7шт.

10

252738R1

O-RING,0.103" Thk x 0.362" ID, -110, Cl 5, 75 Duro

power steering pressure port cover (3/8 x 9/16 x 3/32")

1шт.

11

370894R1

COVER, power steering pressure port

1шт.

*

SCREW, 5/16 x 11/16" hex-hd. cap

2шт.

*

WASHER, 5/16" lock

2шт.

12

364839R1

O-RING,0.078" Thk x 0.468" ID, -906, Cl 6, 90 Duro

6-1, 90 Duro, .468" ID x .078" Thk, pump mounting flange plug

1шт.

13

9410358

PLUG

pump mounting flange

1шт.

14

52999D

WASHER

DYNA-SEAL, hydraulic pump mounting bolt

4шт.

15

369908R1

O-RING,0.103" Thk x 0.799" ID, -117, Cl 5, 75 Duro

hydraulic pump pressure manifold flange (13/16 x 1 x 3/32")

1шт.

16

370886R91

HOSE,19.05mm ID x 352.43mm L

MANIFOLD ASSEMBLY, hydraulic pump pressure

1шт.

*

SCREW, 5/16 x 1-3/4" hex-hd. cap

3шт.

*

WASHER, 5/16" lock

3шт.

17

297459R1

O-RING,0.116" Thk x 1.048" ID, -914, Cl 6, 90 Duro

hydraulic pump pressure manifold fitting (1-3/64 x 1-19/64 x 1/8")

1шт.

18

9410358

PLUG

power steering return port

1шт.

19

364839R1

O-RING,0.078" Thk x 0.468" ID, -906, Cl 6, 90 Duro

6-1, 90 Duro, .468" ID x .078" Thk, power steering return port plug

1шт.

20

9410362

PLUG,Hex Hd, 1 3/16"-12 ORB

7/8" OD tubing cd-pltd. (o-ring type)

1шт.

21

297459R1

O-RING,0.116" Thk x 1.048" ID, -914, Cl 6, 90 Duro

7/8" OD tubing plug (1-3/64 x 1-19/64 x 1/8")

1шт.

22

374995R11

SUPPORT ASSEMBLY, oil filter element

1шт.

23

374996R1

GASKET

oil filter element support

1шт.

24

374994R1

RETAINER, oil filter element

1шт.

25

37585R91

PACKAGE, oil filter element (consists of two elements, gasket 370801R1 and gasket, 374966R1)

1шт.

26

374991R91

SCREEN ASSEMBLY, oil filter

1шт.

27

374997R1

SPRING, oil filter retainer

1шт.

28

375097R1

SCREW, oil filter

1шт.

29

374990R91

NO LONGER SERVICED

FILTER ASSEMBLY, tandem oil (less elements)

1шт.

*

370801R1

GASKET

oil strainer opening cover (illustrated with "Clutch Housing and Covers")

1шт.

*

374989R91

FILTER

PACKAGE, tandem oil filter service (will work for 370883R92) (consists of filter, 374990R91, and package, 375085R91)

1шт.

374959R1

TROUGH, oil (illustrated with "Rear Frame, Transmission Oil Filter and Suction Tube")

1шт.

370345R2

SCREW, oil trough mounting

1шт.

*

SCREW, 7/16 x 1-1/4" hex-hd. cap

1шт.

*

WASHER, 7/16" lock

1шт.

*

WASHER, 7/16" external-tooth lock

1шт.

377588R1

SUPPORT, pressure hose (Grove tractors)

1шт.

Выбрано товаров: 0