Запчасти Case IH 340 (024) - DIESEL ENGINE, CRANKCASE AND RELATED PARTS (01) - ENGINE

Схема запчастей Case IH 340 - (024) - DIESEL ENGINE, CRANKCASE AND RELATED PARTS (01) - ENGINE
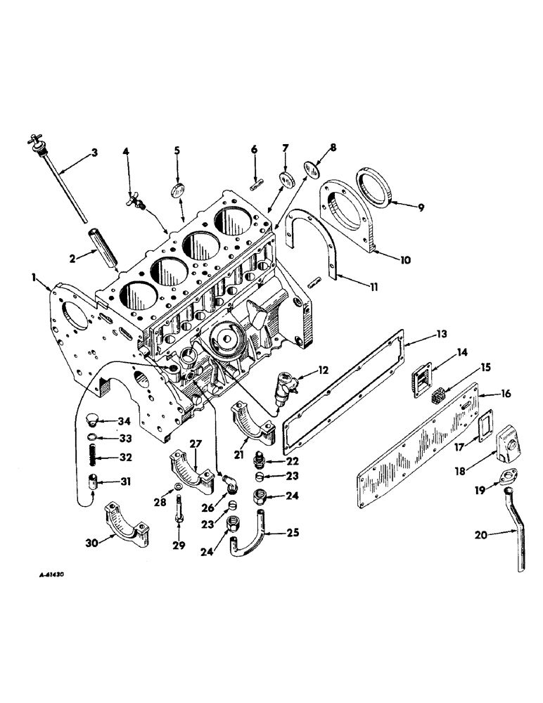
8
7
1
24
22
4
13
23
9
15
6
11
28
25
24
32
10
2
13
30
20
19
14
17
3
29
26
33
27
21
5
34
23
16
12
18
FIT
1:1
100%

Артикул

Название

Примечание

Количество

1

315703R91

1шт.

CRANKCASE ASSEMBLY, (composed of, (6) bolt 70133R1, (1) bushing 70259R2, (1) bushing 70260R1, (1) bushing 70261R2, (1) cap 279255R1 (NSS), (1) cap 279256R1 (NSS), (1) cap 279257R1 (NSS), (1) crankcase 308404R1 (NSS), (2) dowel 368568R1, (1) plug 103877, (1) plug 444682, (3) plug 70128R1, (1) plug 70129R1, (1) plug 103865, (2) plug 126045, (1) plug 172599, (2) plug 50410DA, (1) tube 368985R2, (6) washer 58516H)

1шт.

PLUG, 1/8" sq-hd. stl. pipe (oil filter drain)

1шт.

50410DA

PLUG

1/8" oil header

2шт.

PLUG, 3/8" short sq. socket pipe

2шт.

444682

PLUG

1/16" hex. socket pipe

1шт.

SCREW, 5/8 x 1-1/2" hex-hd cap (RH)

1шт.

SCREW, 5/8 x 2" hex-hd. cap

4шт.

SCREW, 5/8 x 2-1/4" hex-hd. cap

3шт.

375250R1

SCREW,Flg, 5/8" - 11 x 2 1/4"

5/8 x 2-1/4" hex-hd. cap (twelve point)

2шт.

2

368985R2

TUBE

oil filter

1шт.

3

308420R91

GAGE ASSEMBLY, oil level

1шт.

3

317780R91

ELECTRICAL GAUGE

GAGE ASSEMBLY, oil lever (tractors w/engine balancer)

1шт.

4

141615

NO LONGER SERVICED

COCK, 1/4" drain-type B

1шт.

5

70128R1

PLUG,Cup, 1 5/8"

core hole

3шт.

6

368568R1

DOWEL, engine rear support

2шт.

7

70129R1

PLUG,Cup, 2"

core hole

1шт.

8

172599

PLUG,Exp, 2 3/8"

2-3/8" expansion

1шт.

9

374006R91

SEAL

OIL SEAL, crankshaft rear

1шт.

10

308405R11

RETAINER, w/two inserts, 319917R1 assembly, crankshaft rear oil seal

1шт.

SCREW, 5/16 x 1" hex-hd. cap

5шт.

WASHER, 5/16" lock

5шт.

11

308406R1

GASKET

crankshaft oil seal retainer

1шт.

12

312157R91

SUPPORT ASSEMBLY, oil pump shaft and tachometer drive (for components see "oil pump shaft support")

1шт.

13

308410R1

GASKET

push rod cover

1шт.

14

312892R1

BAFFLE, breather

1шт.

172328

BRACKET

SCREW, no. 10 x 3/4" hex-hd. tapping

4шт.

15

312893R1

FILTER

ELEMENT, breather

1шт.

16

308409R1

COVER, push rod

1шт.

SCREW, 1/4 x 3/4" hex-hd. cap

10шт.

SCREW, 1/4 x 7/8" hex-hd cap

2шт.

WASHER, 1/4" lock

12шт.

17

59481DB

GASKET

breather body

1шт.

18

8959DB

BODY

breather

1шт.

19

59484D

FLANGE, breather pipe

1шт.

SCREW, 5/16 x 1" hex-hd. tapping

2шт.

20

308411R1

PIPE, breather

1шт.

21

CAP, crankshaft rear bearing (not serviced separately, order crankcase assembly)

1шт.

22

265026R1

HYD CONNECTOR

CONNECTOR, oil filter pipe inlet

1шт.

23

265066R1

O-RING

SLEEVE, oil filter pipe

2шт.

24

265067R1

NUT

oil filter pipe

2шт.

25

308460R1

PIPE, oil filter inlet

1шт.

26

265024R1

ELBOW UNION

ELBOW, oil filter pipe outlet

1шт.

27

CAP, crankshaft center bearing (not serviced separately, order crankcase assembly)

1шт.

28

58516H

WASHER,17/32" x 1 1/16" x .095", HDN

bearing cap bolt

6шт.

29

70133R1

BOLT

BOLT, bearing cap

6шт.

30

CAP, crankshaft front bearing (not serviced separately, order crankcase assembly)

1шт.

31

61261VA

LOCK VALVE

VALVE, relief

1шт.

32

49946HA

VALVE SPRING

SPRING, relief valve

1шт.

33

3405H

GASKET

relief valve plug

1шт.

34

61263VA

PLUG

relief valve

1шт.

Выбрано товаров: 0