Запчасти Case IH 350 (274) - HYDRAULIC SYSTEM, HYDRAULIC EQUIPMENT, SPECIAL, REMOTE CONTROL ADAPTER (07) - HYDRAULIC SYSTEM

Схема запчастей Case IH 350 - (274) - HYDRAULIC SYSTEM, HYDRAULIC EQUIPMENT, SPECIAL, REMOTE CONTROL ADAPTER (07) - HYDRAULIC SYSTEM
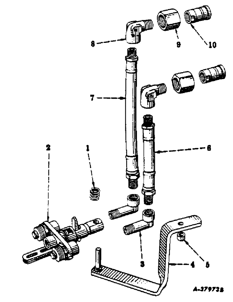
7
10
4
2
6
1
8
3
9
5
FIT
1:1
100%

Артикул

Название

Примечание

Количество

363803R91

1шт.

PACKAGE, remote control break-away adapter (attaches to rear junction block) (for tractors equipped with hydra-touch system) (single, double or triple valve) (not equipped w/fast-hitch) (this may be ordered as a complete package or may be assembled from parts stock)

1шт.

1

353213R2

SPRING

break-away coupling bracket

1шт.

2

364311R91

COUPLING, front section, hydraulic break-away, assembly (for components see list of parts under detail of "Break-away and Self-sealing Coupling") (will work for 353215R91)

1шт.

103385

COTTER PIN,1/8" x 1"

PIN, SPLIT (COTTER), 1/8" x 1"

1шт.

395-11053

WASHER,0.53" ID x 1.06" OD x 0.1" Thk

plain, 17/32" ID x 1-1/16" OD x no 13 ga

1шт.

19849H

WASHER, plain, 33/64" ID x 1-3/8" OD x no 11 ga

2шт.

3

363628R1

ELBOW, street, break-away coupling

2шт.

4

363359R21

BRACKET, break-away coupling, w/pin

1шт.

179874

BOLT,Hex, 7/16" - 14 x 4", Gr 5

(Used with rear frames, 360553R1 or R2, (NSS), Farmall 300 series, 501 to 9312 Hex, 7/16"-14 x 4", G5

1шт.

179897

BOLT,Hex, 1/2" - 13 x 4", Gr 5

SCREW, cap, hex-hd., 1/2-13NC x 4" (used with rear frames, 360553R3 (NSS), Farmall 300 series, 9313 up, Farmall 300 series, 501 up

1шт.

5

353212R1

SPACER, break-away coupling bracket

1шт.

6

363633R91

HOSE

junction block to break-away coupling, 1/2" ID x 9"

1шт.

7

363632R91

HOSE

junction block to break-away coupling, 1/2" ID x 13-3/4"

1шт.

8

364148R1

ELBOW

street, cylinder rose (1/2" x 90 degrees) (will work for 444484)

2шт.

9

357965R2

NUT

union, self-sealing coupling (white) (will work for 363462R1)

2шт.

10

353218R91

COUPLING

female, hydraulic self-sealing, assembly (for components see list of parts under detail of "Break-away and Self-sealing Coupling")

2шт.

Выбрано товаров: 17