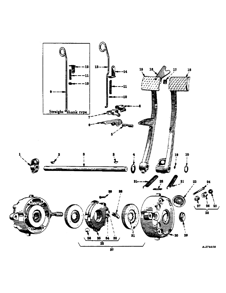
Запчасти Case IH 350 (231) - CHASSIS, BRAKES, BRAKE LOCK AND CONNECTIONS (12) - CHASSIS

Схема запчастей Case IH 350 - (231) - CHASSIS, BRAKES, BRAKE LOCK AND CONNECTIONS (12) - CHASSIS
34
11
39
28
31
27
21
18
16
36
15
24
5
2
30
25
33
13
31
7
17
37
35
2
6
12
9
14
10
23
26
11
19
10
38
4
10
3
1
32
8
29
22
FIT
1:1
100%

Артикул

Название

Примечание

Количество

1

358053R1

LEVER, brake shaft

1шт.

NLS

NO LONGER SERVICED

hex., 7/16-14NC

1шт.

179867

BOLT,Hex, 7/16" - 14 x 2 1/4", Gr 5

SCREW, cap, hex-hd., 7/16-14NC x 2-1/4"

1шт.

103322

LOCK WASHER,7/16"

WASHER, LOCK, 7/16"

1шт.

2

126-122

WOODRUFF KEY,#13, 3/16" x 1", HT

Woodruff, ni-stl., no. 13

2шт.

3

358051R1

SHAFT, brake operating

1шт.

103409

PIN, SPLIT (COTTER),3/16" x 1 1/2"

1шт.

4

48983D

THRUST WASHER

thrust, brake pedal shaft

2шт.

5

49209D

SHAFT

brake pedal pawl

1шт.

103386

COTTER PIN,1/8" x 1 1/4"

Pin, Split (Cotter), 1/8" x 1 1/4"

1шт.

6

362692R91

PAWL

brake pedal

1шт.

7

362701R1

LEVER

brake pedal pawl

1шт.

8

362699R11

BRACKET, brake pedal pawl lever pivot, w/pin

1шт.

107763

COTTER PIN,1/8" x 5/8"

PIN, SPLIT (COTTER), 1/8" x 5/8"

1шт.

433142

BOLT

SCREW, cap, hex-hd., 7/16-14NC x 4-1/2"

1шт.

103322

LOCK WASHER,7/16"

WASHER, LOCK, 7/16"

1шт.

496-21047

WASHER

plain, 15/32" ID x 59/64" OD x no 16 ga

1шт.

9

362702R1

ROD, brake pedal pawl (straight shank type), Farmall 300 series, Serial Range: 501-7208

1шт.

NLS

NO LONGER SERVICED

PIN, cotter, 1/16 x 1/2"

1шт.

10

16558R1

WASHER

plain, 17/64" ID x 5/8" OD x no. 18 ga

1шт.

103361

PIN, SPLIT (COTTER)

PIN, cotter, 1/16 x 1/2"

1шт.

11

362698R1

SPRING

pawl rod

1шт.

12

362696R1

GUIDE, brake pedal pawl rod (used with 362702R1), Farmall 300 series, Serial Range: 501-7208

1шт.

164074

SCREW, tapping, cr-rec-hd., cd-pltd., no. 10-32NF x 5/16"

2шт.

13

363663R1

ROD, brake pedal pawl (offset shank type), Farmall 300 series, 7209 up, Farmall 350 series, 501 up

1шт.

NLS

NO LONGER SERVICED

PIN, cotter, 1/16 x 1/2"

1шт.

14

363664R1

GUIDE, brake pedal pawl rod, Farmall 300 series, 7209 up, Farmall 350 series, 501 up

1шт.

164074

SCREW, tapping, cr-rec-hd., cd-pltd., no. 10-32NF x 5/16"

2шт.

15

360638R11

PEDAL, brake, LH, assembly (composed of (1) pedal 360638R1 (NSS), (1) plate 43751DB, (1) rivet 104087, (1) spring 51293D)

1шт.

425-107

NUT,7/16"-14, G5

hex., 7/16-14NC

1шт.

179867

BOLT,Hex, 7/16" - 14 x 2 1/4", Gr 5

SCREW, cap, hex-hd., 7/16-14NC x 2-1/4"

1шт.

103322

LOCK WASHER,7/16"

WASHER, LOCK, 7/16"

1шт.

16

43751DB

LATCH, PEDALS

PLATE, lock, brake pedal

1шт.

104087

RIVET,But Hd, 1/4" x 1 1/4"

rd-hd., 1/4 x 1-1/4"

1шт.

17

51293D

SPRING

tension, brake pedal lock plate

1шт.

18

360639R1

PEDAL, brake, R H

1шт.

19

66584D

FITTING

lubrication, straight, drive type, 3/16"

1шт.

20

40435D

WASHER, brake pedal shaft

1шт.

21

357164R1

SPRING

brake pedal return

2шт.

22

357045R1

ANCHOR

brake pedal return spring

1шт.

179837

BOLT,Hex, 3/8" - 16 x 3/4", Gr 5

1шт.

103321

LOCK WASHER,3/8"

WASHER, LOCK, 3/8"

1шт.

23

355976R1

BOOT

enclosure

2шт.

24

358050R1

BOLT,Hex, 3/8" - 24 x 4 1/4"

ROD, brake operating

2шт.

114494

NUT,Jam, 3/8"-24, G5

6шт.

25

575807R1

WASHER

plain, 13/32" ID X 1" OD x no 11 ga

2шт.

26

355978R1

SPRING

brake operating rod

2шт.

27

358049R1

ROD

BALL, brake operating rod

2шт.

28

358048R91

KIT

ROD, brake operating, assembly (composed of (1) ball 358049R1, (3) nut 114494, (1) rod 358050R1, (1) spring 355978R1, (1) washer 575807R1)

2шт.

29

358047R1

CAP

PLUG, brake housing cup

2шт.

30

358046R2

HOUSING, brake

2шт.

187151

SCREW, cap, hex-hd., 7/16-14NC x 3-3/8"

8шт.

12406R1

SCREW, cap, hex-hd., 7/16-14NC x 2-7/8"

2шт.

31

368183R91

BRAKE DISC

DISC, middle, bonded facings (will work for 358195R91), Farmall 350 series, 4723 up

4шт.

32

364834R91

DISC

actuating, assembly (will work for 356854R92) (see note) (composed of (3) ball 16028R1, (2) disc (NSS), (1) link 354623R91, (1) link 354624R1, (2) nut 114493, (2) spring 354627R1, (2) stud 354625R1)

2шт.

33

354624R1

SUPPORT

LINK, actuating (plain)

2шт.

34

3574623R91

LINK, actuating (yoke)

2шт.

35

354627R1

SPRING

extension

4шт.

36

16028R1

BALL

chr-stl., 7/8" dia

6шт.

37

368182R91

BRAKE

double disc, w/two disc 368183R91 and disc, 364834R91 (will work for 358044R92 and 364835R91) (see note), Farmall 350 series, 4723 up

2шт.

38

355975R1

CLEVIS COUPLING

YOKE, brake operating rod

2шт.

103496

CLEVIS PIN,3/8" x 1.060"

PIN, rod end, dld., 3/8 x 1-3/32"

2шт.

107762

WASHER,3/32" x 5/8"

PIN, SPLIT, (COTTER), 3/32" x 5/8"

2шт.

39

354625R1

STUD

actuating disc

4шт.

114493

JAM NUT,Jam, 5/16"-24, G5

4шт.

356528R91

LINING

SET, brake (consists of four linings, w/twenty-four rivets, 354629R1) (for service only on tractors having disc, 358195R91 with riveting lining), Farmall 350 series, Serial Range: 501-4722

2шт.

366055R91

BRAKE

PACKAGE, double disc brake actuating disc, (consists of two disc, 364834R91), Farmall 300 series, Serial Range: 501-24542

1шт.

354629R1

RIVET

brake lining (for service only on tractors having disc, 358195R91 (with riveting lining), Farmall 350 series, Serial Range: 501-4722

48шт.

Выбрано товаров: 68