Запчасти Case IH 350 (347) - ATTACHMENTS, FIXED DRAWBAR, SPECIAL, FARMALL 300, 350 AND 350 DIESEL Attachments

Схема запчастей Case IH 350 - (347) - ATTACHMENTS, FIXED DRAWBAR, SPECIAL, FARMALL 300, 350 AND 350 DIESEL Attachments
15
12
8
1
2
7
3
14
11
4
13
6
10
5
9
FIT
1:1
100%

Артикул

Название

Примечание

Количество

69044DC

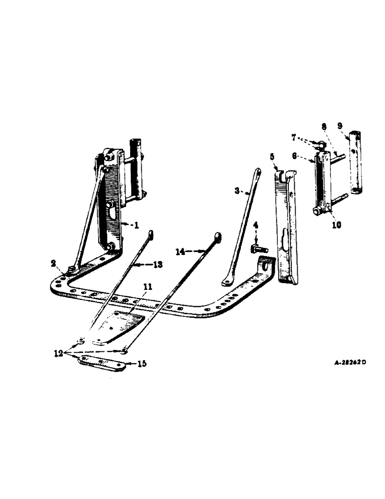
UNIT, fixed drawbar, assembly (reference No. 1 to 10 inclusive) (not used on tractors equipped with fast-hitch)

1шт.

1

57228D

ANGLE, drawbar, L.H.

1шт.

2

57227DB

DRAWBAR

1шт.

3

57233DA

ROD

BRACE, drawbar

2шт.

220081

NUT

hex., 3/4-10 NC

4шт.

271612

BOLT,Hex, 3/4" - 10 x 2 1/4", Gr 5

SCREW, cap, hex-hd., 3/4-10 NC x 2-1/4"

2шт.

271609

BOLT,Hex, 3/4" - 10 x 1 3/4", Gr 5

SCREW, cap, hex-hd., 3/4-10 NC x 1-3/4"

2шт.

103326

LOCK WASHER,3/4"

WASHER, LOCK, 3/4"

4шт.

4

41111D

BOLT,3/4" - 10 x 2 3/4"

drawbar pivot

2шт.

425-1012

NUT,3/4"-10, G5

hex., 3/4-10 NC

2шт.

103326

LOCK WASHER,3/4"

WASHER, LOCK, 3/4"

2шт.

5

57229D

ANGLE, drawbar, R.H.

1шт.

6

51716DXB

CHANNEL

attaching, drawbar, assembly, composed of: (2) bolt 43685D, (1) channel (NSS) 51716D, (2) eyebolt 48291DAX, (2) nut 218197, (2) pin 43690D, (2) washer 103326

2шт.

7

48291DAX

BOLT,W/Nut & Washer, 3/4" - 16 x 2 11/16"

EYEBOLT, drawbar, w/nut, 357790R1 and washer Q1552

4шт.

357790R1

NUT

drawbar eyebolt

4шт.

Q1552

WASHER

plain, 25/32" I.D. x 1-1/4" O.D. x No. 10 ga.

4шт.

8

43685D

BOLT

attaching, drawbar

4шт.

218197

NUT,3/4"-16, G5

hex., 3/4-16 NF

4шт.

103326

LOCK WASHER,3/4"

WASHER, LOCK, 3/4"

4шт.

9

51715DA

CLAMP, attaching, drawbar

2шт.

10

43690D

PIN

drawbar, eyebolt

4шт.

11

66426D

PLATE, drawbar extension (provides a standardized power take-off hitch for tractors equipped with drawbar, but not with swinging drawbar) (not part of fixed drawbar parts accessory)

1шт.

220081

NUT

hex., 3/4-10 NC

2шт.

271614

BOLT,Hex, 3/4" - 10 x 2 3/4", Gr 5

SCREW, cap, hex-hd., 3/4-10 NC x 2-3/4"

2шт.

103326

LOCK WASHER,3/4"

WASHER, LOCK, 3/4"

2шт.

12

368390R91

PARTS ACCESSORY, auxiliary drawbar brace, consists of: (1) brace LH 368391R1, (1) brace LH 368392R1, (1) nut 12639, (4) nut 220081 (1) screw 271564, (4) screw 271613, (1) support 368393R1, (1) washer 103325, (4) washer 103326

1шт.

13

368391R1

BRACE, auxiliary, drawbar, LH

1шт.

425-1012

NUT,3/4"-10, G5

hex., 3/4-10 NC

2шт.

271613

SCREW,Hex, 3/4" - 10 x 2 1/2", Gr 5

cap, hex-hd., 3/4-10 NC x 2-1/2"

2шт.

103326

LOCK WASHER,3/4"

WASHER, LOCK, 3/4"

2шт.

14

368392R1

BRACE, auxiliary drawbar, RH

1шт.

220081

NUT

3/4-10 NC

2шт.

271613

SCREW,Hex, 3/4" - 10 x 2 1/2", Gr 5

cap, hex-hd., 3/4-10 NC x 2-1/2"

2шт.

103326

LOCK WASHER,3/4"

WASHER, LOCK, 3/4"

2шт.

15

368393R1

SUPPORT, drawbar extension

1шт.

102639

NUT,5/8"-11, G5

1шт.

13-1040

BOLT,Hex, 5/8" - 11 x 2-1/2", Gr 5

SCREW, cap, 5/8-11 NC x 2-1/2"

1шт.

103325

LOCK WASHER,5/8"

WASHER, LOCK, 5/8"

1шт.

30011DA

WRENCH, drawbar (illustrated with tools and tool box)

1шт.

Выбрано товаров: 39