Запчасти Case IH 400-SERIES (441) - ATTACHMENTS, FAST-HITCH WITH TRACTION CONTROL, SPECIAL, PILOT GUIDE Attachments

Схема запчастей Case IH 400-SERIES - (441) - ATTACHMENTS, FAST-HITCH WITH TRACTION CONTROL, SPECIAL, PILOT GUIDE Attachments
8
5
8
3
1
8
10
7
2
4
9
13
9
5
5
9
11
6
11
12
FIT
1:1
100%

Артикул

Название

Примечание

Количество

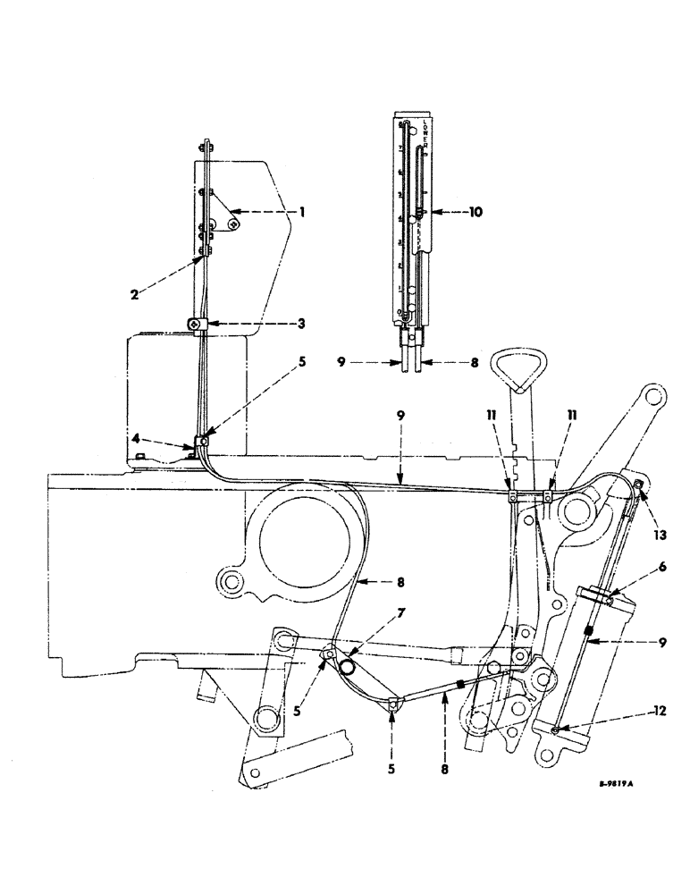
1

367205R1

BRACKET, pilot guide mounting

1шт.

2

367210R1

RETAINER, pilot guide cable

1шт.

367264R91

NUT, hex., no. 10-32NF, w/external-tooth lock washer

2шт.

367260R1

SCREW, mach., hex-hd., no. 10-32Nf x 3/4"

2шт.

3

367527R1

CLIP, cable retainer

1шт.

4

367529R1

SUPPORT, cable clamp, upper

1шт.

5

367214R1

CLAMP, cable

3шт.

368080R91

NUT, hex., 1/4-20NC, w/external-tooth lock washer

3шт.

413-412

BOLT,Hex, 1/4" - 20 x 3/4", Gr 5

3шт.

6

368529R1

CLIP, cable storage

1шт.

179791

BOLT,Hex, 1/4" - 20 x 1/2", Gr 5

1шт.

103319

LOCK WASHER,1/4"

WASHER, LOCK, 1/4"

1шт.

7

368528R1

SUPPORT, cable clamp lower

1шт.

271600

SPARE PART

SCREW, cap, hex-hd., 3/4-10NC x 3/4"

1шт.

103326

LOCK WASHER,3/4"

WASHER, LOCK, 3/4"

1шт.

8

368526R91

CABLE, traction control guide, assembly

1шт.

NLS

NO LONGER SERVICED

PIN, cotter, 1/16 x 1/2"

1шт.

9

368524R91

CABLE, piston rod, extension guide, assembly

1шт.

103361

PIN, SPLIT (COTTER)

PIN, cotter, 1/16 x 1/2"

2шт.

103319

LOCK WASHER,1/4"

WASHER, LOCK, 1/4"

1шт.

10

367201R11

GUIDE, pilot

1шт.

367264R91

NUT, hex., no. 10-32NF, w/external-tooth lock washer

3шт.

367260R1

SCREW, mach., hex-hd., no. 10-32Nf x 3/4"

3шт.

395-31022

WASHER,#10

plain, 13/64" ID x 15/32" OD x .049 thick

1шт.

11

368530R1

CLIP, piston rod extension guide cable, rear

2шт.

12

368527R1

STUD, piston rod extension guide cable shoulder

1шт.

95-11034

WASHER,1/4"

plain, 11/32" ID x 11/16" OD x .065 thick

1шт.

13

22777V

SPACER, piston rod extension guide cable

1шт.

Выбрано товаров: 28