Запчасти Case IH 400-SERIES (347) - HYDRAULIC SYSTEM, HYDRA-TOUCH SYSTEM, CONTROL VALVES & CONTROLS (07) - HYDRAULIC SYSTEM

Схема запчастей Case IH 400-SERIES - (347) - HYDRAULIC SYSTEM, HYDRA-TOUCH SYSTEM, CONTROL VALVES & CONTROLS (07) - HYDRAULIC SYSTEM
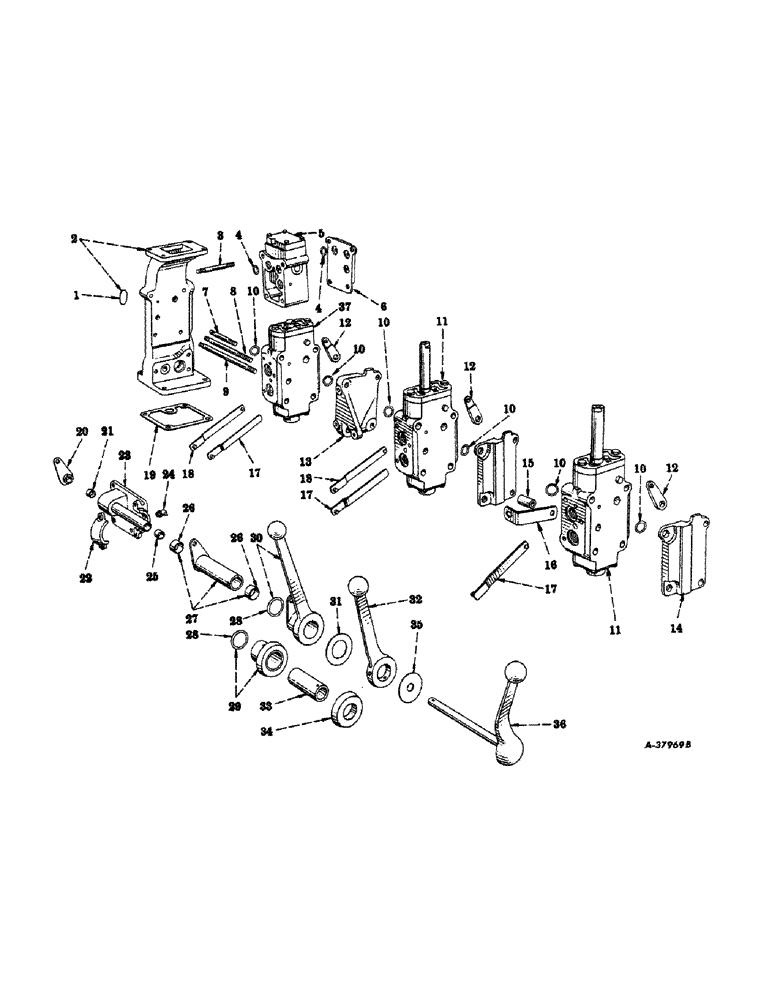
36
5
29
8
21
27
28
16
10
11
12
17
13
28
1
1
26
10
20
31
17
24
10
18
26
3
25
32
37
10
17
23
20
10
19
11
33
4
7
34
6
14
22
9
4
12
35
18
2
12
15
FIT
1:1
100%

Артикул

Название

Примечание

Количество

1

172574

PLUG,Exp, 1 1/2"

expansion, 1-1/2" (A only) (B only) (C only)

1шт.

2

361519R11

COLUMN, hydra-touch control valve, w/plug, 172574 and sleeve (A only) (B only) (C only)

1шт.

179860

BOLT,Hex, 7/16" - 14 x 1 1/4", Gr 5

SCREW, cap, hex-hd., 7/16-14NC x 1-1/4" (A only) (B only) (C only)

2шт.

413-818

BOLT,Hex, 1/2" - 13 x 1-1/8", Gr 5

SCREW, cap, hex-hd., 7/16-14NC x 1-1/2" (A only) (B only) (C only)

2шт.

103322

LOCK WASHER,7/16"

WASHER, LOCK, (A only) (B only) (C only) 7/16"

4шт.

3

361447R1

STUD, mounting, regulator and safety valve (A only) (B only) (C only)

4шт.

4

350667R1

O-RING,0.103" Thk x 0.674" ID, -115, Cl 5, 75 Duro

RING, seal, regulator and safety valve (A only) (B only) (C only)

4шт.

5

360621R92

VALVE

regulator and safety, assembly (for components see list of parts under detail of "Regulator and Safety Valve") (for tractors without power steering) (A only) (B only) (C only)

1шт.

5

364841R93

VALVE, regulator, safety and flow control, and assembly (for components see list of parts under detail of "Regulator, Safety and FLow Control Valve") (for tractors with power steering) (A only) (B only) (C only)

1шт.

6

361457R1

COVER, regulator and safety valve (A only) (B only) (C only)

1шт.

271505

BODY

hex., 7/16-20NF (A only) (B only) (C only)

4шт.

114607

LOCK, (A only) (B only) (C only) Ext Tooth, 7/16"

4шт.

7

363073R1

STUD, mounting, hydra-touch valve, front (4-1/4") (A only)

2шт.

8

363074R1

STUD, mounting, hydra-touch valve, front (7-3/8") (B only) (D only)

2шт.

9

361449R1

STUD, mounting, hydra-touch valve, front (9-1/32") (C only) (E only) (F only)

2шт.

10

350667R1

O-RING,0.103" Thk x 0.674" ID, -115, Cl 5, 75 Duro

RING, seal, hydra-touch control valve (A only) (E only)

6шт.

(D only) (F only)

3шт.

(B only)

9шт.

(C only)

12шт.

11

365981R91

VALVE, hydra-touch control assembly (for components see list of parts under details of "Hydra-Touch Control Valve") (will work for 360590R92) (Farmall 400 series tractors) (B only) (D only) (F only)

1шт.

(C only) (E only)

2шт.

11

365447R91

VALVE, hydra-touch control, assembly (for components see list of parts under details of "Hydra-Touch Control Valve") (Farmall 450 series tractors) (B only) (D only) (F only)

1шт.

(C only) (E only)

2шт.

362356R3

PLUG, automotive pipe, sq-socket, stl., 1/2" (hydra-touch control valve) (optional with 365240R1) (B only) (D only) (F only)

2шт.

(C only) (E only)

4шт.

365240R1

PLUG, automotive pipe, sq-socket, stl., 1/2" (hydra-touch control valve) (optional with 362356R3) (B only) (D only) (F only)

2шт.

(C only) (E only)

4шт.

12

361650R11

LEVER

actuating, hydra-touch valve (A only) (D only) (F only)

1шт.

(B only) (E only)

2шт.

(C only)

3шт.

13

363143R1

COVER, control valve (A only)

1шт.

425-117

NUT,7/16"-20, G5

hex., 7/16-20NF (A only)

2шт.

179874

BOLT,Hex, 7/16" - 14 x 4", Gr 5

(A only) Hex, 7/16"-14 x 4", G5

2шт.

NLS

NO LONGER SERVICED

LOCK, (A only) Ext Tooth, 7/16"

4шт.

14

361456R1

COVER, control valve (B only) (C only) (D only) (E only)

1шт.

271505

BODY

hex., 7/16-20NF (B only) (C only)

2шт.

187136

BOLT

SCREW, cap, hex-hd., 7/16-14NC x 6" (B only) (D only)

2шт.

18312R1

SCREW, cap, hex-hd., 7/16-14NC x 8-3/8" (C only) (E only) (F only)

2шт.

114607

LOCK, (B only) (C only) Ext Tooth, 7/16"

4шт.

(F only)

1шт.

15

363082R1

SPACER,3/8" Pipe x .656"

hydraulic control bracket (B only) (D only)

1шт.

16

363081R1

SUPPORT, hydraulic control bracket (B only) (D only)

1шт.

425-117

NUT,7/16"-20, G5

hex., 7/16-20NF (B only)

1шт.

17

361651R11

LINK, hydra-touch valve control, w/two pins (B only) (D only)

1шт.

(C only) (E only)

3шт.

(F only)

2шт.

107762

WASHER,3/32" x 5/8"

PIN, SPLIT, (COTTER), (B only) (D only) (F only) 3/32" x 5/8"

1шт.

(C only)

3шт.

(E only)

2шт.

47383D

WASHER, hydraulic control lever pin (A only) (D only) (F only)

1шт.

(C only)

3шт.

(E only)

2шт.

18

363080R91

LINK, hydra-touch valve control, w/two pins (A only) (B only)

1шт.

107762

WASHER,3/32" x 5/8"

PIN, SPLIT, (COTTER), (A only) (B only) 3/32" x 5/8"

1шт.

47383D

WASHER, hydraulic control lever pin (A only) (B only)

1шт.

19

361452R1

GASKET

GAKSET, hydra-touch control valve column (A only) (B only) (C only)

1шт.

20

361648R11

LEVER, operating, hydraulic control rear valve, w/hub (A only) (B only) (C only)

1шт.

364577R1

PIN,5/32" x 3/4", Coiled

(will work for 17157R1) (A only) (B only) (C only) 5/32" x 3/4", Coiled

1шт.

21

363766R1

BUSHING

hydraulic control rear valve, shaft, inner (A only) (B only) (C only)

1шт.

22

CAP, bearing, hydraulic control bracket (not serviced separately) order 361632R11 (A only) (B only) (C only)

1шт.

179793

BOLT,Hex, 1/4" - 20 x 5/8", Gr 5, Full Thd

(A only) (B only) (C only) Hex, 1/4"-20 x 5/8", G5, Full Thd

2шт.

103319

LOCK WASHER,1/4"

WASHER, LOCK, (A only) (B only) (C only) 1/4"

2шт.

23

361632R11

BRACKET, hydraulic control, assembly, composed of (1) bracket 361632R1 (NSS), (1) bushing 363766R1, (1) bushing 363767R1, (1) cap 361635R1 (NSS), (1) carrier 361633R1 (NSS), (2) screw 179793, (2) washer 103319 (A only) (B only) (C only)

1шт.

114503

JAM NUT,Jam, 3/8"-16, G5

(B only) (D only) Jam, 3/8"-16, G5

1шт.

179838

BOLT,Hex, 3/8" - 16 x 7/8", Gr 5, Full Thd

cap, hex-hd., 3/8-16NC x 7/8" (B only) (D only)

1шт.

NLS

NO LONGER SERVICED

(A only) (C only) Hex, 3/8"-16 x 1", G5

3шт.

(B only)

2шт.

(F only)

1шт.

103321

LOCK WASHER,3/8"

WASHER, LOCK, (A only) (B only) (C only) 3/8"

3шт.

24

332040

LUBE NIPPLE,90 Degree, 1/8" NPT x .84" lg

FITTING, lubrication, 90deg. elbow, 1/8" (optional with 109462) (A only) (B only) (C only)

1шт.

24

332040

LUBE NIPPLE,90 Degree, 1/8" NPT x .84" lg

FITTING, lubrication, 90deg. elbow, 1/8" (optional with 271285) (A only) (B only) (C only)

1шт.

25

363767R1

BUSHING, hydraulic control rear valve shaft, outer (A only) (B only) (C only)

1шт.

26

363768R1

BUSHING

hydraulic control right valve operating shaft (B only) (C only)

2шт.

27

361640R91

LEVER and SHAFT, operating, hydraulic control right valve, w/two bushings, 363768R1 (B only) (C only) (D only) (E only)

1шт.

28

362517R91

SEAL

OIL SEAL, left valve operating shaft or valve control spacer (A only) (B only) (C only)

1шт.

29

363075R91

SPACER, inner, hydra-touch control valve, w/oil seal, 362517R91 (A only) (B only)

1шт.

30

362567R91

HANDLE, hydraulic control left valve, w/lever, oil seal, 362517R91, and shaft (C only) (E only) (F only)

1шт.

31

361644R1

SPACER, hydraulic control right valve handle (A only) (B only) (C only)

1шт.

32

361639R1

HANDLE, hydraulic control right valve (B only) (C only) (D only) (E only)

1шт.

18400R1

LOCK PIN,3/16" x 5/8", Slotted

PIN, (B only) (C only) 3/16" x 5/8", Slotted

3шт.

(D only) (E only)

2шт.

33

363078R1

SHAFT, outer, hydra-touch valve control (A only)

1шт.

34

363079R1

SPACER, outer, hydra-touch valve control (A only)

1шт.

18400R1

LOCK PIN,3/16" x 5/8", Slotted

PIN, (A only) 3/16" x 5/8", Slotted

1шт.

35

361647R1

SPACER, hydraulic control rear valve handle (A only) (B only) (C only)

1шт.

36

361645R11

HANDLE, hydraulic control rear valve, w/shaft (A only) (B only) (C only)

1шт.

37

365981R91

VALVE, hydra-touch control, assembly (for components see list of parts under details of "Hydra-Touch Control Valve") (for tractors w/o power steering) (will work for 360590R92) (A only) (B only) (C only)

1шт.

37

365983R91

VALVE, hydra-touch control, assembly (illustrated) (for components see list of parts under detail of "Hydra-Touch Control Valve") (for tractors w/power steering) (will work for 365409R91) (A only) (B only) (C only)

1шт.

362356R3

PLUG, automotive pipe, sq-socket, stl., 1/2" (hydra-touch control valve) (optional with 365240R1) (A only) (B only) (C only)

2шт.

365240R1

PLUG, automotive pipe, sq-socket, stl., 1/2" (hydra-touch control valve) (optional with 362356R3) (A only) (B only) (C only)

2шт.

Выбрано товаров: 90