Запчасти Case IH 400-SERIES (444) - ATTACHMENTS, HYDRAULIC POWER STEERING, SPECIAL Attachments

Схема запчастей Case IH 400-SERIES - (444) - ATTACHMENTS, HYDRAULIC POWER STEERING, SPECIAL Attachments
9
26
13
28
10
5
17
11
18
25
8
9
5
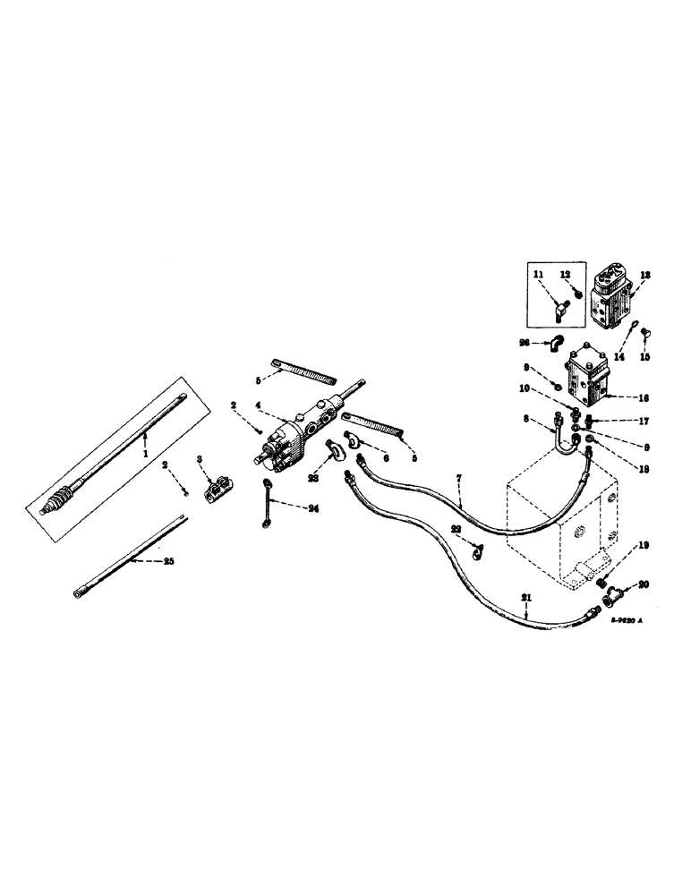
1
3
21
15
12
6
2
20
16
19
14
22
2
7
24
4
FIT
1:1
100%

Артикул

Название

Примечание

Количество

1

365430R11

WORM AND SHAFT, steering (A and C only)

1шт.

REF: # 1 365 430 R11 WORM & SHAFT IS KEYED

1шт.

1

365822R11

WORM AND SHAFT, steering (B only)

1шт.

2

126-119

WOODRUFF KEY,#11, 3/16" x 7/8", HT

KEY, Woodruff, ni-stl., no. 11 (steering worm shaft)

2шт.

3

365424R1

CLAMP

COUPLING, steering shaft

1шт.

181371

BOLT

SCREW, cap, hex-hd., 3/8-24NF x 1-3/8"

2шт.

103321

LOCK WASHER,3/8"

WASHER, LOCK, 3/8"

2шт.

4

365423R93

UNIT, hydraulic power steering (for components see list of parts under details of "Power Steering Unit")

1шт.

5

365431R1

STABILIZER, hydraulic power steering unit (A and D only)

2шт.

5

365823R1

STABILIZER, hydraulic power steering unit (B and E only)

2шт.

179837

BOLT,Hex, 3/8" - 16 x 3/4", Gr 5

(A, B, D and E only) Hex, 3/8"-16 x 3/4", G5, Full Thd

2шт.

179838

BOLT,Hex, 3/8" - 16 x 7/8", Gr 5, Full Thd

cap, hex-hd., 3/8-16NC x 7/8" (used with RH stabilizer) (A, B, D and E only)

1шт.

NLS

NO LONGER SERVICED

(used with LH stabilizer) (A, B, D and E only) Hex, 3/8"-16 x 1", G5

1шт.

93-41039

LOCK WASHER,Ext Tooth, 3/8"

WASHER, lock, ext-tooth, 3/8" (A, B, D and E only)

2шт.

6

217-22

ELBOW,90 Degree, 3/8"-18 NPTF, Fem x 3/8"-18 NPTF Male

street, automotive pipe, brs., 3/8 x 90deg.

1шт.

7

365428R91

HOSE ASSY.

HOSE AND TUBE, pressure, 3/8" ID x 46-3/4"

1шт.

8

365419R91

TUBE, regulator to valve, w/two nuts and two sleeves .625" OD, 3.125, 1.937" Length

1шт.

9

364885R1

O-RING,0.097" Thk x 0.755" ID, -910, Cl 6, 90 Duro

RING, seal, regulator to valve tube connector

2шт.

10

364884R1

CONNECTOR, ELEC

CONNECTOR, regulator to valve tube

1шт.

11

364881R1

ELBOW

regulator to valve tube (order 368863R91)(A, B and C only)

1шт.

12

364882R1

NUT, regulator to valve tube elbow (only used with elbow, 364881R1) (A, B and C only)

1шт.

13

365983R91

VALVE, Hydra-Touch control, assembly (for components see list of parts under details of "Hydra-Touch Control Valve")

1шт.

14

355967R1

O-RING,0.364" ID x 0.003" Width

RING, seal, list circuit block plug

1шт.

15

364880R1

PLUG

lift circuit block

1шт.

16

364841R93

VALVE, regulator, safety and flow control, assembly (for components see list of parts under details of "Regulator, safety and flow control valve")

1шт.

17

364871R1

CONNECTOR, ELEC

CONNECTOR, pressure hose and ube to regulator valve

1шт.

18

364839R1

O-RING,0.078" Thk x 0.468" ID, -906, Cl 6, 90 Duro

6-1, 90 Duro, .468" ID x .078" Thk, seal, pressure hose and tube to regulator valve connector

1шт.

19

192068

NIPPLE, pipe, cd-pltd., 3/8-1-1/8" (hydraulic reservoir)

1шт.

20

179616

ROD

TEE, reducing pipe, 1/2 x 3/8 (hydraulic reservoir)

1шт.

103879

PLUG, pipe, sq-hd., stl., 3/8" (note B)

1шт.

21

365429R91

HOSE

return, 1/2" ID x 55-1/2"

1шт.

22

366776R1

SUPPORT, return hose (A, B, D and E only)

1шт.

23

364148R1

ELBOW

street, brs., 1/2 x 90deg.

1шт.

24

365741R3

ROD, hydraulic power steering stabilizer (C and F only)

1шт.

272642

COVER

NUT, lock, hex., 7/16-20NF (C and F only)

1шт.

25

368947R11

SHAFT, steering worm, w/coupling (D and F only)

1шт.

REF # 25 THIS SHAFT IS SPLINED 14-MAY-96

1шт.

25

368948R11

SHAFT, steering worm, w/coupling (E only)

1шт.

26

368863R91

ELBOW

hydra-touch control valve, w/nut and washer (will work for 364881R1)

1шт.

366566R11

CAP, monogrammed, steering wheel (illustrated with steering mechanism) (Farmall 450 series)

1шт.

366286R1

NUT, steering wheel (illustrated with steering mechanism) (Farmall 400 series) (A, B and C only)

1шт.

366215R1

PLATE, name, power steering (illustrated with steering mechanism) (Farmall 400 series) (A, B and C only)

1шт.

365622R1

TUBE

FLUID, Hydra-Touch and touch control (for all weather use) (gallon can) (see note B)

1шт.

365843R1

FLUID, Hydra-Touch and touch control (for all weather use) (quart can) (see note B)

1шт.

Выбрано товаров: 0