Запчасти Case IH 404 (013) - CARBURETED ENGINE, CRANKCASE AND RELATED PARTS (01) - ENGINE

Схема запчастей Case IH 404 - (013) - CARBURETED ENGINE, CRANKCASE AND RELATED PARTS (01) - ENGINE
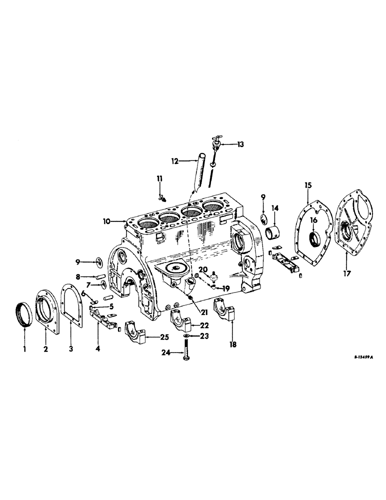
12
1
21
5
17
7
23
19
11
3
8
15
18
13
2
25
9
22
4
6
10
24
20
14
16
FIT
1:1
100%

Артикул

Название

Примечание

Количество

1

378040R91

PACKING RING

OIL SEAL, crankshaft rear

1шт.

2

377996R2

HUB

RETAINER, cranshaft rear oil seal

1шт.

179818

BOLT,Hex, 5/16" - 18 x 1", Gr 5

8шт.

103320

LOCK WASHER,5/16"

WASHER, LOCK, 5/16"

8шт.

3

377997R1

GASKET

crankshaft rear oil seal retainer

1шт.

4

6100DA

SUPPORT ASSY.

PLATE, crankshaft front and rear oil seal retainer

2шт.

5

43445DA

PAD

PLUG, crankshaft oil seal retainer plate felt

4шт.

6

43446DA

GASKET,1.29mm Thk

crankshaft oil seal retainer plate

4шт.

7

172576

PLUG,Exp, 1 5/8"

1-5/8" expansion (camshaft rear)

1шт.

8

357232R1

PIN

DOWEL, clutch housing

2шт.

9

172592

SUPPORT

2" expansion (crankshaft core)

2шт.

10

375596R11

CRANKCASE ASSEMBLY

1шт.

444654

PLUG,Sq Soc, 1/4"-18 NPTF

1/4" sq socket pipe

2шт.

444574

PLUG,Sq Hd, 1/4"-18 NPTF

1/4"-18 CI sq-hd. pipe

1шт.

50410DA

PLUG

oil header

2шт.

NSS

NOT SOLD SEPARAT

SCREW, 1/2 x 1-3/4" cap

4шт.

NSS

NOT SOLD SEPARAT

SCREW, 5/8 x 2" cap

2шт.

NSS

NOT SOLD SEPARAT

SCREW, 5/8 x 2-3/4" cap

1шт.

11

103647

VALVE

COCK, 1/4 type C water drain

1шт.

12

368985R2

TUBE

SLEEVE, oil level gage

1шт.

13

381421R91

GAGE ASSEMBLY, oil level (International tractors)

1шт.

13

375792R91

GAUGE

GAGE ASSEMBLY, oil level (Farmall tractors)

1шт.

14

43439DBR

BUSHING,50.77mm ID x 54.15mm OD x 33.34mm L

distributor gear

1шт.

15

46179DC

GASKET

crankcase front cover

1шт.

16

378193R91

SEAL

OIL SEAL W/RING ASSEMBLY, crankcase front cover

1шт.

17

46122DDX

COVER

ASSEMBLY, crankcase front

1шт.

179814

SPACER

10шт.

179837

BOLT,Hex, 3/8" - 16 x 3/4", Gr 5

1шт.

103320

LOCK WASHER,5/16"

WASHER, LOCK, 5/16"

11шт.

103321

LOCK WASHER,3/8"

WASHER, LOCK, 3/8"

1шт.

95-11034

WASHER,1/4"

11/32 x 11/16 x 16 ga.

10шт.

95-11041

WASHER,3/8"

(13/32 x 13/16 x 16 ga) 3/8"

1шт.

18

NSS

NOT SOLD SEPARAT

CAP, crankshaft front bearing (not serviced separately order crankcase assembly)

1шт.

19

444163

ELBOW

1/8" street (oil pressure switch mounting)

1шт.

20

392249R92

SWITCH

oil pressure

1шт.

21

444574

PLUG,Sq Hd, 1/4"-18 NPTF

1/4" sq-hd. pipe

1шт.

22

NSS

NOT SOLD SEPARAT

CAPS, crankshaft center bearing (not serviced separately order crankcase assembly)

1шт.

23

58516H

WASHER,17/32" x 1 1/16" x .095", HDN

crankshaft bearing cap bolt

6шт.

24

70133R1

BOLT

BOLT, crankshaft bearing cap

6шт.

25

NSS

NOT SOLD SEPARAT

CAP, crankshaft rear bearing (not serviced separately order crankcase assembly)

1шт.

379620R92

GASKET

PACKAGE, crankcase front cover seal and gasket (consists of (1) gasket 46179DC, (1) gasket 43294D, (1) gasket 46871D, (1) gasket 45875D, (1) gasket 375745R1, (1) oil seal 378191R91, (1) ring 378192R1)

1шт.

379619R91

PACKAGE

rear main bearing seal and gasket (consists of (2) gasket 43446DA, (1) gasket 377997R1, (1) oil seal 378040R91, (2) plug 43445DA)

1шт.

Выбрано товаров: 42