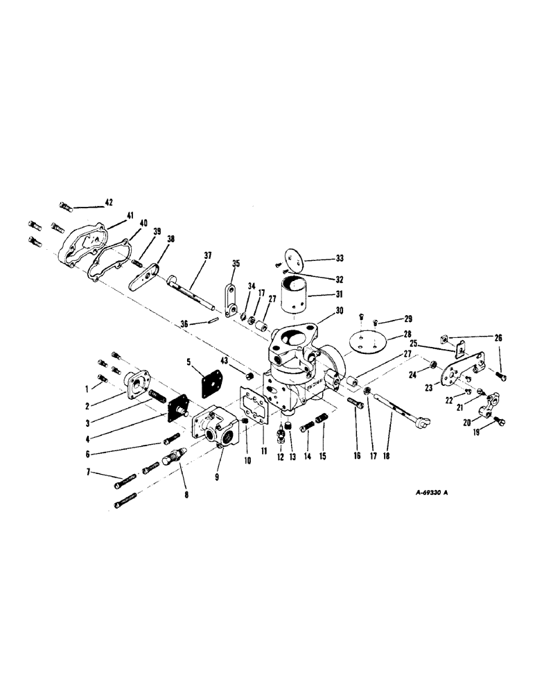
Запчасти Case IH 404 (027) - FUEL SYSTEM, CARBURETOR, LP GAS ENGINE TRACTORS (02) - FUEL SYSTEM

Схема запчастей Case IH 404 - (027) - FUEL SYSTEM, CARBURETOR, LP GAS ENGINE TRACTORS (02) - FUEL SYSTEM
15
4
32
12
39
35
27
9
5
37
7
38
14
17
29
31
11
43
41
18
8
16
2
22
40
34
6
1
19
26
33
24
30
36
28
21
23
10
42
3
20
25
13
FIT
1:1
100%

Артикул

Название

Примечание

Количество

1

451633

SCREW and LOCK WASHER ASSEMBLY, no. 6 x 3/8" cd-pltd. slt-fil-hd. mach.

4шт.

2

383067R1

COVER, economizer

1шт.

3

383068R1

SPRING, economizer

1шт.

4

383069R91

DIAPHRAGM ASSEMBLY, economizer

1шт.

5

313890R1

DIAPHRAGM, economizer

1шт.

6

19651R1

SCREW and LOCK WASHER ASSEMBLY, no. 10NF x 7/8" cd-pltd. sltd-fil-hd. mach.

2шт.

7

19652R1

SCREW and LOCK WASHER ASSEMBLY, no. 10NF x 1-1/4" cd-pltd. slt-fil-hd. mach.

2шт.

8

383071R1

SCREW, fuel adjusting

1шт.

45214D

NUT, adjusting screw lock

1шт.

9

383070R1

HOUSING, economizer and gas inlet

1шт.

10

303702R1

SCREW, economizer bleed orifice

1шт.

11

313886R1

GASKET, economizer and gas inlet housing

1шт.

12

383073R1

SCREW, starter adjusting

1шт.

45216D

NUT, adjusting screw lock

1шт.

13

217-430

PLUG,Hex Soc, 1/8" - 27 NPTF

1/8" slt-headless brass pipe

1шт.

14

187838

BUMPER

SCREW, throttle stop adjusting

1шт.

15

37185D

SPRING, throttle stop adjusting screw

1шт.

16

132198

SCREW, venturi set

1шт.

131184

CONNECTING LINK

WASHER, no. 12 cd-pltd. light lock

1шт.

17

58899D

SEAL, throttle shaft dust

2шт.

18

383074R91

SHAFT and STOP ASSEMBLY, throttle (unit B)

1шт.

19

431942

SUPPORT,Hex, #10 - 32 x 1/2"

choke lever swivel

1шт.

20

275583R91

LEVER ASSEMBLY, choke

1шт.

21

36756D

SCREW, choke lever set

1шт.

22

443799

SCREW, choke tube support

2шт.

23

58889D

SUPPORT w/CLAMP ASSEMBLY, choke tube

1шт.

24

58899D

SEAL, choke shaft dust

1шт.

25

56389D

CLAMP, choke tube

1шт.

26

132105

SCREW,Sl Fil Hd, #10 - 32 x 3/8"

no. 10 NF x 3/8" cd-pltd. slt-fil. hd. mach.

1шт.

120611

NUT,#10 - 32

no. 10 NF cd-pltd. sq.

1шт.

27

66819D

BUSHING, throttle shaft

2шт.

28

383078R1

DISC, choke

1шт.

29

56365D

SCREW, choke disc

2шт.

30

383072R92

BODY ASSEMBLY, partial

1шт.

31

381265R1

VENTURI

1шт.

32

56365D

SCREW, throttle disc

2шт.

33

NSS

NOT SOLD SEPARAT

DISC, throttle (not serviced separately)

1шт.

34

313879R1

RING, throttle shaft snap

1шт.

35

313880R1

LEVER, throttle (unit A order package, 383081R91)

1шт.

35

383076R1

LEVER, throttle (unit B)

1шт.

36

36756D

SCREW, clamp (unit A order package, 383081R91)

1шт.

36

NLS

NO LONGER SERVICED

PIN, grooved, 3/32" x 1/2", Type A

1шт.

37

383077R91

SHAFT AND CAM ASSEMBLY, choke

1шт.

38

383079R91

LEVER ASSEMBLY, valve

1шт.

39

42338D

SPRING, choke shaft thrust

1шт.

40

313883R1

GASKET, valve cover

1шт.

41

383080R1

COVER, valve

1шт.

42

17093R1

SCREW, valve cover

4шт.

43

217-430

PLUG,Hex Soc, 1/8" - 27 NPTF

1/8" slt-headless brass pipe

1шт.

Выбрано товаров: 49