Запчасти Case IH 450-SERIES (184) - ELECTRICAL SYSTEM, DIESEL ENGINE, CRANKING MOTOR, DELCO-REMY (06) - ELECTRICAL SYSTEMS

Схема запчастей Case IH 450-SERIES - (184) - ELECTRICAL SYSTEM, DIESEL ENGINE, CRANKING MOTOR, DELCO-REMY (06) - ELECTRICAL SYSTEMS
28
14
20
37
26
18
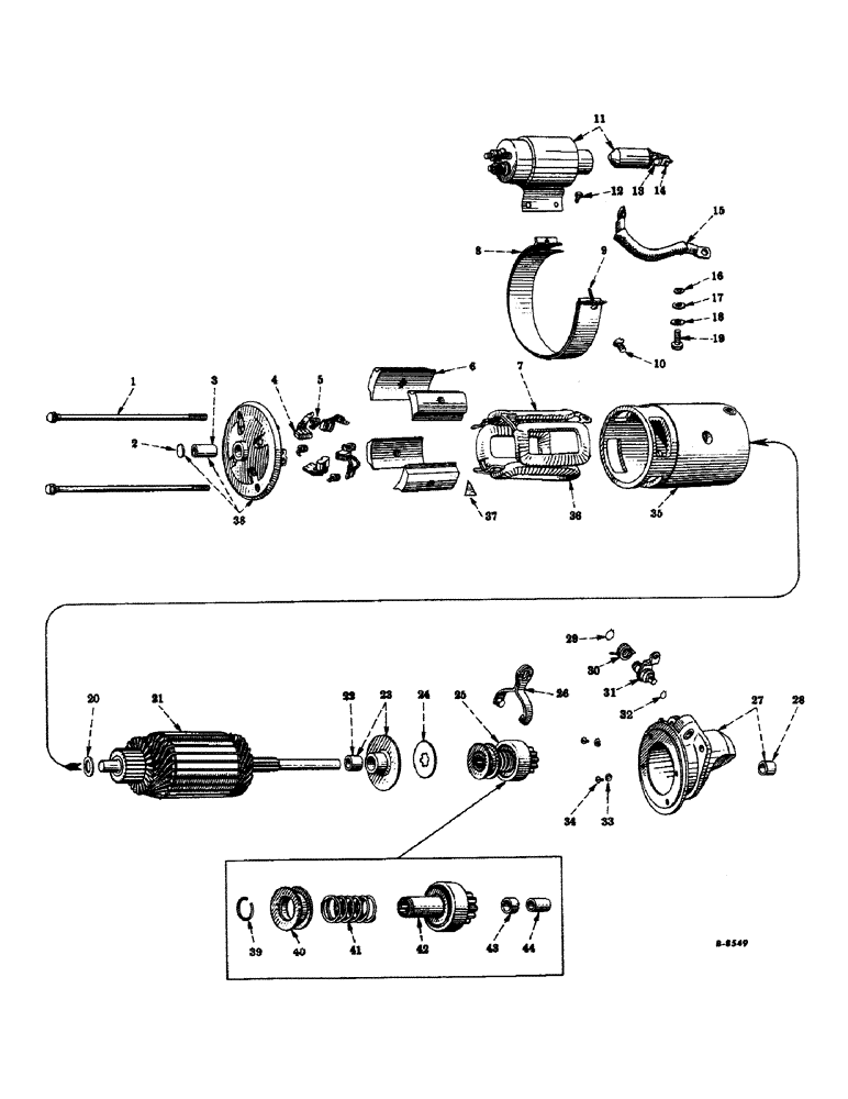
1
32
38
10
13
5
35
8
24
21
19
25
27
16
42
17
33
44
39
22
12
34
4
9
7
41
36
11
43
2
3
23
6
31
40
29
30
15
FIT
1:1
100%

Артикул

Название

Примечание

Количество

361983R91

SPARE PART MOTOR, cranking (12 volt) (order 364932R91)

1шт.

104202A2R

REMAN-STARTER

Remanufactured Starter

1шт.

104202A1C

CORE-STARTER

Return Part Number

1шт.

104207A1R

REMAN-STARTER

Remanufactured Starter

1шт.

104207A1C

CORE-STARTER

Return Part Number

1шт.

1

BOLT, thru (Mfr. 812291)

2шт.

.

WASHER, lock, cd-pltd., 5/16" (Mfr. 120214)

2шт.

2

PLUG, commutator end frame (Mfr. 1865182)

1шт.

3

BUSHING, commutator end frame (not serviced separately - order Ref. no. 38)

1шт.

4

BRUSH (Mfr. 1906909)

4шт.

.

SCREW, slotted-rd-hd., cd-pltd., no. 8-32NC x 5/16" (Mfr. 121749)

4шт.

.

WASHER, lock, cd-pltd., no. 8 (Mfr. 121841)

4шт.

5

SPRING, brush (Mfr. 1861785)

4шт.

6

SHOE, pole (Mfr. 1909481)

4шт.

7

COIL, field, upper (2 coils) (Mfr. 1918510)

1шт.

8

BAND, cover (Mfr. 1889664)

1шт.

9

SCREW, machine, slotted-rd-hd, cd-pltd., no. 10-32NF (Mfr. 132926)

1шт.

10

SCREW, pole shoe (Mfr. 1843646)

4шт.

11

SWITCH, solenoid, assembly (for components see list of parts under details of "cranking motor solenoid switch") (Mfr. 1118055)

1шт.

12

SCREW, switch attaching (Mfr. 1860959)

4шт.

.

WASHER, lock, cd-pltd. (Mfr. 120380)

4шт.

13

LINK AND SCREW, adjusting (Mfr. 1930646)

1шт.

14

PIN, link attaching (Mfr. 1930648)

1шт.

.

PIN, cotter (Mfr. 112726)

1шт.

15

CABLE, switch to field terminal (Mfr. 1847199)

1шт.

16

WASHER, insulating, terminal (9/16" O.D.) (Mfr. 1904669)

3шт.

17

WASHER, insulating, terminal (outside) (Mfr. 1842057)

1шт.

18

WASHER, insulating, terminal (inside) (3/4" O.D.) (Mfr. 1861076)

1шт.

19

TERMINAL (Mfr. 1910099)

1шт.

.

NUT, hex., cd-pltd., 3/8NC (Mfr. 134566)

1шт.

.

NUT, terminal (Mfr. 805258)

1шт.

.

WASHER, lock, cd-pltd., 3/8" (Mfr. 120381)

2шт.

.

WASHER, plain, terminal (Mfr. 805790)

2шт.

20

WASHER, spacer, commutator end (Mfr. 833602)

1шт.

21

ARAMTURE (Mfr. 1918929)

1шт.

22

BUSHING, center bearing (not serviced separately - order Ref. no. 23)

1шт.

23

BEARING, center, w/bushing (Mfr. 820149)

1шт.

24

WASHER, space, drive end (Mfr. 1884025)

1шт.

25

DRIVE, motor (composed of (1) bushing (NSS), (1) bushing (NSS), (1) collar 1838436, (1) ger and shaft (NSS), (1) spring 37517, (1) wire 37521)

1шт.

REF: # 25 IS A STRAIGHT SPLINE DRIVE

1шт.

26

LEVER, shift, lower (Mfr. 1930652)

1шт.

27

HOUSING, motor drive, w/bushing (Mfr. 1930655)

1шт.

28

BUSHING, motor drive housing (not serviced separately - order Ref. no. 27) (Mfr. 1930655)

1шт.

29

RING, retainer, shift lever (.618") (Mfr. 1918741)

1шт.

30

SPRING, shift lever (Mfr. 1930651)

1шт.

31

LEVER AND SHAFT, shift, upper (Mfr. 1930649)

1шт.

32

RING, retainer, shift lever (.338") (Mfr. 1918742)

1шт.

33

WASHER, lock, center bearing attaching screw (Mfr. 1880781)

2шт.

34

SCREW, attaching, center bearing (Mfr. 132892)

2шт.

35

FRAME (not serviced separately)

1шт.

36

COIL, field, lower (2 coils) (Mfr. 1918516)

1шт.

37

INSULATOR, field coil (triangle) (Mfr. 1913534)

2шт.

38

FRAME, end, commutator, w/bushing, pin, 809062 and plug, 1865182 (Mfr. 1924757)

1шт.

.

PIN, dowel, commutator end frame (Mfr. 809062)

1шт.

39

WIRE, lock, motor drive (Mfr. 37521)

1шт.

40

COLLAR, motor drive (Mfr. 1838436)

1шт.

41

SPRING, motor drive (Mfr. 37517)

1шт.

REF: # 41 IS A SPIRAL SPLINE DRIVE 14-MAY-96

1шт.

42

GEAR AND SHAFT (not serviced separately, order 1912835)

1шт.

43

BUSHING, steel, split, motor drive (not serviced separately - order Ref. no. 25)

1шт.

44

BUSHING, oilless, motor drive (not serviced separately - order Ref. no. 25)

1шт.

.

PIN, dowel, drive end (Mfr. 809593)

1шт.

Выбрано товаров: 62