Запчасти Case IH 450-SERIES (340) - HYDRAULIC SYSTEM, HYDRA-TOUCH SYSTEM, HYDRAULIC PUMP, TUBES & CONNECTIONS (07) - HYDRAULIC SYSTEM

Схема запчастей Case IH 450-SERIES - (340) - HYDRAULIC SYSTEM, HYDRA-TOUCH SYSTEM, HYDRAULIC PUMP, TUBES & CONNECTIONS (07) - HYDRAULIC SYSTEM
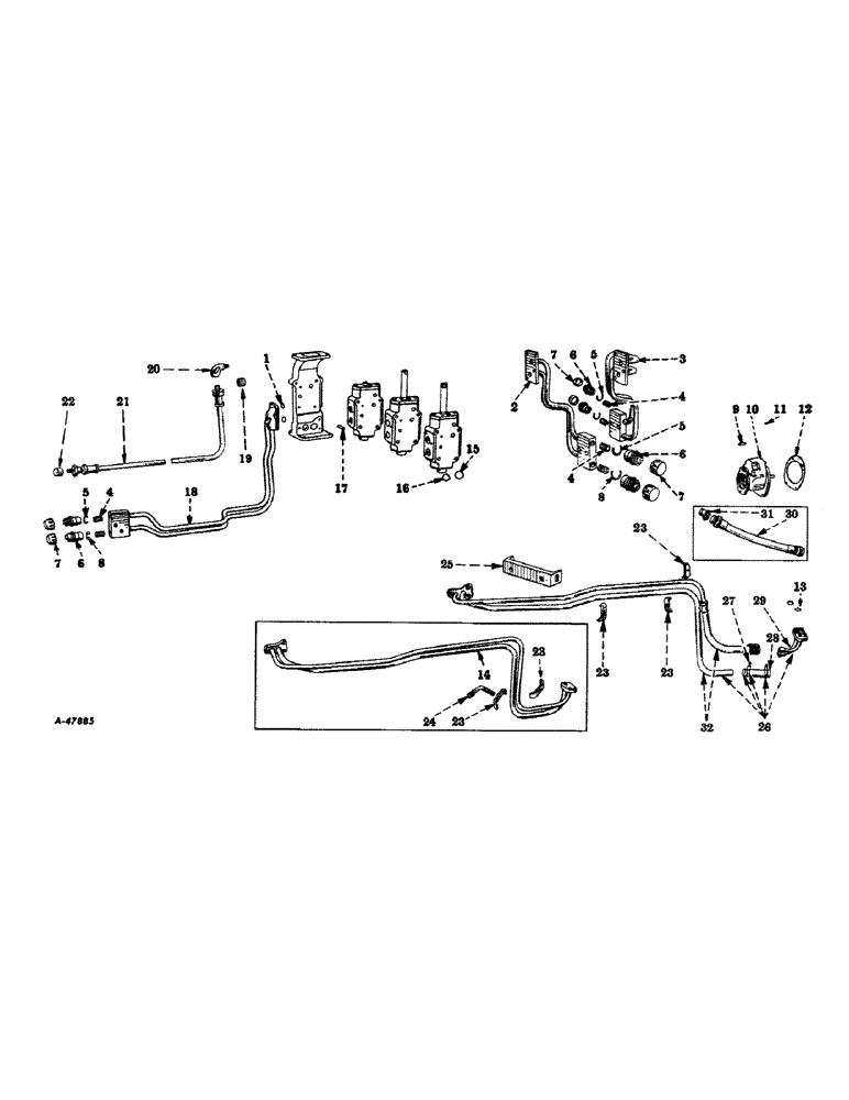
16
24
5
23
19
6
28
15
22
23
12
17
23
13
23
20
4
25
1
32
4
31
8
9
7
29
6
23
26
18
2
3
7
4
10
8
5
21
30
7
27
6
14
5
11
FIT
1:1
100%

Артикул

Название

Примечание

Количество

1

253070R1

O-RING,0.139" Thk x 0.859" ID, -212, Cl 5, 75 Duro

RING, seal, hydra-touch control valve flange (will work for 352024R2) (A only) (D only) (F only)

2шт.

(B only) (E only)

4шт.

(C only)

6шт.

2

365360R91

TUBES, valve to RH junction block, w/block, flange and 2 plug, 365239R1 (B only) (C only) (D only) (E only)

1шт.

103026

NUT,3/8"-24, G5

(B only) (C only) (D only) (E only) 3/8"-24, G5

2шт.

365239R1

PLUG, automotive pipe, sq-socket, stl., 1/4" (will work for 362355R3) (B only) (C only)

2шт.

179840

BOLT,Hex, 3/8" - 16 x 1 1/8", Gr 5

SCREW, cap, hex-hd., 3/8-16NC x 1-1/8" (column flange end) (B only) (C only) (D only) (E only)

3шт.

181378

BOLT,Hex, 3/8" - 24 x 1 7/8"

SCREW, cap, hex-hd., 3/8-24NF x 1-7/8" (B only) (C only) (D only) (E only)

2шт.

93-41039

LOCK WASHER,Ext Tooth, 3/8"

WASHER, lock, light, 3/8" (B only) (C only) (D only) (E only)

3шт.

3

365364R91

TUBES, valve to LH junction block, w/block, flange, and 2 plug, 365239R1 (C only) (E only) (F only)

1шт.

103026

NUT,3/8"-24, G5

(C only) (E only) (F only) 3/8"-24, G5

2шт.

365239R1

PLUG, automotive pipe, sq-socket, stl., 1/4" (will work for 362355R3) (C only)

2шт.

179840

BOLT,Hex, 3/8" - 16 x 1 1/8", Gr 5

SCREW, cap, hex-hd., 3/8-16NC x 1-1/8" (column flange end) (C only) (E only) (F only)

3шт.

181376

BOLT,Hex, 3/8" - 24 x 1 5/8", Gr 5

SCREW, cap, hex-hd., 3/8-24NF x 1-5/8" (C only) (E only) (F only)

2шт.

93-41039

LOCK WASHER,Ext Tooth, 3/8"

WASHER, lock, light, 3/8" (C only) (E only) (F only)

2шт.

4

363623R1

NIPPLE, pipe, junction block (optional with 365241R1) (A only) (D only) (F only)

2шт.

(B only) (E only)

4шт.

(C only)

6шт.

4

365241R1

NIPPLE, pipe, junction block (optional with 363623R1) (A only) (D only) (F only)

2шт.

(B only) (E only)

4шт.

(C only)

6шт.

5

363463R1

RING, snap, self-sealing male coupling (black) (not serviced) (A only) (D only) (F only)

1шт.

(B only) (E only)

2шт.

(C only)

3шт.

6

353217R92

COUPLING

male, hydraulic self-sealing, assembly (for components see list of parts under details of "Break-Away and Self-Sealing Couplings") (A only) (D only) (F only)

2шт.

(B only) (E only)

4шт.

(C only)

6шт.

7

368710R1

CAP

dust, self-sealing male coupling (will work for 355190R3 and 364655R1) (A only) (D only) (F only)

2шт.

(B only) (E only)

4шт.

(C only)

6шт.

8

108493R1

RING, snap, self-sealing male coupling (white) (not serviced) (A only) (D only) (F only)

1шт.

(B only) (E only)

2шт.

(C only)

3шт.

9

365739R1

STUD, hydraulic pump (will work for 32445D) (A only) (B only) (C only)

1шт.

114494

NUT,Jam, 3/8"-24, G5

(A only) (B only) (C only) Jam, 3/8"-24, G5

1шт.

120930

WASHER

lock, external-tooth, 3/8" (A only) (B only) (C only)

1шт.

10

357214R94

PUMP

hydraulic, assembly (Pesco) (optional with 362175R93) (for components see list of parts under detail of "Hydraulic Pump") (A only) (B only) (C only)

1шт.

10

362175R93

PUMP

hydraulic, assembly (Thompson) (optional with 357214R94) (for components see list of parts under detail of "Hydraulic Pump") (A only) (B only) (C only)

1шт.

186284

BOLT,Hex, 3/8" - 16 x 3 3/4", Gr 5

SCREW, cap, hex-hd., 3/8-16NC x 3-3/4" (A only) (B only) (C only)

2шт.

179840

BOLT,Hex, 3/8" - 16 x 1 1/8", Gr 5

SCREW, cap, hex-hd., 3/8-16NC x 1-1/8" (A only) (B only) (C only)

1шт.

413-622

BOLT,Hex, 3/8" - 16 x 1-3/8", Gr 5

cap, hex-hd., 3/8-16NC x 1-3/8" (A only) (B only) (C only)

1шт.

103321

LOCK WASHER,3/8"

WASHER, LOCK, (A only) (B only) (C only) 3/8"

4шт.

11

124543

WOODRUFF KEY,#3, 1/8" x 1/2", HT

(A only) (B only) (C only) #3, 1/8" x 1/2", HT

1шт.

12

354952R2

GASKET

hydraulic pump (A only) (B only) (C only)

1шт.

13

350818R1

O-RING,0.984" ID x 0.139" Width

RING, seal, hydraulic pump flange (A only) (B only) (C only)

2шт.

14

361418R92

TUBES, hydraulic manifold, w/two flanges (order 369457R91 package) (A only) (B only) (C only)

1шт.

103026

NUT,3/8"-24, G5

(Column flange end) (A only) (B only) (C only) 3/8"-24, G5

2шт.

NLS

NO LONGER SERVICED

(Column flange end) (A only) (B only) (C only) Hex, 3/8"-16 x 1 1/2", G5

1шт.

179841

BOLT,Hex, 3/8" - 16 x 1 1/4", Gr 5

cap, hex-hd., 3/8-16NC x 1-1/4" (A only) (B only) (C only)

3шт.

186277

BOLT,Hex, 3/8" - 16 x 2 3/8", Gr 5

SCREW, cap, hex-hd., 3/8-16NC x 2-3/8" (A only) (B only) (C only)

1шт.

575807R1

WASHER

plain, 13/32" ID x 1" OD x no. 11 ga. (column flange end) (A only) (B only) (C only)

3шт.

15

350818R1

O-RING,0.984" ID x 0.139" Width

RING, seal, column flange, large (A only) (B only) (C only)

1шт.

16

350684R1

O-RING,0.139" Thk x 0.734" ID, -210, Cl 5, 75 Duro

RING, seal, column flange, small (A only) (B only) (C only)

1шт.

17

361446R1

STUD, mounting column flange (A only) (B only) (C only)

2шт.

18

361468R91

TUBE,25.687, 16.719" Length

valve to rear junction block, w/block, flange and 2 plug, 365239R1 (A only) (B only) (C only)

1шт.

143981

PLUG

pipe, sq-hd., stl., cd-pltd., 1/2" (used to plug junction block upper hole when tractor is equipped with check valve) (B only) (C only)

1шт.

365239R1

PLUG, automotive pipe, sq-socket, stl., 1/4" (will work for 362355R3) (A only) (B only) (C only)

2шт.

179839

BOLT,Hex, 3/8" - 16 x 1", Gr 5

(Column flange end) (A only) (B only) (C only) Hex, 3/8"-16 x 1", G5

2шт.

179842

SPACER

cap, hex-hd., 3/8-16NC x 1-3/8" (column flange end) (A only) (B only) (C only)

1шт.

181376

BOLT,Hex, 3/8" - 24 x 1 5/8", Gr 5

SCREW, cap, hex-hd., 3/8-24NF x 1-5/8" (A only) (B only) (C only)

2шт.

95-11041

WASHER,3/8"

(13/32" ID x 13/16" OD x no. 16 ga) (A only) (B only) (C only) 3/8"

2шт.

19

444703

PLUG,Hex Soc, 1/2"-14

automotice pipe, hex-socket, stl., 1/2" (hydra-touch control valve) (optional with 362356R3) (B only) (C only)

1шт.

For tractors equipped with cotton picker or reverse operation attachment.

1шт.

19

362356R3

PLUG, automotive pipe, sq-socket, stl., 1/2" (hydra-touch control valve) (optional with 444703) (B only) (C only)

1шт.

For tractors equipped with cotton picker or reverse operation attachment.

1шт.

20

364148R1

ELBOW

street, hydra-touch control valve, 90 brs. (B only) (C only)

1шт.

For tractors equipped with cotton picker or reverse operation attachment.

1шт.

21

364367R91

HOSE ASSY.

HOSE, hydraulic, 1/2" ID x 72" (B only) (C only)

1шт.

For tractors equipped with cotton picker or reverse operation attachment.

1шт.

22

119101

CAP,1/2" NPT

pipe, 1/2" (B only) (C only)

1шт.

For tractors equipped with cotton picker or reverse operation attachment.

1шт.

23

365442R1

CLAMP, hydraulic manifold tube support (for tractors with manifold tube support bracket) Farmall 400 Series, 37425 up, Farmall 450 Series, 501 to 15935 (A only) (B only) (C only)

3шт.

24

365541R1

BRACE, hydraulic manifold tube clamp (for tractors with manifold tube support bracket) Farmall 400 Series, 37425 up, Farmall 450 Series, 501 to 15935 (A only) (B only) (C only)

1шт.

114503

JAM NUT,Jam, 3/8"-16, G5

(A only) (B only) (C only) Jam, 3/8"-16, G5

1шт.

179841

BOLT,Hex, 3/8" - 16 x 1 1/4", Gr 5

cap, hex-hd., 3/8-16NC x 1-1/4" (A only) (B only) (C only)

1шт.

103321

LOCK WASHER,3/8"

WASHER, LOCK, (A only) (B only) (C only) 3/8"

1шт.

25

365538R1

BRACKET, hydraulic manifold tube support (for tractors with manifold tube support bracket) Farmall 400 Series, 37425 up, Farmall 450 Series, 501 to 15935 (A only) (B only) (C only)

1шт.

114503

JAM NUT,Jam, 3/8"-16, G5

(A only) (B only) (C only) Jam, 3/8"-16, G5

1шт.

368050R91

NUT, hex., 5/16-24NF, w/external tooth lockwasher (A only) (B only) (C only)

1шт.

181345

BOLT,Hex, 5/16" - 24 x 1 3/4", Gr 5

(A only) (B only) (C only) Hex, 5/16"-24 x 1 3/4", G5

1шт.

179843

BOLT,Hex, 3/8" - 16 x 1 1/2", Gr 5

(A only) (B only) (C only) Hex, 3/8"-16 x 1 1/2", G5

1шт.

103321

LOCK WASHER,3/8"

WASHER, LOCK, (A only) (B only) (C only) 3/8"

1шт.

95-11034

WASHER,1/4"

plain, 11/32" ID x 11/16" OD x no. 16 ga. (A only) (B only) (C only)

2шт.

26

369450R91

HOSE and TUBE, hydraulic manifold, assembly Farmall 450 Series, 15936 up, composed of (2) clamp 39128H, (1) flange 369431R91, (1) hose and tube 369554R91, (1) hose 369428R1 (A only) (B only) (C only)

1шт.

27

39128H

CLAMP

hydraulic pump suction hose, Farmall 450 Series, 15936 up (A only) (B only) (C only)

2шт.

28

369428R1

HOSE

hydraulic pump suction (1" ID x 5" long) Farmall 450 Series, 15936 up (A only) (B only) (C only)

1шт.

29

369431R91

FLANGE, hydraulic pump, w/tubes, Farmall 450 Series, 15936 up (A only) (B only) (C only) 0.75" OD

1шт.

30

369432R91

HOSE, hydraulic pump pressure (5/8" ID x 18-1/2" long) (supplied with 369416R91 field package) (A only) (B only) (C only)

1шт.

31

369427R1

FITTING

CONNECTOR, 3/4" tube fitting (supplied with 369416R91 field package) (A only) (B only) (C only)

1шт.

32

369554R91

HOSE and TUBES, hydra-touch valve column, w/flange (supplied w/package, 369457R91) Farmall 450 Series, 15936 up (A only) (B only) (C only)

1шт.

369457R91

PACKAGE, service, hydraulic pump manifold tubes (will work for 361418R91, 361418R92 and 365938R91) (see note B) Farmall 400 Series (A only) (B only) (C only)

1шт.

When this package is used on Farmall 400 series tractors with S/N 501 to 37424, the following must also be ordered, unless the tractor is already so equipped, (1) bracket 365538R1, (1) screw 179843, (1) clamp 365442R1, (1) screw 181345, (1) nut 368050R91 (NSS), (2) washer 103340.

1шт.

Farmall 450 Series, 501 to 15935 (B only) (C only) consists of (2) clamp 365442R1, (1) hose and tube, assembly 369450R91, (1) nut 368050R91, (1) screw 181345, (2) washer 103340

1шт.

369416R91

PACKAGE, field, hydraulic pump manifold tubes (used to repair damaged manifold tubes) (see note B) Farmall 400 Series, Farmall 450 Series, 501 to 15935 (A only) (B only0 (C only)

1шт.

Выбрано товаров: 94