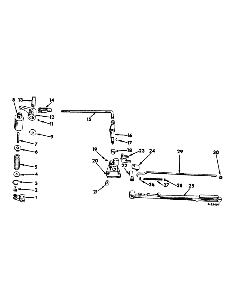
Запчасти Case IH 460 (115) - REAR FRAME & DRIVING MECHANISMS, INDEPENDENT POWER TAKE-OFF, FOR UNIT B Rear Frame & Driving Mechanisms

Схема запчастей Case IH 460 - (115) - REAR FRAME & DRIVING MECHANISMS, INDEPENDENT POWER TAKE-OFF, FOR UNIT B Rear Frame & Driving Mechanisms
20
27
5
8
3
28
15
4
18
9
24
11
12
13
26
1
29
7
25
17
21
6
30
22
23
16
14
2
19
FIT
1:1
100%

Артикул

Название

Примечание

Количество

1

363296R1

SPARE PART Primary brake band operating

1шт.

NUT, 7/16NF

1шт.

PIN, 3/32 x 3/4" cotter

1шт.

359100R1

SPARE PART Primary brake band operating lever

1шт.

SCREW, 7/16 NF x 2" hex-hd. cap

1шт.

WASHER, 7/16" lock

1шт.

2

359097R1

SPARE PART Bottom spring anchor

1шт.

3

359096R1

SPARE PART SNAP RING, spring sleeve

1шт.

4

359095R1

SPARE PART Spring retainer

1шт.

5

359094R2

SPARE PART Brake band actuator

1шт.

6

359093R11

SPARE PART W/PIN ASSEMBLY, spring retainer

1шт.

17071R1

SPARE PART 1/8 x 5/16" roll

1шт.

7

359092R1

BOLT

Spring anchor

1шт.

8

359091R11

SPARE PART ASSEMBLY, spring

1шт.

PIN, 3/32 x 3/4" cotter

1шт.

359100R1

SPARE PART Primary brake band operating lever

1шт.

9

364416R1

SPARE PART Bellcrank retainer

1шт.

SCREW, 3/8 x 4-3/8" hex-hd. cap

1шт.

WASHER, 3/8" lock

1шт.

11

80722

LUBE NIPPLE,3/16" x .55" lg, Drive

FITTING, 3/16" straight drive lubrication (Optional with 273354)

1шт.

11

273354

SHEAVE

FITTING, 3/16" straight drive lubrication (Optional with 443566)

1шт.

12

363297R2

SPARE PART BELLCRANK, power take-off operating

1шт.

13

363299R1

SPARE PART SHAFT, bellcrank pivot

1шт.

14

104039

ADJUSTABLE CLEVIS,1/2"-20 x 3"

1/2" adjustable rod end (Power take-off control rod)

1шт.

NUT, 1/2" NF

1шт.

PIN, 1/8 x 3/4" cotter

1шт.

PIN, 1/2" rod end

1шт.

15

370358R1

SPARE PART Power take-off control

1шт.

PIN, 1/8 x 3/4" cotter

1шт.

103498

CLEVIS PIN,1/2" x 1.360"

PIN, 1/2" rod end

1шт.

16

363301R11

LEVER

SPARE PART AND SHAFT ASSEMBLY, control handle operating

1шт.

NUT, 1/2" NF

1шт.

WASHER, 1/2" lock

1шт.

17

124547

WOODRUFF KEY,#7, 1/8" x 3/4", HT

#7, 1/8" x 3/4", HT

1шт.

18

363304R1

BUSHING

Control rod mounting bracket

2шт.

19

80722

LUBE NIPPLE,3/16" x .55" lg, Drive

FITTING, 3/16" straight drive type lubrication (Optional with 273354)

1шт.

19

273354

SHEAVE

FITTING, 3/16" straight drive type lubrication (Optional with 443566)

1шт.

20

370359R11

SPARE PART W/TWO BUSHINGS, 363104R1 and Fitting, 443566 Assembly, operating handle mounting

1шт.

SCREW, 1/2 x 2-1/2" hex-hd. cap

1шт.

WASHER, 1/2" lock

1шт.

21

72691R1

SPARE PART Operating handle mounting bracket (Short)

1шт.

21

373520R1

SPARE PART Operating handle mounting bracket (Long)

1шт.

22

370360R1

SPARE PART Operating handle

1шт.

23

370362R1

SPARE PART Operating handle

1шт.

SCREW, 3/8 x 7/8" hex-hd. cap

2шт.

WASHER, 3/8" lock

2шт.

24

370361R11

SPARE PART ASSEMBLY, pawl pivot

1шт.

SCREW, 5/16 x 3/4" hex-hd. cap

1шт.

WASHER, 5/16" lock

1шт.

25

370356R11

SPARE PART ASSEMBLY, operating

1шт.

NUT, 1/2" NF

1шт.

WASHER, 1/2" lock

1шт.

26

Q243

WASHER

21/64 x 3/4" x 16 ga.

1шт.

27

359109R2

VALVE SPRING

Pawl operating rod

1шт.

28

131402H

WASHER

11/32 x 9/16" x 16 ga.

2шт.

PIN, 3/32 x 5/8" cotter

1шт.

29

370357R1

SPARE PART Pawl operating

1шт.

107762

WASHER,3/32" x 5/8"

3/32" x 5/8"

1шт.

30

359108R2

KNOB

Pawl operating rod

1шт.

Выбрано товаров: 59