Запчасти Case IH 460 (122) - STEERING MECHANISM, STEERING MECHANISM & LOWER BOLSTERS, FARMALL 460 SERIES Steering Mechanism

Схема запчастей Case IH 460 - (122) - STEERING MECHANISM, STEERING MECHANISM & LOWER BOLSTERS, FARMALL 460 SERIES Steering Mechanism
23
38
8
26
25
44
6
42
10
21
4
19
44
5
13
40
36
7
14
39
31
28
12
11
33
19
3
22
20
13
43
18
7
37
17
16
34
24
1
35
15
41
27
30
32
9
11
29
45
2
13
FIT
1:1
100%

Артикул

Название

Примечание

Количество

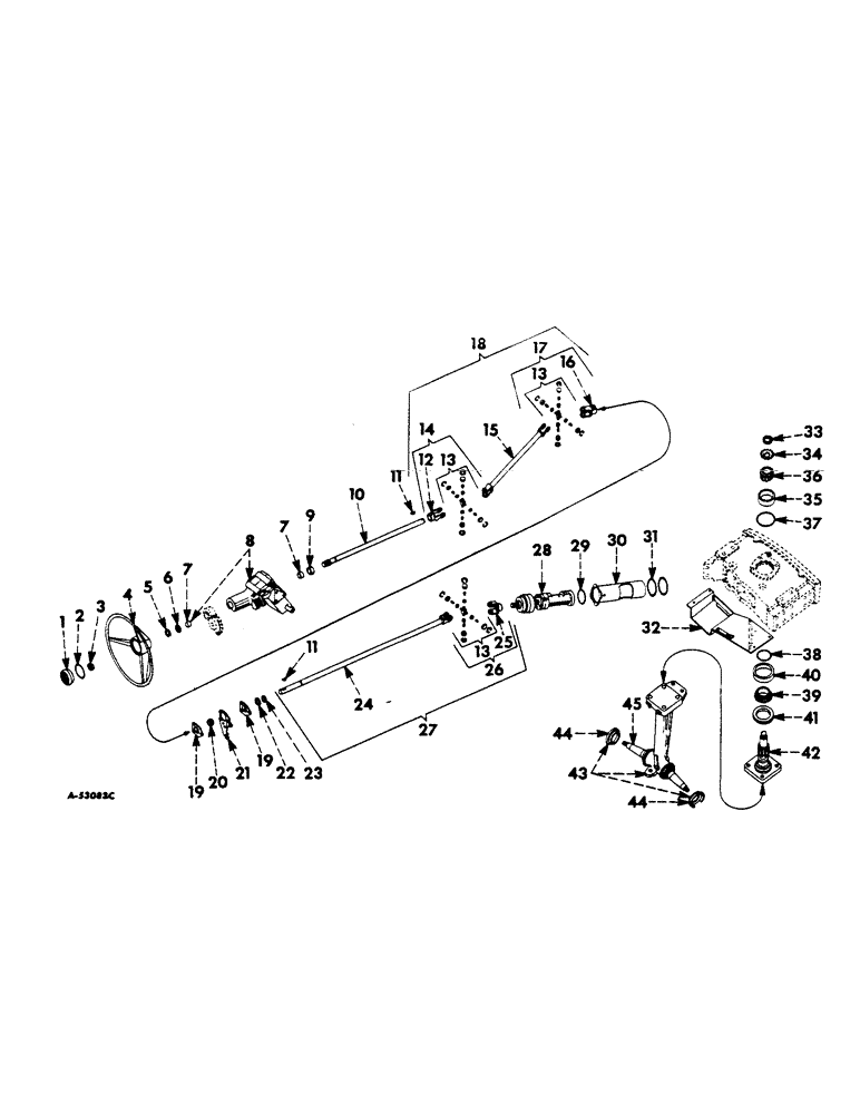
1

366558R1

PRODUCT GRAPHIC

CAP, steering wheel monagrammed (Tractors without power steering)

1шт.

1

366566R1

CAP

CAP, steering wheel monagrammed (Tractors with power steering)

1шт.

2

295204R1

O-RING,0.103" Thk x 2.8" ID, -149, Cl 5, 75 Duro

RETAINER, steering wheel cap O-Ring (2-13/16 x 3 x 3/32")

1шт.

3

F19646

LOCK NUT,13/16"-20, Thin

Steering wheel (Optional with 368576R1)

1шт.

3

F19646

LOCK NUT,13/16"-20, Thin

Steering wheel (Optional with 367232R1)

1шт.

4

366557R1

WHEEL

Steering (18" dia.)

1шт.

5

359909R1

RING

Steering shaft snap - rear section

1шт.

6

358002R1

WASHER

Steering shaft upper bearing

1шт.

7

378699R1

BUSHING,22.25mm ID x 25.43mm OD x 22.35mm L

Steering shaft

2шт.

8

369682R11

SPARE PART ASSEMBLY, steering shaft

1шт.

SCREW, 3/8 x 1-1/4" hex-hd. cap

4шт.

WASHER, 3/8" lock

4шт.

9

51444DA

COLLAR

Steering shaft

1шт.

SCREW, 5/16 NF x 5/16" hex-soc-hd. cup-pt. set

2шт.

10

369662R1

SPARE PART Steering - rear section

1шт.

11

103462

KEY

No. 13 Woodruff

2шт.

12

350256R1

YOKE

UNIVERSAL JOINT YOKE Rear

1шт.

PIN, 3/16 x 1-3/8" roll

1шт.

13

350254R91

U-JOINT SPIDER

BEARING AND SPIDER ASSEMBLY (Optional with 357439R91)

3шт.

13

357439R91

SPARE PART BEARING AND SPIDER ASSEMBLY (Optional with 350254R91)

3шт.

14

369658R91

SPARE PART YOKE, bearing and Spider Assembly - rear

1шт.

15

369655R11

SPARE PART SHAFT ASSEMBLY, steering - center section

1шт.

16

369657R1

YOKE

SPARE PART Center

1шт.

NUT, 3/8"

1шт.

SCREW, 3/8 x 1-3/4 hex-hd. cap

1шт.

WASHER, 3/8" lock

1шт.

17

369656R91

SPARE PART YOKE, Bearing and Spider Assembly - center

1шт.

18

369654R91

SPARE PART ASSEMBLY, steering and universal joint - center section

1шт.

19

369663R1

RETAINER

Steering shaft bearing

2шт.

NUT, 1/4"

3шт.

SCREW, 1/4 x 5/8" hex-hd. cap

3шт.

20

369661R1

SPHERICAL BEARING,0.881" ID x 1.25"

BEARING, steering shaft

1шт.

21

369670R1

SPARE PART Steering shaft bearing support

1шт.

SCREW, 3/8 x 1-1/8" hex-hd. cap

2шт.

22

370451R1

WASHER

SPARE PART Steering shaft thrust

1шт.

23

359909R1

RING

Steering shaft snap - front section

1шт.

24

369652R11

SPARE PART SHAFT ASSEMBLY, steering - front section

1шт.

25

370003R1

YOKE

UNIVERSAL JOINT YOKE Steering worm

1шт.

26

369653R91

SPARE PART Bearing and Spider Assembly - front

1шт.

27

369651R91

SPARE PART ASSEMBLY, steering and universal joint - front section

1шт.

28

370545R92

SPARE PART STEERING WORM UNIT (For components see list of parts under details of "Steering Worm Unit")

1шт.

373084R1

BOLT,Hex, 7/16" - 14 x 3", Gr 8

SCREW, steering worm unit

4шт.

183544R1

WASHER

Steering worm unit

4шт.

29

355740R1

O-RING,0.139" Thk x 3.734" ID, -240, Cl 5, 75 Duro

Cylinder sleeve adapter (3-3/4 x 4 x 1/8")

1шт.

30

367805R1

SLEEVE,#62, Ext

Steering cylinder

1шт.

31

254688R1

O-RING,0.21" Thk x 3.85" ID, -344, Cl 5, 75 Duro

Steering cylinder sleeve (3-7/8 x 4-1/4 x 3/16")

2шт.

32

371466R12

SPARE PART ASSEMBLY, fan drive pulley

1шт.

For all tractors except Hi-Clear models.

1шт.

SCREW, 5/16 x 1/2" hex-hd cap

4шт.

SCREW, 5/16 x 1" hex-hd cap

2шт.

33

374248R1

NUT

Upper bolster pivot shaft (Will work for 369354R1)

1шт.

34

127688

LOCK WASHER,Type W-08

Upper bolster pivot shaft nut lock (Used only with Nut, 369354R1)

1шт.

35

13207D

BEARING CUP,95.28mm OD x 22.35mm W

CUP, upper bolster pivot shaft upper bearing

1шт.

36

ST2086

BEARING ASSY,44.45mm ID x 29.9mm W

CONE, upper bolster pivot shaft upper bearing

1шт.

37

259246R1

O-RING,0.139" Thk x 3.859" ID, -241, Cl 5, 75 Duro

Upper bolster pivot shaft opening (3-7/8 x 4-1/8 x 1/8")

1шт.

38

252734R1

O-RING,0.21" Thk x 2.725" ID, -335, Cl 5, 75 Duro

Upper bolster pivot shaft (2-3/4 x 3-1/8 x 3/16")

1шт.

39

ST2087

TAPERED BEARING,2.7815" ID x 4.4385" OD x 1.014"

CONE, upper bolster pivot shaft

1шт.

40

ST981

BEARING CONE,112.71mm OD x 19.05mm W

CUP, upper bolster pivot shaft lower bearing

1шт.

41

369380R91

OIL SEAL

OIL, upper bolster pivot shaft

1шт.

42

367804R11

SHAFT

ASSEMBLY, upper bolster pivot

1шт.

43

369855R11

SPARE PART ASSEMBLY, lower

1шт.

For all tractors except Hi-Clear models.

1шт.

SCREW, 3/4 x 2" hex-hd. cap

4шт.

44

48541D

SHIELD

Front wheel dust

2шт.

45

369856R1

AXLE

Front (Note A)

1шт.

RIVET, 5/8 x 3-3/4" rd-hd. stl.

1шт.

Выбрано товаров: 66