Запчасти Case IH 560 (219) - HYDRAULIC SYSTEM, HYDRA-TOUCH POWER SUPPLY (07) - HYDRAULIC SYSTEM

Схема запчастей Case IH 560 - (219) - HYDRAULIC SYSTEM, HYDRA-TOUCH POWER SUPPLY (07) - HYDRAULIC SYSTEM
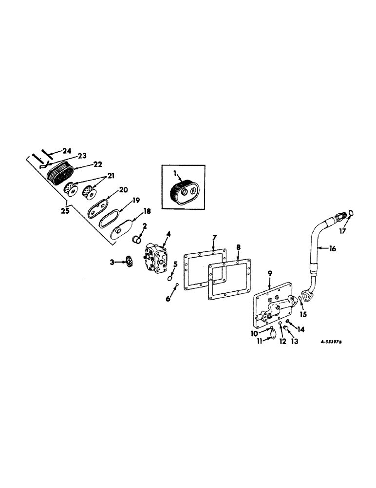
8
1
25
2
7
11
15
17
6
13
24
23
14
21
19
10
3
9
22
18
20
4
16
12
5
FIT
1:1
100%

Артикул

Название

Примечание

Количество

1

370883R92

STRAINER ASSY.

STRAINER ASSEMBLY, oil (order package, 374989R91)

1шт.

2

370888R23

TUBE

ASSEMBLY, pump suction (units A and C)

1шт.

2

372782R13

TUBE,1.755" Length

ASSEMBLY, pump suction (units B and D)

1шт.

2

373710R93

TUBE

ASSEMBLY, pump suction (units E and F)

1шт.

3

373712R1

GEAR

pump drive (13 teeth) (units E and F)

1шт.

3

370962R1

GEAR

pump drive (13 teeth) (units A and C)

1шт.

3

372781R1

GEAR, pump drive (14 teeth) (units B and D)

1шт.

*

19263R1

LOCK NUT,Hex, 5/8" - 18

NUT, 5/8 NF elastic stop

1шт.

4

374483R92

HYDRAULIC PUMP

PUMP ASSEMBLY, hydraulic gear (12 gpm) (Thompson) (for components see list of parts under details of "transmission driven hydraulic pump") (optional with 373964R91) (units A, B and E)

1шт.

4

373964R92

HYDRAULIC PUMP

PUMP ASSEMBLY, hydraulic gear (12 gpm) (Cessna) (for components see list of parts under details of "transmission driven hydraulic pump") (optional with 374483R91) (units A, B and E)

1шт.

4

370880R92

PUMP

ASSEMBLY, hydraulic gear (17 gpm) (Thompson) (for components see list of parts under details of "transmission driven hydraulic pump") (optional with 373966R91) (units C, D and F)

1шт.

4

1949292C1

REMAN-HYD PUMP

Reman For New PN 370880R92

1шт.

4

1949293C1

CORE-HYDRAULIC PUMP

Return Number

1шт.

4

373966R92

HYDRAULIC PUMP

PUMP ASSEMBLY, hydraulic gear (17 gpm) (Cessna) (for components see list of parts under details of "transmission driven hydraulic pump") (optional with 370880R91) (units C, D and F)

1шт.

*

SCREW, 7/16 x 1-5/8" hex-hd. cap (4 for units A, B, C and D)

1шт.

*

SCREW, 7/16 x 1-3/8" hex-hd. cap (4 for units E and F)

1шт.

5

254691R1

O-RING,-211, 70 Duro, .796" ID x .139" Thk

pump pressure port large (13/16 x 1-1/16 x 1/8")

1шт.

6

352221R1

O-RING,0.103" Thk x 0.549" ID, -113, Cl 5, 75 Duro

pump pressure port small (9/16 x 3/4 x 3/32")

1шт.

6

252739R1

O-RING,0.103" Thk x 0.487" ID, -112, Cl 5, 75 Duro

pump pressure port small (1/2 x 11/16 x 3/32") (used with pumps, 374483R91, 373964R91, 370880R91 and 373966R91)

1шт.

7

370892R2

GASKET

pump mounting flange-light (.011-.013" thick)

1шт.

8

370893R2

GASKET

pump mounting flange-heavy (.021-.023" thick)

1шт.

9

370891R11

FLANGE ASSEMBLY, pump mounting (units A and C)

1шт.

9

373714R11

FLANGE ASSEMBLY, pump mounting (units E and F)

1шт.

*

SCREW, 3/8 x 2" hex-hd. cap

1шт.

*

SCREW, 3/8 x 1-3/8" hex-hd. cap

9шт.

*

WASHER, 3/8" lock

10шт.

9

372783R11

FLANGE ASSEMBLY, pump mounting (units B and D)

1шт.

*

SCREW, 3/8 x 1-3/4" hex-hd. cap

1шт.

*

SCREW, 3/8 x 2-1/2" hex-hd. cap

9шт.

*

WASHER, 3/8" lock

10шт.

10

352221R1

O-RING,0.103" Thk x 0.549" ID, -113, Cl 5, 75 Duro

power steering pressure port cover (9/16 x 3/4 x 3/32") (used with cover, 378276R1)

1шт.

10

252738R1

O-RING,0.103" Thk x 0.362" ID, -110, Cl 5, 75 Duro

power steering pressure port cover (3/8 x 9/16 x 3/32") (used with cover, 370894R1)

1шт.

11

370894R1

COVER, power steering pressure port (order cover, 378276R1 and o-ring, 352221R1)

1шт.

11

378276R1

COVER

power steering pressure port

1шт.

*

SCREW, 51/6 x 11/16" hex-hd. cap

2шт.

*

WASHER, 5/16" lock

2шт.

12

364839R1

O-RING,0.078" Thk x 0.468" ID, -906, Cl 6, 90 Duro

6-1, 90 Duro, .468" ID x .078" Thk, pump mounting flange plug

2шт.

13

9410358

PLUG

pump mounting flange

2шт.

14

52999D

WASHER

GASKET, hydraulic pump mounting bolt

4шт.

15

369908R1

O-RING,0.103" Thk x 0.799" ID, -117, Cl 5, 75 Duro

hydraulic pump pressure manifold flange (13/16 x 1 x 3/32")

1шт.

16

370964R91

HOSE ASSY.

MANIFOLD ASSEMBLY, hydraulic pump pressure (units A, C, E and F)

1шт.

16

372982R91

HOSE

MANIFOLD ASSEMBLY, hydraulic pump pressure (units B and D)

1шт.

*

SCREW, 5/16 x 1-3/4" hex-hd. cap

3шт.

*

WASHER, 5/16" lock

3шт.

17

297459R1

O-RING,0.116" Thk x 1.048" ID, -914, Cl 6, 90 Duro

hydraulic pump pressure manifold fitting (1-3/64 x 1-9/32 x 7/64")

1шт.

18

374995R11

SUPPORT ASSEMBLY, oil filter element

1шт.

19

374996R1

GASKET

oil filter element support

1шт.

20

374994R1

RETAINER, oil filter element

1шт.

21

375085R91

FILTER

PACKAGE, oil filter element (consists of two elements, gasket 370801R1 and gasket, 374996R1)

1шт.

22

374991R91

SCREEN ASSEMBLY, oil filter

1шт.

23

374997R1

SPRING, oil filter retainer

1шт.

24

375097R1

SCREW, oil filter

2шт.

25

374990R91

NO LONGER SERVICED

FILTER ASSEMBLY, tandem oil (less elements)

1шт.

*

370801R1

GASKET

oil strainer opening cover (illustrated with "clutch housing and covers")

1шт.

379989R91

PACKAGE, tandem oil filter service (will work for 370883R92) (consists of decal, 2750578R2, filter, 374990R91 and package, 375085R91)

1шт.

374958R11

TROUGH, oil (illustrated with "rear frame, transmission oil filter and suction tube")

1шт.

376579R1

SCREW, oil trough mounting

1шт.

*

SCREW, 7/16 x 1-3/8" cap

1шт.

*

WASHER, 1/2" external-tooth

1шт.

Выбрано товаров: 0